Electrical problem with my '87 C-4 Corvette

sahlfeld

New Member
I am having a problem with my '87 C-4 Corvette. I have no power to my fuel pump, fuel pump relay or the 10amp fuel pump fuse.
I have checked the wiring from my ECM to the FPR and it is good.
I also have no power to the 3amp dash lights fuse next to the 10amp fuse.
Is there a common Iam missing?
Where does the ECM receive power that goes to the fuel pump relay.
Thanks
Tony
 
I waas hoping to find an answer to what u asked my self having prob similar with my 86. Good luck hopefully someone will post.
 
the diagrams in this thread may help,
http://garage.grumpysperformance.com/index.php?threads/lots-of-wiring-info-diagrams.317/
but you really need to buy a factory shop manual for your year corvette.
theres no issue you can,t locate and solve with a bit of logic and testing
https://www.zip-corvette.com/87-sho...MIprmA6ZD14QIVy7fACh3UfAAiEAQYAiABEgKXmPD_BwE


To recover ECM codes from the 1984 through 1993 Corvette, place a jumper (paper clip works fine) as shown below between pins "A" and "B" on the ALDL (Assembly Line Diagnostic Link) connector. This connector is located under the dash just to the right of the steering column and has space for 12 pins although not all of the cavities will be populated.
84_93_code_display.JPG

OBD 1 code reader

http://www.chevythunder.com/fuel injection elect. pg B.htm
read a few links and sub links
yes theres a lot of reading but the answers ARE in the threads and sub links

http://garage.grumpysperformance.co...too-common-questions-can-be-found-here.12892/

http://garage.grumpysperformance.com/index.php?threads/gm-tpi-stalling-diagnosis.15194/#post-86991

http://garage.grumpysperformance.co...elay-switch-locations-and-info.728/#post-9217

http://forum.grumpysperformance.com/viewtopic.php?f=32&t=1401&p=8895&hilit=start+sequence#p8895

http://garage.grumpysperformance.co...oven-facts-if-your-in-doubt.13051/#post-84695


as usual start by getting a shop manual and a multi meter, and pulling the trouble codes
a logical step by step approach will lead you to the problem, you'll be amazed at what you'll learn reading links. use of a shop manual and multi meter can be very helpful
image_6238.jpg

http://www.harborfreight.com/5-in-1-dig ... 98674.html

https://www.summitracing.com/parts/anm-cp7838
CP7838.jpg


watch the fuel pressure it should in theory remain in the 38 psi-42 psi range for most TPI and TUNED PORT efi
shaw1.png

shaw2.png



1987cool.png


these charts are for the 1985-89 vette cooling fans
85-89fans1.png

85-89fans2.png
85-89fans31.png


85-89fans3.png



# Check fan fuses in the underhood fuse/relay panel
# Check fan relays (same location). Aside from getting out any electrical equipment to test the relay, you can swap it with another one (such as the fog lamp relay) and test for function. See if the relay works for the fog lamps and/or the swapped-in relay makes your fans work. Nearly all the relays in the panel are the same, except for maybe the ABS relay.
# You can jumper two pins on the DLC that should cause the fans to come on. 1993-1994 cars with the 12 pin DLC can jumper pins A and B. On a 1993, that is the same way that you would retrieve trouble codes from the ecm. The 1994 won't give you any codes, but the fans will engage. 1995-1997 uses pins 5 and 6 on the 16 pin DLC to initiate what is called "field service enable mode". That will cause the fans to come on and operate most sensors for sanity checking. After placing the jumper on the correct pins, turn the key to ON (don't start). If the fans work after jumpering the DLC, your PCM is capable of operating the fans and all fan wiring/relays should be ok.
# Deeper problems can be solved through testing and using the wiring schematic.


~Fans don't come on except when the a/c or SES is on~

~Temp gauge continues to rise with no automatic fan operation~


# With a scan tool, check to see what temp the PCM is seeing from the sensor in the water pump. Make sure you are aware of the temps the fans come on (stated in the beginning of this article). If the temp it sees is incorrectly low, it won't know to turn the fans on. Another possibility is that the temp is really ok, but the gauge is reading wrong. That is why you need to use the scan tool to see and compare the readings. Info on testing wiring and sensor can be found here.
# If that looks ok, then your PCM may have issues. You could always try resetting the PCM by pulling the PCM BAT fuse for about 30 seconds.

viewtopic.php?f=70&t=3504&p=9220#p9220
Testing the ECT (Engine Temperature) Sensors and Connections

0900c1528008fca5.gif

fan1schematic_1995.jpg

fanwire99.jpg

THE DIAGRAM ABOVE HAS THE CORRECT WIRE COLORS


my2centsm.png

313.jpg

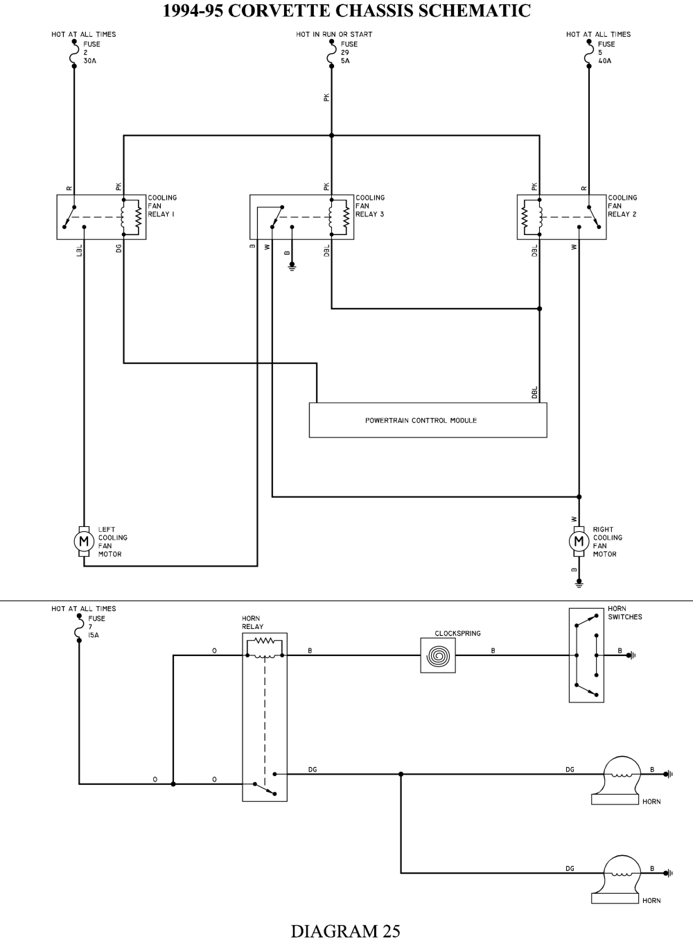
Pro tip before starting - Label your relays Relay 1, Relay 2, and Relay 3 according to the wiring diagram (your first post) and what your physical relays represent. Even if its just a sticky note. Get it all straight and stick to the same annotation while you troubleshoot.

You'll need a multimeter than can measure DC voltage and continuity:

Remove all three relays so you're only dealing with the sockets

DC Voltage tests:
1. Confirm 12V between the socket for pin 85 and the negative battery terminal on all 3 relay sockets
2. Confirm 12v between the socket for pin 30 and the negative battery terminal on relay sockets 1 and 2

Continuity tests:
1. Confirm continuity with the end of the dark green wire and the socket for pin 86 for relay 1
2. Confirm continuity with the end of the dark blue wire and the socket for pin 86 for relay 2 AND relay 3.
3. Confirm continuity between the socket for pin 87 for relay 1 and side B of the left cooling fan connector
4. Confirm continuity between side A of the left cooling fan connector and side B of the right cooling fanconnector AND the socket for pin 87 for relay #2.
5. Confirm continuity between the socket for pin 87 for relay #3 and Negative Battery Terminal
6. Confirm continuity between side A of the right cooling connector and Negative Battery Terminal.

Do the steps in order and use the negative battery terminal for your connection when I specify to. Verifying at the negative battery terminal will ensure you're circuit is making a good connection to the chassis ground. If it doesn't make it all the way back to the battery, it's a crap ground and testing it my way will reveal the problem




ECT Temperature vs. Resistance Values

ºC ºF Ohms
100 212 177
90 194 241
80 176 332
70 158 467
60 140 667
50 122 973
45 113 1188
40 104 1459
35 95 1802
30 86 2238
25 77 2796
20 68 3520
15 59 4450
10 50 5670
5 41 7280
0 32 9420
-5 23 12300
-10 14 16180
-15 5 21450
-20 -4 28680
-30 -22 52700
-40 -40 100700

Use a Digital Volt Meter (DVM) set to ohms to measure resistance. Note: Use a high impedance meter (at least 10 megohm) when dealing with the PCM. Most modern DVMs will do, but your old analog meter can damage the PCM. It is also a good idea to get a " reference" from the meter you are working with. With the DVM on the ohms scale, touch the two meter leads together and note the ohm reading. It may not always be perfectly zero, but may be within a tenth or two. Now when you take an ohm reading, you will know what the meter will show when there is really no resistance.

* The sensor in the head has only one terminal. This sensor is for the temperature indicator on the dashboard. Place one test lead on the sensor terminal and the other on a known good ground. Compare the reading to the table. If your car is cold from sitting overnight, the reading should be close to ambient temperature.
* The sensor in the water pump has two terminals. This sensor is for the temperature input to the PCM. Place a test lead on each of the sensor terminals to take the reading. (When reading resistance, it does not matter which lead goes to which terminal)

If the sensor seems to be ok, you may also need to test at the harness connector for proper lead conditions. Use your test meter set on the dc voltage scale to do this. You will need the key in the RUN position, but don't have to start the car.

* For the one lead connector at the head, place the red test lead on the connector terminal and the black test lead to a known good ground. With the key ON, you should read battery voltage (+12vdc or close to it). You can also ground the lead and see if the gauge in the car deflects to full hot.
o If you get no voltage, switch the meter to ohms to see if the lead is grounded.
o No voltage or no ground mean that the lead is open.
o If the gauge is at full hot all the tme, the lead is grounded back toward the gauge. It could be possible for the lead to be pinched and grounded toward the gauge and broken and open back toward the sensor (like in the case of the wire getting caught somewhere during some major engine work). Physically tracing the wire from the sensor into the harness should locate the problem.
* The two lead connector at the water pump has a black (ground) lead and a PCM +5vdc power lead (probably yellow). Place the black meter test lead to black connector lead and the red meter test lead to the other connector lead (yellow on my 1995). You should read +5vdc because this is monitoring voltage being supplied from the PCM.
* If you get no reading:
o Test the yellow lead by placing the DVM red lead on it and the DVM black lead to ground. A +5vdc reading will indicate the lead is ok.
+ If you get no voltage, switch the meter to ohms to see if the lead is grounded.
+ No voltage or no ground mean that the lead is open.
o You can test the black connector lead by using the ohms scale on the DVM. Place the DVM black lead to ground. Place the DVM red lead to the black lead of the connector. If the lead is ok, you will get an ohm reading close to zero. If you get no reading or a very high one, the lead is open or partially open.
* OBD-I DTCs 14 and 15 or OBD-II DTCs P0117 and P0118 are typically associated with problems the PCM sees with the sensors or circuits.

Footnote: If you ever have to test the IAT, it operates the same as the two lead coolant sensor. The same temp vs. resistance table above is applicable to the IAT, as well as the +5vdc lead and ground wire at the harness connector.
 
Last edited:
Did you solve your issue? You can test for voltage at the wire harness for the fuel pump. Youll need a helper. Voltage at key on will only happen for 1.5-2 seconds at key on to prime the fuel rail. Read the links grump posted they are full of info. Check your relays( behind the battery on firewall and near the distributor. ) Burned fuseable links can be a bear. And are hard to relate to many different issues. Check your grounds as well there are 5 i believe.. Let us know what youve found...:D
 
does anyone have a link or maybe can post detailed wire diagram ,pictures,
Ive got a 1987 corvette in the shop with a wire harness that the previous owner butchered.
Ideally I need a wire diagram showing the wire colors,
and sensors, the repaired wire harness and repaired pigtails will connect too.

of the wire harness,
for a 1985- 1987..corvette TPI efi injector,
and sensor color wire diagram




OBDI code scanner adapter driver
http://www.1320electronics.com/16pin_ALDL_BT_USB_MK2.html

http://www.1320electronics.com/products.html

https://play.google.com/store/apps/details?id=com.sgiroux.aldldroid&hl=en

$90

watch video



and sensor pigtail diagrams.
Ive got some ,but not all the diagrams that are required for easy diagnosing issues
so this is one case where having a shop manual is mandatory

http://garage.grumpysperformance.com/index.php?threads/cooling-off-that-c4-corvette.3954/


http://garage.grumpysperformance.co...elay-switch-locations-and-info.728/#post-9217

http://garage.grumpysperformance.com/index.php?threads/lots-of-wiring-info-diagrams.317/#post-83877

Sensor
Location

Engine Coolant Temperature Sensor. Front of engine, below Throttle Body.

Engine Oil Temperature Sensor. Left rear of engine, just above the oil filter.

viewtopic.php?f=54&t=1396&p=3221&hilit=+switch#p3221

Oil Pressure Sender/Switch. Top, left hand rear of engine.

Fuel Quantity Sender. Top of fuel tank, beneath filler pipe escutcheon panel.

MAT (Manifold Absolute Temperature Sensor). Underside of manifold air plenum at rear.

Outside Temperature Sensor. Right side of engine, top right corner of radiator.

In Car Temp Temperature Sensor. Coupe: above left seat near interior courtesy light, Convertible: center of cargo compartment lid.

MAF (Mass Air Flow) Sensor. Front of engine ahead of throttle body.

http://tpiparts.net/85_89_maf_sensors/

Oxygen (O2) Sensor. Left side of engine, in exhaust pipe.(some years have two ,one on both sides)

TPS (Throttle Position Sensor). Right side of throttle body at the front.


Sensor Outputs:

Sensor
Measured Value

Engine Coolant Temperature Sensor. 185 Ohms @ 210F, 3400 Ohms @ 68F, 7,500 Ohms @ 39 F.

Engine Oil Temperature Sensor. 185 Ohms @ 210 F, 3400 Ohms @ 68 F, 7,500 Ohms @39 F.

Oil Pressure Sender/Switch. 1 Ohms @ 0 PSI, 43 Ohms @ 30 PSI, 86 Ohms @ 60 PSI.

Fuel Quantity Sender. 0 Ohms @ Empty, 45 Ohms @ 1/2 Full, 90 Ohms @ Full.

MAT (Manifold Absolute Temperature Sensor). 185 Ohms @ 210 F, 3400 Ohms @ 70 F, 15,000 Ohms @ 40 F.

Outside Temperature Sensor. 4400 Ohms @ 60 F, 2200 Ohms @ 85 F.

In Car Temp Temperature Sensor. 4400 Ohms @ 60 F, 2200 Ohms @ 85 F.

MAF (Mass Air Flow) Sensor. .4 Volts @ idle, 5 Volts @ Full Throttle.

Oxygen (O2) Sensor. .1 Volt Lean Mixture, .9 Volt Rich Mixture.

TPS (Throttle Position Sensor). .54 Volts Idle, ~ 5 Volts Full Throttle.

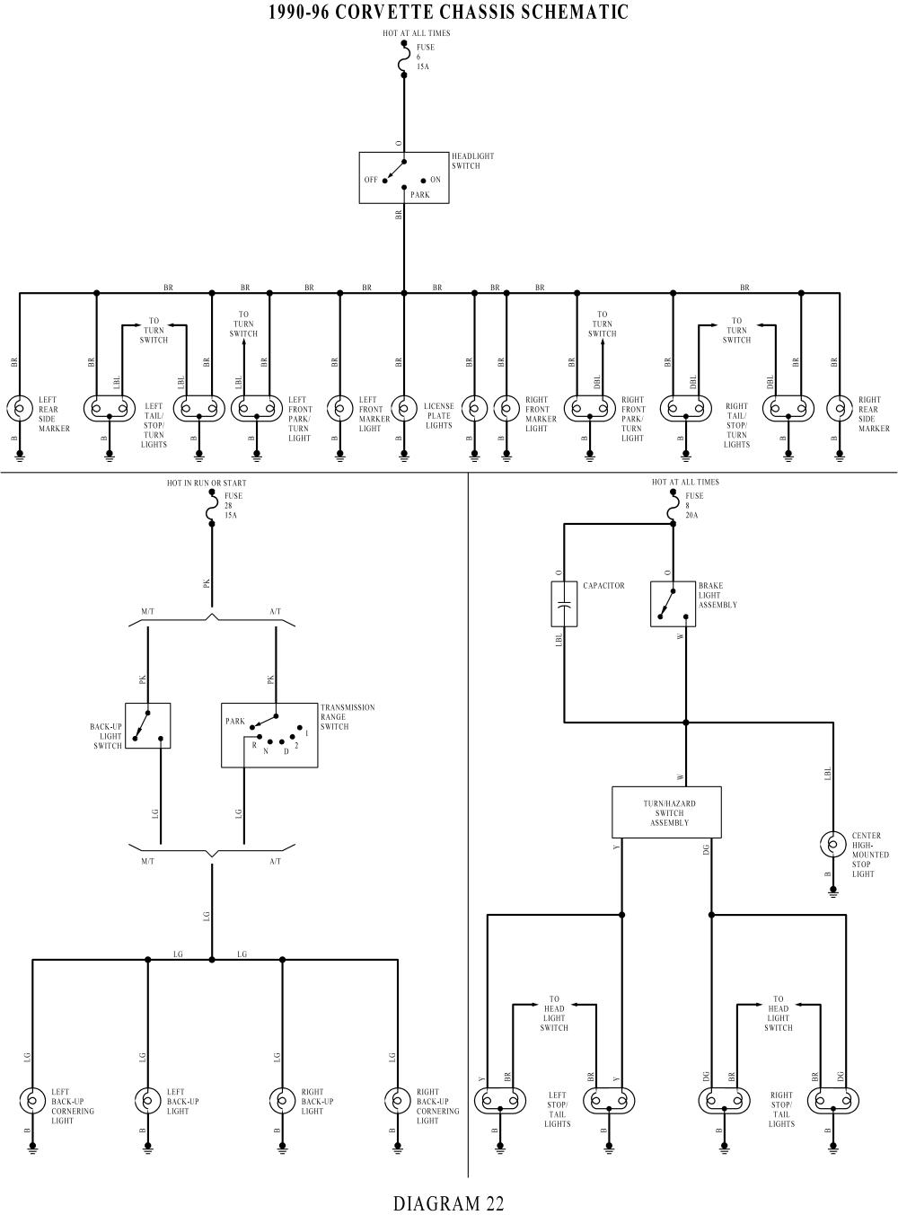
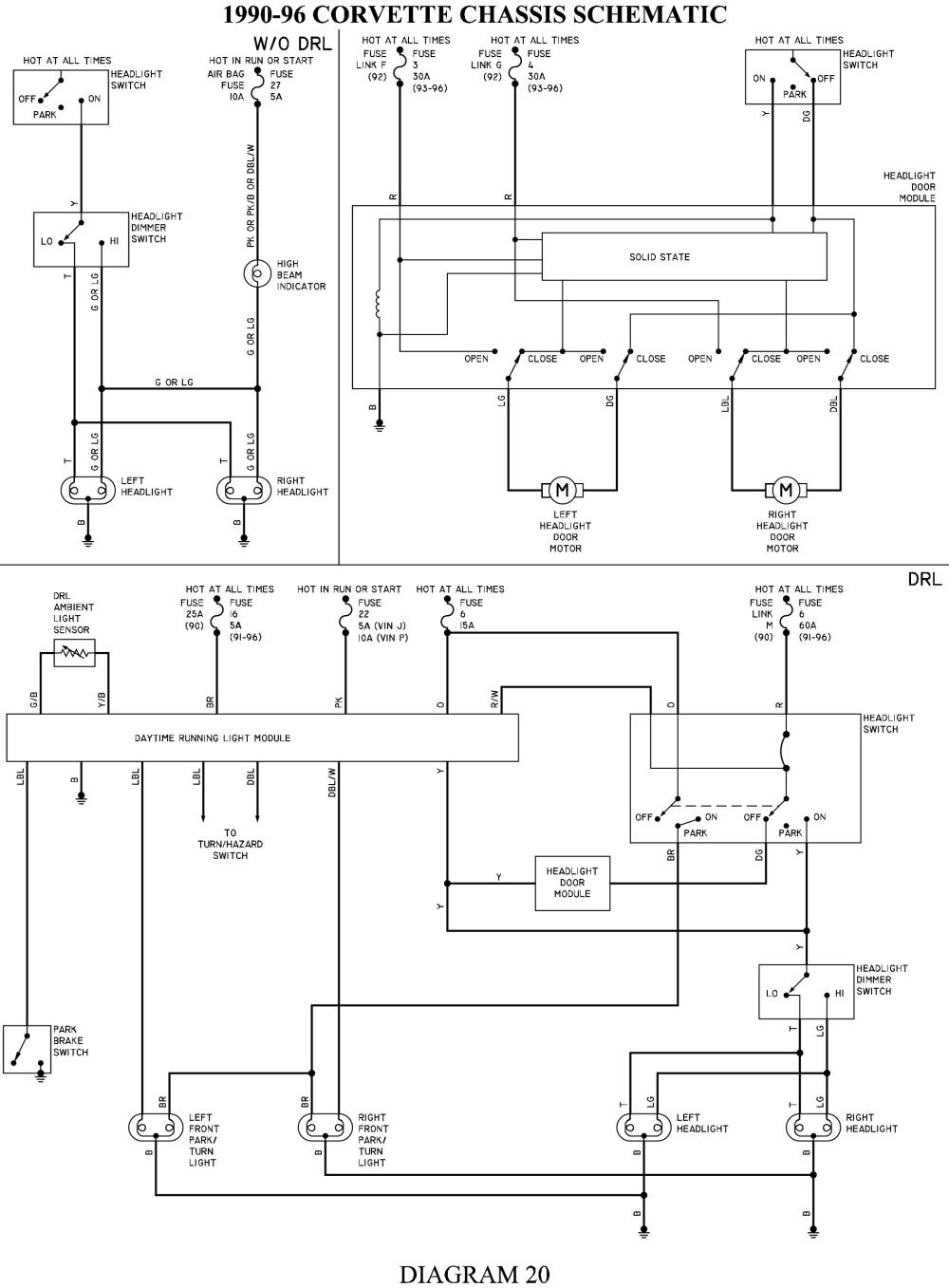
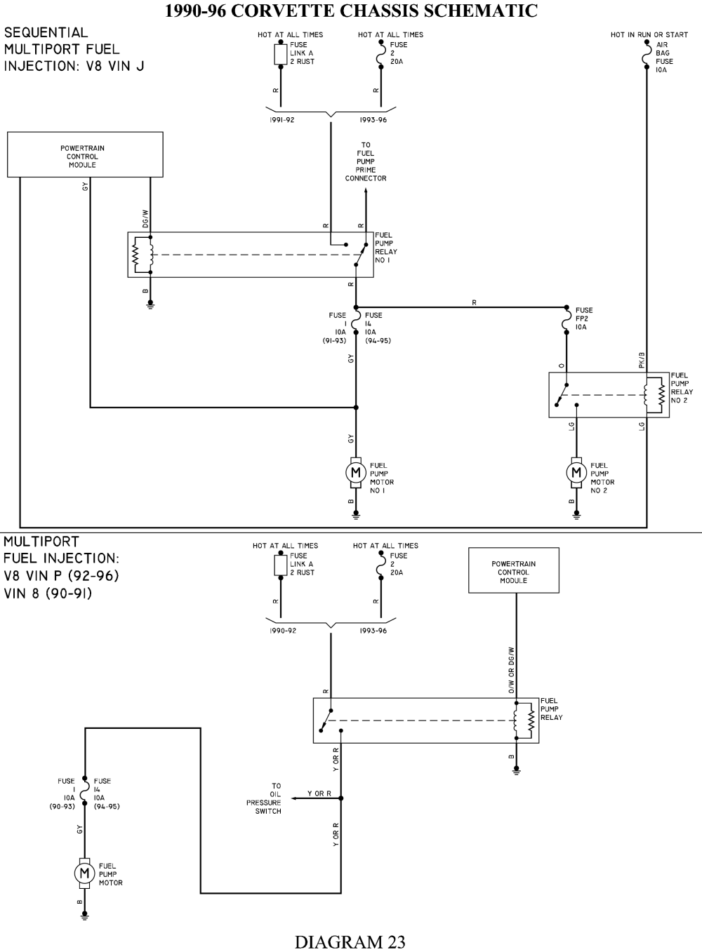
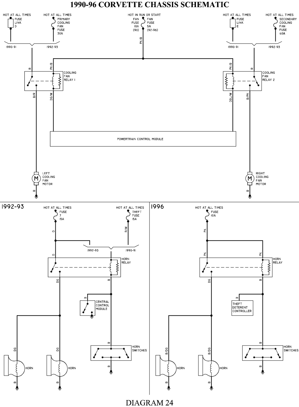
vettd19.gif

vettd20.gif

vettd213.gif

vettd22.gif

vettd23.gif

vettd24.gif

vettd25.gif


 
Last edited:
Back
Top