how to wire a shop.

grumpyvette

Administrator
Staff member
btw this may help, most garages need a welder or a lift,
sooner or later so youll more than likely need a 220 volt outlet (30-100amp)
you'll need to check with the local building codes to be 100% sure whats legal in your area
I would strongly suggest you never use anything but 10 ga copper wire and 20 amp outlets and 20 amp breakers on a 110 volt shop outlets
and use of 8 ga wire and 40 amp 220 volt outlets and breakers in a shop and use of GFI outlets on the 110 volt outlets is a good idea.
mounting outlets at least 48" off the floor to help prevent moisture-related issues and running all electrical circuits in steel conduit with a separate ground wire back to the panel and a neutral wire on each circuit helps

https://www.quora.com/How-can-I-replace-my-circuit-breaker-box-safely


https://www.youtube.com/watch?v=UwGoU3XVpnI


gold color screws are power, silver for neutral, green for ground wires
sprint_phone_086.jpg

Emery%20Jensen%20Distribution%20LLC_3008334xxA.epsxxHigh.jpg

main-qimg-b4b0a011b6052ea5c0d9b16d219d415b
81cc88c92e11e184d10abbdfe69f6991.gif

I've always suggested you have no more than TWO outlets per electrical
panel breaker
and use 20 amp outlets and use 10 ga copper wire

aca6c58b7c08eb2acd1639da8d88d7a1.gif


129-2940_IMG.JPG

garage8.jpg

2940a_IMG.jpg

http://www.csgnetwork.com/wiresizecalc.html
garage11.jpg

garage20.jpg

P1000311.JPG

this wiring stuffs not hard to do, but use the correct gauge wire and the correct plugs and sockets for the application and ID strongly suggest using a MINIMUM of 10ga wire for 120volt and 3/4" metallic conduit (use the correct single breaker rating for the application on the 120 volt)
120 v outlet end
black/power to the gold screw
white/neutral to the silver screw
green/ground to the green screw

120v at the box
black/power to breaker
white/ neutral to neutral bar
green/ ground to ground bar

and 6GA-4 GA on the high amp 230 volt applications,like WELDERS, little 230volt stuff like compressors and lifts get along fine with (3 or 4) 10 ga wires (use the correct dual breaker rating for the application on the 220 volt)

220v at the outlet
red feed to one hot
black feed to one hot
green to ground on plug
(optional but HIGHLY RECOMMENDED)
second green to the conduit ground screw

220v at the box
red to one side of DUAL breaker
black to one side of DUAL breaker
green/ ground to ground bar
optional green/ ground to ground bar
Paste the link above in a new tab, and there is an illustration.

This will help you figure out how to attach them to the panel. Each outlet is different based on ampacity. I think there is a 30A 220 shown

This is for a 220V receptacle without a neutral path (Two prong with ground)

The red and black are power wires that attach to the terminals marked either x or y individually
for example:
Black wire = x (Brass screw)
Red wire = y (Brass screw)
bare / green = G (green screw)

This is for a 220V receptacle with a neutral path (Three prong with ground)

The red and black are power wires that attach to the terminals marked either x or y individually

for example:

Black wire = x (Brass screw)

Red wire = y (Brass screw)
White wire = W or N (Silver screw)

bare / green = G (green screw)

A QUICK NOTE ON WIRE GAUGE: 10 gauge wire is heavier than 12 gauge wire, 8 gauge is heavier than 10 gauge and so on

How 220v works with 4 wires: (one wire to each)
1 Black wire carries 120v
1 Red wire carries 120v
1 White wire acts as a common
1 Green wire acts as a ground

How 220v works with a 3 wires:
1 Black wire carries 120v
1 Red/White wire carries 110v (if you use white flag it with red electrical tape)
1 Green wire acts as a ground/common

breaker.jpg


240v-outlet-testing.jpg

http://www.how-to-wire-it.com/wiring-a-4-way-switch.html


120v.gif

120 volt
220v.gif

220 volt

compressorreceptcal.jpg

compressorpigtail.jpg

30amp2pole.jpg

most guys will want a 30 amp two pole 220 volt rated switch controlling the outlet


eleca1.png


eleca2.png







yeah the building inspectors and tax assessment flunkies ,
are mostly crooks When I built my garage I had receipts for everything
I paid $137 K, they assessed the shop for taxes at $250K,
saying that is what the market value was regardless of what Id spent to build it!
and pointed out that the fantastic and extensively over minimal specs, electrical work
Id done, far exceeded minimal requirements and even if Id spent only about $5500 on materials,
it would have cost me $25K minimum to have any electrical contractor do similar work
when the inspectors saw Id specified 2 x 8 roof trusses and had paid extra to have custom rafters/trusses,

they further raised the shop value, when they saw I had installed a 200 amp breaker box an all above spec in conduit electrical work,
the inspector spent several hours trying to find something to GIG me on that was not up to spec,
but finely admitted everything FAR exceed county requirement




LINKS THAT MAY HELP


http://www.csgnetwork.com/wiresizecalc.html

http://code.necplus.org/sample/document ... cs70-300.5

http://www.nojolt.com/Understanding_240 ... uits.shtml

http://www.ehow.com/how_5614909_wire-22 ... utlet.html

http://www.xomba.com/how_to_wire_a_220v_wall_outlet

http://www.selfhelpandmore.com/home-wiring-usa/

http://www.mlec.com/Homeown.htm

http://www.passandseymour.com/pdf/U077.pdf

http://techpubs.sgi.com/library/tpl/cgi ... l/apb.html

http://www.homedepot.com/Electrical-Bre ... ogId=10053
 
Last edited by a moderator:
lots of guys have a 220volt clothes drier in their garage and they buy a small mig welder and the plug doesn,t match
the easy way is to buy a male plug/cord that fits the current outlet , similar to the driers current plug/cord and replace the current cord on your welder if you intend to still use the drier at times, you'll wire the two blacks or the red and black power leads to the two power prongs and the white to the neutral, the greens not used, except as a connector to the frame earth ground on some applications,
or buy about a 10-15 ft long cord from the local electrical supply house that matches your current 220 volt drier plug and replace the current plug/cord on the welder PROVIDED the circuits got the CAPACITY to safely handle the necessary amp load of the small mig or arc welder, if it doesn,t you'll be far better off, wiring up the correct plug and circuit dedicated for the welder,
stop by your local electrical supply and buy the cord and ask questions and take notes.
it sure won,t hurt to check your local building codes and talk with the local electrical supply house.
personally I would not even think about using less than a 10 gauge wire on any 220 volt circuit, and if the amp load is higher than about 30 amps you ll be smart to look into thicker wire gauge in some applications, a section of 3-4 conductor 2 gauge copper wire might be necessary in a few cases
keep in mind you pay a bit more for a larger gauge wire, initially but that larger gauge is going to carry heavier amp loads without overheating , and under marginal conditions that will prevent problems (fires), so its a very good idea to use larger than the absolute minimum gauge
Wire-Gauge-Chart.jpg

http://www.floridabuilding.org/fbc/...rants/grant_r98-6/2environmental/chapter5.pdf
before you start planing the electric , plan on eventually adding a few more outlets than you think you'll need initially as that's a given, in any shop, and keep in mind lighting is critical, so install more than just minimal lighting fixtures ,over head 4 foot quad florescent lighting about every 8-10 feet is usually a good idea
I,d strongly suggest mounting all electrical outlets on the wall at least 4 feet from the floor(I mounted, mine at 5 feet from floor) to reduce the tendency of water on the floor becoming an issue or floor space issues blocking or shorting out outlets

youll need to contact your local electrical inspectors and before you install the first breaker or outlet, in most areas you CAN do the work yourself , sometimes only IF the plans are certified by an electrical engineer (THAT COSTS YOU SOME MONEY, LOOK TO SPEND SEVERAL HUNDRED DOLLARS) and only after you have an approved and certified plan listing each outlet, breaker, and conduit, the length of each run, the amp load,, its height from the floor, each type of outlet and wire gauge you intend to use,ETC.
this can still save you thousands of dollars over the labor costs of having electricians install your shops outlets


youll need to contact the local building code guys to find out EXACTLY whats required, then get your electrical plans drawn out and approved before you start doing any install.
I chose to run everything in metallic conduit , it was more expensive but I wanted no problems,
youll need to have the wire gauge and length of runs listed and the amps on each circuit, and since you'll need to have it inspected its a good idea to get everything you can in writing and on their letter head with their approval before you start, then its a good idea to slightly EXCEED the minimum requirements, list on the main control box each circuit with the same number as on the plans, and discuss with BOTH the inspectors or your electrician exactly whats expected, as to outlets, locations wiring wire gauge and if its in conduit

I started out with a plan to install a 200 amp feed to a 30 breaker panel , and two 10 foot long copper ground rods
200.jpg

and run dedicated individual breaker controlled G.F.I. (GROUND FAULT PROTECTED) protected series of 10 groups three dual 110 volt outlets, so there was a dual outlet every 10 feet along the wall, each on a 20 amp (thats 10 breakers)

all 15-20 amp circuits used 10 ga wire and 3/4" conduit

breaker, and five separate 220 amp circuits
one 30 amp run for the lift
two 30 amp runs for the compressors
one 50 amp run for the MIG WELDER (4 gauge wire)( 1" conduit)
one 100 amp run for the TIG welder, 1 /0 wire) (1.5" conduit)
(thats 10 more breakers)

three 20 amp 120 volt circuits for fans
two 20 amp 120 volt circuits for lights
three 15 amp 120 volt circuits for motion detectors and alarms
leaving only 2 for future use

this at the time cost me about $7K in material, 2500 feet of conduit and 17 500 ft rolls of 10 gauge wire, I was quoted $29K, for less than this much electrical work but under my direction my sons with no experience installed this in under 6 long week ends, and it passed without problems
[/b]
 
Last edited by a moderator:
What I've done on multiple occasions is to install a 60 amp 240v sub panel in the typical garage or pole barn for guys who do car, welding or woodwork. I've seen alot of people think they need 100 or more amps but in 25 years of doing electrical work I can't recall someone blowing a main breaker unless there was a fault in the service feed wires. This requires running a 1" plastic PVC pipe from the service to the garage. Remember to try to minimize the 90 degree bends in the pipe. A total of 360 degrees of bends is the maximum before a junction box would be required by code. Install two #6 wires, one white #8 and one green #10 in the PVC pipe. If you have a 6 breaker panel or less you do not have to attach the wires to a main breaker in the garage, you can use a main lug only panel. If you have a panel with more than 6 breakers a main breaker will be needed. Pound a .625 ground rod into the earth near the base of the subpanel and run a solid #8 bare wire on the surface without a pipe around it, from the grouned conductor strip and install it on the ground rod with a special acorn nut. The code has changed a couple times on the use of the bonding screw that comes with the panel. Typically the main panel is bonded with the screw and the subpanel has an isolated ground that does not need the bonding screw installed. Attach the 2 #6 wires to a 60 amp 2 pole breaker in the main panel. Attach the #8 white to the strip where the white wires are landed and land the green #10 on the strip where the bare or grounding conductors are landed.
 
My last couple shops, Ive easily gotten by with a 60 amp sub panel/service. It will run most "hobby type" welders and a good sized compressor. Most of the time, like never- using both at the same time. I even had an old electric furnace a while ago that ran in the winter. If I had to weld, Id just turn down the thermostat, till the job was done.

60s good 4 me, and the wires cheaper too !
 
obviously anyone planing a shops electrical service requirements will need to list what they intend to use in that shop, and build the electrical service to match,
I looked into what I,d need with a couple freinds that were electricians, where I worked at AT&T while looking over the plans for my shop,during the blue-print stage, and with two compressors, a lift and the extensive over head lighting,110 outlets every 10 feet, welders, milling machine, drill press, extensive exhaust and ceiling fans, etc. I needed a 200 amp feed to insure I would not run into problems.
but every shop will have different requirements, so its best to both plan ahead and have some extra capacity for future growth, and a bit higher gauge wire than absolutely minimum requirements dictate for added safety
Wire-Gauge-Chart1.jpg

wiregaugechart3.jpg

wire12345.jpg
 
Last edited by a moderator:
it should be obvious that you'll need to check with and follow local building codes as a MINIMUM requirement in most electrical wiring installs,remember a CIRCUIT requires power flow in both directions so a 100 foot long run has 200 feet of resistance when calculating distance,amps and resistance.
one of the more common MISTAKES I see guys make is installing the shop electrical with a too small gauge wire, obviously larger diameter wire tends to cost more but it also carry's a heavier amp load without excess heat or resistance so you need to use the correct gauge wiring if you want your shop to remain trouble free, ID strongly suggest you have the wire of large enough gauge so it can safely carry more than the minimum amp rating an outlet might be expected to require, if you wire most 110 volt outlets with 10 ga , and any 30 amp 220 volt applications with 10 ga,and use the calculators and charts provided below you can find the correct gauge wire,in most applications. but you might want to strongly consider jumping up to the next larger gauge as a safety factor in many application, yes the cost of the wire and switches and outlets cost more but saving a few dollars at what might be the risk of fires or burnt out outlets is seldom a smart long term decision.
example
if your installing a 200 amp feed into your shop,main fuse box and the runs as an example 100 ft long, youll want 3/0 minimum according to many charts

http://www.powerstream.com/Wire_Size.htm

http://www.powerstream.com/Wire_Size.htm

http://www.amplepower.com/primer/gauge/index.html

http://en.wikipedia.org/wiki/American_wire_gauge

http://www.homeownershub.com/maintenanc ... 45144-.htm

http://wiki.answers.com/Q/How_do_I_calc ... ngths-amps


I've built both my own house and my shop in the last 12 years and I can confirm that its a huge time consuming P.I.T.A. but its MANDATORY that you personally over see each step in the process and all material used and each step in construction, if you want things built to the quality level you really want.
you'll never regret having installed more lighting, in fact as you age having better lighting is a noticeable advantage!
as I linked to I installed 21 quad 4 ft florescent ceiling fixtures on my shops 16 ft ceiling so that theres no place in the shop more than 6-7 feet from over head light fixtures and 12 dual 150 watt motion detector flood lights on the walls at a 10 ft height , that click on if they detect any movement and stay on for 15 minutes after the last motions detected.
I still use a few mechanics portable drop lights under the car
example in my shop I got 5 different electrical contractor quotes to install all the outlets,lights security and fans I wanted, I priced out the materials required and it totaled about $9800 in materials alone and that was with top quality components every thing in conduit and using a minimum of 10 ga stranded wire and some 2 ga and 00 ga copper wire , 21 quad light fixtures 27 60" ceiling fans and a double redundant alarm system and motion detector lights

all the contractor quotes exceeded $28K some were as high as $30K and every last quote was based on use of far cheaper components and 12 ga wire, and were no where as complex nor nearly as extensive as the finished job with all the conduit and wiring I finally installed, when all the lighting, fans, outlets welders etc. were installed , the vast majority of which had 3/4" metalic conduit and 10 ga copper wire and individual home run individually fused circuits
it took my sons and I installed everything to far exceed local electrical code requirements in just under 4 week ends
the local electrical inspector was very impressed and I easily passed inspection, he said it was the first time he had EVER seen anyone take the time to do every thing to well exceed code
if you figure 3 guys working 8 days and 10 hours a day thats 240-250 man hours, or if I took the MINIMUM quote I could have paid my kids and my self $50 and hour and still beat that quote and still saved money, and remember my sons had zero prior experience doing electrical work, and while I have a desk full of degrees as an engineer it was the first time I did a job like that from scratch without contractor help, so its not like its impossible for a non-electrician to do the work and remember I had to buy scaffolding and tools like several dewalt power screw drivers and hammer drills and lazer level tools etc.

BTW I watched several LICENSED electrical contractors on dozens of similar jobs before and since, not a single one did the QUALITY of work or used the QUALITY of materials I used in my shop, they ALL try to use the BARE minimum required by local code vs the BEST available parts for the application and NONE of them ran the number of extra ground wires and ground rods I used, nor did they bother to select the best quality outlets, rated at higher amp loads and home run EACH outlet and put each on a seperate breaker and label each on both ends for easy maintenance later
 
Last edited by a moderator:

The laws of physics would prove that to be impossible in my situation. ;) With four switches and one of them was a 3-way, The sheet rock was almost not strong enough when it came time to push all the wires into the box and I only used 12 ga wire. I used the deepest box that would go inside the wall. I would have never gotten 10 ga wire to cooperate.

How did you address this situation ???
 

Attachments

  • SwitchBox4Way.jpg
    SwitchBox4Way.jpg
    34.6 KB · Views: 1,249
Indycars said:

How did you address this situation ???

thats easy I planed the shop wiring BEFORE I built the shop, and installed 2700 feet of conduit, and 6000 feet of 10 ga and about 500 ft of 3/0 and some 120 feet of 4 ga and home run ran 3/4" conduit for all 110 circuits and home run ran,1" conduit for all the 220 circuits, and bought the outlet boxes and outlets the correct size for the applications before i started AFTER researching what was required

THIS IS A GOOD VALUE
163443.jpg


https://www.northerntool.com/shop/t...MIq4Gj3qeW2AIVVrXACh3l2QRxEAYYCCABEgK4afD_BwE

 
Last edited by a moderator:
grumpyvette said:
thats easy I planed the shop wiring BEFORE I built the shop, and installed 2700 feet of conduit, and 6000 feet of 10 ga and about 500 ft of 3/0 and some 120 feet of 4 ga and home run ran 3/4" conduit for all 110 circuits and home run ran,1" conduit for all the 220 circuits, and bought the outlet boxes and outlets the correct size for the applications before i started AFTER researching what was required

But how does that help you push all that wiring back into the box after you have made you're connections to the switches/receptacles ??? That 10 ga wiring is very stiff. Evidently it can be done.

 
Indycars said:
But how does that help you push all that wiring back into the box after you have made you're connections to the switches/receptacles ??? That 10 ga wiring is very stiff. Evidently it can be done.
Wire-Gauge-Chart.jpg

16dbd753-4d4c-40ea-9451-0dbc27426fe0_300.jpg

http://www.homedepot.com/s/wire+stripper?NCNI-5
http://www.homedepot.com/p/Ideal-Stripm ... 819657-_-N
70222843_large.jpg

http://www.alliedelec.com/search/produc ... U=70222843
70222844_large.jpg

http://www.alliedelec.com/search/produc ... U=70222844

http://www.homedepot.com/h_d1/N-5yc1v/R ... ogId=10053
youll need
black
white
&
green for 120 volt circuits
and
black
red
&
green
for low amp 220 circuits
youll need other thicker ga for high amp circuits

220px-Stranded_lamp_wire.jpg

10garc.png

I used at least a hundred plus of these ring connectors, to connect wire to outlets screws
http://www.homedepot.com/p/Leviton-Smar ... 5yc1vZc33a


you just always use STRANDED 10ga and TIN the ends when making connections, and youll find its not nearly as hard to bend as solid core 10 ga and as a bonus stranded carry's higher amps
if you use solid core your shooting your self in the foot before you start


Ive got a 16 ft ceiling height, Ive got 21 evenly spaced T8 quad 48" lighting fixtures wired so that I can turn on either every other row or all the fixtures (the picture looks far darker than it really is due to the camera light sensor)
Ive also got (18) 60" commercial fans

fan60.jpg


and two ceiling duct exhaust fans
fan62.jpg

fan61.png

garage20.jpg

I then added 8 dual bulb flood light motion sensor lights on the walls at a 10 ft height to produce side lighting angles.
motionsensor.jpg

drop1.jpg

I also have these when required
light2.jpg


all my dual 110 volt electrical outlets are mounted at 5 ft off the floor in 3/4" conduit using (3) 10 gauge wire feeds the first in each group is a 20 amp GFI outlet and two more 20 amp dual outlets and every group of three outlets is on a separate independent 20 amp breaker in the main fuse box and each set of three outlets are in 4" metal gang boxes with metal cover plates

raco-covers.jpg


raco-covers.jpg
f4f68aa9a4751d466f7bf020f936128d.gif
 
Last edited by a moderator:
Hey rick,looks like most of your problem is wire management! :lol:
Strip the jacket off the cable at the entrance of the box.Leave all wires extra long!Maybe a foot long.Then lay them in the back of the box side to side.
Once that's done,then begin to make up the switches and wire nuts.
As each connection is made,lay in in the box out of the way.Way easier,although too late for this box.
The code also has a minimum cubic inch capacity for the number of wires in an outlet or junction box.
Mike. :)
 
100% Chevy said:
Hey rick, looks like most of your problem is wire management! :lol:
I had a meeting with the wires to discuss my management style, but I don't think they were listening. :)

Strip the jacket off the cable at the entrance of the box.Leave all wires extra long!Maybe a foot long.Then lay them in the back of the box side to side.
Once that's done,then begin to make up the switches and wire nuts.
I think I understand your point. I would agree it's easier to bend a long wire, than a short wire, which is the point of leaving the wire extra long.

As each connection is made, lay it in the box out of the way. Way easier, although too late for this box.

The code also has a minimum cubic inch capacity for the number of wires in an outlet or junction box.
I realize there is NEC code for boxes, don't remember if I tried to confirm compliance or not. I used the biggest box that would fit between walls, about 3-1/2" deep. The depth of a 2x4.

Mike. :)

Next time I will consider stranded wire for such situations, like Grumpy used.
 
Didn't mean to sound like I was preaching!
Most people are un-aware of the different types of electrical devices available.
There are boxes designed for all situations.
Your 4 gang box is what I call an "old work box".It is small.
Stranded wire calls for different connection methods because you can't just clamp the wire in a mechanical terminal-should use crimped lugs.Cost more and takes more time.Why it's not normally used in general purpose circuits.
Mike. :)
 
100% Chevy said:
Didn't mean to sound like I was preaching!
Wasn't taking it that way Mike. Glad to see someone that must work with this stuff every day respond. There is nothing like "been there, done that", experience.

Most people are un-aware of the different types of electrical devices available.
There are boxes designed for all situations.
Your 4 gang box is what I call an "old work box".It is small.
Was there a way to use a bigger box in this situation with 2x4 walls ???

Stranded wire calls for different connection methods because you can't just clamp the wire in a mechanical terminal-should use crimped lugs. Cost more and takes more time. Why it's not normally used in general purpose circuits.
I'm never interested in the fast way, just the better way when I know there is a choice.

Mike. :)
 
Indycars said:
100% Chevy said:
Didn't mean to sound like I was preaching!
Wasn't taking it that way Mike. Glad to see someone that must work with this stuff every day respond. There is nothing like "been there, done that", experience.

Most people are un-aware of the different types of electrical devices available.
There are boxes designed for all situations.
Your 4 gang box is what I call an "old work box".It is small.
Was there a way to use a bigger box in this situation with 2x4 walls ???

Stranded wire calls for different connection methods because you can't just clamp the wire in a mechanical terminal-should use crimped lugs. Cost more and takes more time. Why it's not normally used in general purpose circuits.
I'm never interested in the fast way, just the better way when I know there is a choice.

Mike. :)

I don't wire houses every day.
Most of my electrical experience is in petro/chemical,ships,oil rigs,etc.
For the last 33 years,I've been licensed somewhere,here since 1985.
I'm now semi-retired and just do service work now.
There's one box that's 4"x4"x1.5" deep that goes behind the wallboard and gets what is called a plaster ring to close the front down to the switch size.Can be had in a lot of different widths to put as many devices as needed.Just one way to do it.Comes in plastic or steel.
I would rather use stranded wire myself,but again the time and cost makes it out of the budget for most.
Mike. :)
 
Could solid wire be run to just above the switch/receptacle and then switch to stranded wire for the last
few feet ??? In my situation, seems it would be hard to push stranded wire thru PVC conduit, so I would need to use
solid wire in the beginning of the run.
 
Indycars said:
Could solid wire be run to just above the switch/receptacle and then switch to stranded wire for the last
few feet ??? In my situation, seems it would be hard to push stranded wire thru PVC conduit, so I would need to use
solid wire in the beginning of the run.

you almost never PUSH WIRE in conduit, we normally put a bit if plastic wrap , crumpled up like a loose fitting conduit size clump and tie some string to it, push it about 6" into the conduit and then use a compressor and nozzle
nozzle.gif
to blow the strong string tied to the line (usually parachute cord,) thru the conduit then tie the string to the wire, tape the ends in a tapered tip, and pull it thru the conduit after coating the wire with a lube like dish soap liquid or WD 40 every few feet as its pulled thru the conduit, it helps a great deal to have one guy feeding and lubing the wire as it enters the conduit and a second guy pulling steadily
it also helps to have no more than 270 degrees of turns in conduit between access boxes and use long sweeps in turns


http://www.google.com/products/catalog? ... IoBEPMCMAI
 
Last edited by a moderator:
To make life easier for me to pull new circuits in the future, I ran PVC conduit from my breaker box to the middle
of my attic. It stops about 3 feet from the attic access door. It was easy for me to push what I have so far, but while
I was there I included a pull string for the future. For me it's been easier to just push the cable, who knows when the
conduit get more circuits in them.

The biggest reason for using solid wire in my case would be the cost. But if can use stranded wire when I get close to
the box, then that would be more economical. That's why I was wondering if you could use both types of cables and
how would you join them in accordance with NEC code.

Here is what my situation looks like.
 

Attachments

  • DSC00015a.jpg
    DSC00015a.jpg
    43.4 KB · Views: 837
  • Conduit90Elbo02a.jpg
    Conduit90Elbo02a.jpg
    20.5 KB · Views: 837
  • DSC00009a.jpg
    DSC00009a.jpg
    26.3 KB · Views: 837
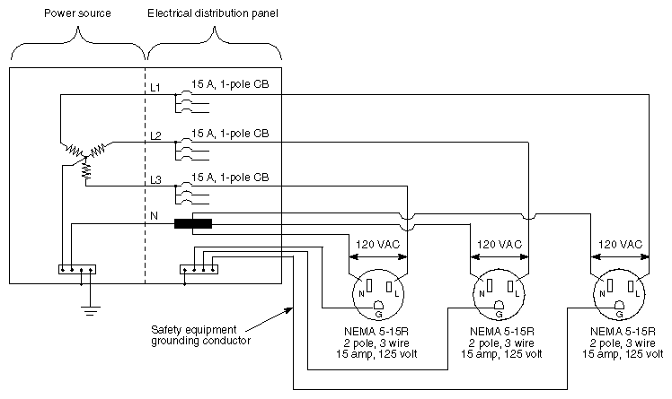
this wiring stuffs not hard to do, but use the correct gauge wire and the correct plugs and sockets for the application and ID strongly suggest using a MINIMUM of 10ga wire for 110 volt wiring and 3/4" metallic conduit (use the correct single breaker rating for the application on the 110 volt)
110 v outlet end
black/power to the gold screw
white/neutral to the silver screw
green/ground to the green screw

110v at the box
black/power to breaker
white/ neutral to neutral bar
green/ ground to ground bar

3way_blownupend.jpg.gif

wire3waylightswitch.gif


In some cases youll want the option of wiring in a light switch that allows you to enter or leave by two different entrance doors yet turn on or off the lights with a switch at either entrance.

gfci-wiring-multiple-outlets.gif

grns5.jpg

GFI outlets are the PREFERRED style in any shop where the concrete or tile floor might get wet forming a good ground when using power tools or portable lighting or extension cords, etc. for safety reasons
GFI Features and Benefits
Automatically test the GFCI-receptacle every time the RESET button is pushed in. The GFCI-receptacle will not reset if the GFCI circuit is not functioning properly.
By blocking reset of the GFCI if protection has been compromised, Smart Lock PRO reduces the possibility of end-users incorrectly assuming that a reset GFCI outlet is providing ground fault protection when it actually is not.
A line-load reversal diagnostic feature is provided which prevents the GFCI-receptacle from being reset and stops power from being fed to the GFCI-receptacle face or through to downstream devices. A green LED indicator on the GFCI's face also illuminates to alert the installer to the line-load wiring reversal.
The trip latch mechanism in Smart Lock Pro GFCIs is a one piece "T" design for efficient operation.
There are 4 sets of contacts for load terminals and face. Smart Lock PRO GFCI-receptacles use a patented bifurcated bridge contact for efficient operation.
Trip threshold meets or exceeds UL requirements for tripping time.
Improved immunity to high-frequency noise reduces nuisance tripping.
Advanced electronics design provides superior resistance to electrical surges and over-voltages.
Expanded wiring options with nine back-wire holes (two for each line and load connection plus one for ground with an internal clamp).


EVERY OUTLET SHOULD BE GROUNDED TO THE METAL CONDUIT PLUS THE GREEN GROUND WIRE, so in most cases having these mini ground straps you can purchase cheaply helps speed up the wiring process

grns1.jpg

grns2.jpg

grns3.jpg

grns4.JPG

16dbd753-4d4c-40ea-9451-0dbc27426fe0_300.jpg

http://www.homedepot.com/s/wire+stripper?NCNI-5
http://www.homedepot.com/p/Ideal-Stripm ... 819657-_-N
70222843_large.jpg

http://www.alliedelec.com/search/produc ... U=70222843
70222844_large.jpg

http://www.alliedelec.com/search/produc ... U=70222844

http://www.homedepot.com/h_d1/N-5yc1v/R ... ogId=10053
having the correct tool to thread metallic outlet boxes for easy use of those ground screws helps
 
now I recently looked back over my receipts and I found I purchased and installed

http://www.powerstream.com/Wire_Size.htm
in my 36 ft deep, x 75ft wide,x 16 ft tall shop
12 500 foot rolls of 10 ga stranded wire,
1200 ft of 3/4" conduit,
1100 ft of 00 gauge feed
4 10ft copper ground rods,
24 dual 120 volt outlets.
mounted every 10 feet along the walls
6- 230 volt outlets, for
(two air compressors, a mill, the welders, and the car lift)
21 quad florescent 4ft ceiling fixtures,
plus
18 60" industrial ceiling fans
two 2400cfm roof exhaust fans,
8 dual lamp motion sensor lights,
and a rather extensive alarm system,
plus a phone system.
a 200 amp service box with 24 breakers
I installed it myself (with the help of friends and my two grown sons ) over about a months time,
to better than building code required specs, and saved at least
70% of what the local electricians quoted but still had about $6K in electrical related materials
when I wired my shop a 500 ft roll of 10 ga stranded copper wire cost $67 each, I just priced them yesterday at $110 each per roll, no doubt the other components went up a similar amount, over the last few years time also.
but Id been quoted $15-$20K when I showed electricians what I wanted, with it all in conduit, all home run and all at least 10 ga copper stranded wire, and what I got quoted on was not nearly all that was installed because as I got into the project I kept adding additional lighting and outlets as I saw a need
the electrical inspectors were very impressed once it was done!
 
Back
Top