tracking down the problem getting the engine started

grumpyvette

Administrator
Staff member
If your car won,t start consistently, you need to isolate the problem to the source,
you can,t isolate the cause without understanding the process, so you may as well start looking into how and why each step in the process starts , and how each step functions and triggers the next step.
your sensors are feeding data to the cpu, and its almost always a failure of a sensor to see what is expected,or a sensor failing to trigger the next step that causes problem.
if the sensor doesn,t see the ground or voltage or resistance it expects the cpu, won,t allow the next step in the process
first step break it down into seven basic areas

(1) does the engine spin?
(2) does the engine have the correct level of consistent fuel pressure at the injectors?
if your using a carb, do you see fuel squirt when the throttles opened
(3) are you getting ignition spark and... are you getting it at the correct time? (got a timing light?, have you verified TDC?)
(4) do you have compression in each cylinder
(5) are the valves opening and closing at the correct time, and opening to the correct distance?
(6) are there any vacuum or fuel leaks
(7) are the injectors working correctly, or is the carburetor working as designed?

having a few basic meters,gauges etc. helps

image_6238.jpg

MULTI METER
irtemp.jpg

INFRARED TEMP GUN
timinggag.jpg

TIMING LIGHT
compgaga.jpg

COMPRESSION GAUGE
pressuregag.jpg

PRESSURE/VACUUM GAUGE
12cal.jpg




every mechanic needs an ANALOG multi meter for testing capacitors with a micro farad scale, AND a DIGITAL MULTI METER
analogmulti.jpg


fuelcirc1.png


aldllink.jpg

CHECK ALL YOUR FUSES WITH A MULTI METER
fuse_box.jpg


viewtopic.php?f=70&t=514

http://www.corvettebuyers.com/c4vettes/codes.htm

viewtopic.php?f=50&t=3110

viewtopic.php?f=103&t=7085&p=23611&hilit=cable+connections#p23611

viewtopic.php?f=70&t=840&p=2309#p2309

viewtopic.php?f=36&t=767

check for vacuum leaks and loose connections and timing issues, and your fuel pressures at least 37 psi, FIRST
set your IAC and TPS to factory settings, but first check your shop manual for the fuse and fuse able link locations
fuses are located in several locations and fuse-able links near the battery

http://www.chevythunder.com/est_code_42.htm

http://www.chevythunder.com/Flow chart index.htm

http://www.thirdgen.org/tpimod2

L-98 Engine Start Sequence

knowing whats going on and WHY can help

When you start an L-98 engine Corvette, a series of events take place that causes the engine to run. Knowing the sequence will help you troubleshoot no start conditions.

Fuel Rail Pressurization:

When you first turn the key to the “on†position, the fuel pump will run for 2 seconds pressurizing the fuel rails. There is a Shraeder valve on the passenger side fuel rail near the rear of the engine and if you measure the pressure there after the pump runs, you should see between 40-42 pounds of pressure. The reading will go to 38-40 pounds nominal once the engine is running.test by attaching a fuel pressure gauge to the fuel rail at the shrader valve, on TPI and LT1 engines its located on the pass side fuel rail

Initial Crank Action:

If you then rotate the key to the start position (assuming the anti-theft system has not disabled the starter), the engine will rotate.

Once the oil pressure has reached 4 PSI, the oil pressure switch will close allowing the fuel pump to run. (Note that you should have a black oil pressure switch/sender. It is mounted behind the distributor on the driver’s side and if it is not black, it is suspect due to a run of bad units that stayed in the GM parts pipeline for some time).

The distributor will send a string of pulses to the ECM (Engine Control Module) in response to the engine being rotated by the starter. These pulses continue as long as the engine turns (both starting and running) and if they are not present, the engine will not run.

ECM Reaction:

If the ECM sees oil pressure greater than 4 PSI and the reference pulses from the distributor, it will energize the injector drivers which will begin pulsing the injectors on for 4 ms (milliseconds) periods. (In the L98, all injectors on one side of the engine fire at the same time followed by all injectors on the other side firing at the same time. On the LT-1, the injectors are fired individually at the appropriate time).

The ECM will also pull in the fuel pump relay in effect paralleling it electrically with the oil pressure switch. (If the fuel pump relay fails, you can still normally get the car to start and run unless you can’t make at least 4 PSI oil pressure. This is a “limp home mode†feature put in place to allow for a fuel pump relay failure).

The ECM also monitors the TPS (Throttle Position Sensor mounted on the throttle body assembly) and wants to see .54 volts at this time. If it sees appreciably more than 0.54 volts, it will assume the engine is flooded and the driver has pressed the accelerator to the floor to clear the flooded condition and restrict the fuel flow as a result. (.54 volts during start and at idle from the TPS is very important to both starting and run performance.)

Assuming the ignition module is good (meaning there is a spark of sufficient intensity to ignite the fuel), the engine will “catchâ€.

Engine "Catches":

When the engine catches, the MAF (Mass Air Flow sensor mounted just ahead of the throttle body) sends a signal to the ECM advising that air is flowing and also just how much air is being pulled through to the intake manifold. The ECM takes note of the amount of air being consumed and adjusts the injector pulse width to around 2.2 ms nominally so as to attain a proper air/fuel mixture to insure combustion. (This is how the 1985 through 1989 L-98 works. For information on the 1990 and 1991 L-98 variant, see the Note below).

The engine should show an initial idle speed of around 900-1100 RPM and then slowly diminish to 600-700 RPM unless the air conditioner is on in which case it will run at around 800 RPM.

If this does not happen, the Idle Air Mixture valve (located on the throttle body) may be misadjusted. Alternatively, there may be a leak in the intake manifold or another vacuum leak may be present. Listen for hissing sounds---there should be none.

ECM Mode:

The engine will now be in Open Loop mode meaning that the ECM is controlling the air/fuel mixture by referencing values stored in memory.

Once the Oxygen sensor (mounted on the exhaust pipe) reaches operating temperature of several hundred degrees, the Manifold Air Temperature (MAT) sensor shows an intake air temperature of more than 140 degrees and the Engine Coolant Temperature (ECT) has reached 160 degrees, the computer will switch to closed loop mode meaning the Oxygen sensor’s output is examined along with the MAT and ECT outputs and the ECM adjusts the injector pulse widths (more “on time†or less “on timeâ€) to constantly strive for a 14.7:1 air/fuel mixture which is the best mixture to hold down pollution.

Note that prolonged idling can force the computer back into open loop mode.

Note: In 1990, the MAF was eliminated from the engine in favor of a speed/density system. This system uses a sensor called the MAP sensor which measures the Manifold Absolute Pressure (hence the name MAP) and compares it with the atmospheric pressure outside the intake manifold. This information, coupled with the Manifold Air Temperature, Engine Coolant Temperature and Engine RPM is used by the ECM to determine the amount of air entering the cylinders. It is a different way of reaching the desired 14.7:1 air-fuel mixture ratio but functionally is like the MAF system in that the ECM uses the feedback to control the "on time" for the injectors.

Corvette used this approach in the 1990 and 1991 L-98 engines and in the 1992 and 1993 LT-1 engines. With the 1994 model C4, they went back to the MAF system. Note that MAF based systems are far more accurate since they measure air flow directly whereas the MAP system infers air flow indirectly. A multitude of things can throw the calculation off and Corvette returned to the MAF system beginning with the 1994 C4 (with a MAP backup). From a troubleshooting standpoint, the MAP operation comes into the sequence the same place that the MAF does.

Summary:

If you have a no start condition or if the L-98 starts and then dies, check the above items in sequence to see if all the events are occurring as required.

A Scan Tool makes this job much easier and is a highly recommended troubleshooting aid for these sorts of problems.



http://www.harborfreight.com/cpi/cta...emnumber=46030

Most of the C4 Corvettes used a MAF (Mass Air Flow) sensor to determine how much air is being pulled into the intake manifold. The exceptions are the 1984 Corvette that used a speed density system--a sort of predictive method of measurement---and the 1990 through 1993 C4 models which were also speed density based. In 1994, Corvette went back to the MAF based system but used the speed density approach as a back up. (1989 Bosch MAF installation shown at right).

A Mass Air Flow sensor has an extremely fine wire inside its bore. The 1985 through 1989 C4 engines used a Bosch MAF sensor that heated the wire to 100 C. The 1994 and later C4 models used a AC/Delco MAF that heated the wire to 200 C. The amount of current required to reach the temperature is measured in each case. (Note: the LT-5 engine used in the ZR-1 used a speed density system and continued to use that system in 1994 and 1995 since the engines had already been made prior to the last two years of production. The ZR-1 therefore has no MAF even after Corvette went back to the MAF based system).

Theory of Operation

As the air travels past the heated wire enroute to the intake manifold, it will cool the wire and additional current is added to again heat the wire to the design temperature. Since the amount of air moving past the sensor is directly related to the amount of cooling experienced by the heated wire, a feedback condition is established whereby the exact amount of moving air is directly related to the amount of current passing through the wire and the intake air is therefore precisely measured.

Once the amount of air is known, the computer controlling the engine can add or subtract fuel as required to maintain the magic 14.7:1 air-fuel mixture resulting in the cleanest burn possible from an emissions (pollution) standpoint.

It does this by varying the "on time" of the fuel injectors. The injectors are pulsed on and off and the width of the pulse is lengthened or shortened as required. When you first start a typical engine, the pulse width is around 4 milliseconds but as soon as the engine "catches" the pulse width is shortened to about 2.2 milliseconds for idle. During operation, the measured air flow through the MAF will cause the computer to increase or decrease the pulse width as explained above.

MAF Operating Conditions

The Bosch MAF is more complex than the AC/Delco version. Both measure the air flow but the Bosch MAF has a circuit called the 'burn-off circuit' that cycles on for about 2 seconds when you shut the engine down. This circuit heats the wire to a high enough temperature to burn off any residue that may have collected on the wire during operation. If you are in a quiet area, you can hear the relays click on and then off on a 1985-1989 C4 as the burn-off cycle occurs.

There are two relays involved with the Bosch MAF: A power relay that passes current to the MAF wire during normal operation and the burn-off relay that provides the current for the cleaning cycle. Both are located on the firewall in the engine compartment, just behind the battery on the drivers side. Bad MAF power and burn-off relays can cause hard starting problems and should be changed periodically as preventative measure and any time you experience hard starting conditions.

The AC/Delco MAF has a power relay but no burn-off relay. For this reason, you should pay even closer attention to the condition of your air filter on a later model C4 than normal since a contaminated wire in a AC/Delco MAF is going to stay contaminated for the most part and cause false signals to be passed to the computer.

Also, the Bosch MAF outputs its information as a analog signal to the computer but the AC/Delco sends its signal as a digital component of varying frequency. For this reason, you cannot measure it's operation directly.

A scan tool is generally the best way to troubleshoot engine problems and with the 1994 and later Corvette, it is virtually mandatory. (An oscilloscope will also work on the AC/Delco MAF but a regular test meter will not).

MAF Problems

Faulty MAF sensors will normally light the check engine light on the drivers information center if the problem is constant and store a trouble code. If intermittent, a trouble code will still be stored as long as the battery is not disconnected.

Normally, the problem is a poor connection at the sensor and wiggling the wires, unplugging and reinserting the connector will often cure the problem.

A faulty MAF will normally cause a no start or difficult start condition and although you can eventually get the car into the "limp-home" mode in most cases, you need to attend to the problem ASAP.

this flow chart might help

http://members.shaw.ca/corvette86/Fu...mDiagnosis.pdf

AC/Delco sensors can become intermittent or give false readings if the wires become contaminated as explained above.

The MAF is a critical part of the emission control system and as such will cause the computer to react to problems very quickly, setting trouble codes and reducing performance in ways that cannot be ignored for long.

MAF Mods

The Bosch MAF is often modified by removing the two screens that are present in the front and rear of the cylinder. Removing these screens significantly increases the air flow through them and this results in more horsepower. Removing the screens is an old trick from the Corvette Challenge days in 1988 and 1989. It does work but is illegal in many states so be advised not to do anything that will get you arrested for a pollution violation.

The AC/Delco MAF is not readily modified. It is what it is but since it is a larger diameter than the Bosch, it responds well to changing the air filter to a free flowing type such as the K&N filter.
Welcome to C4 vette codes it is very ....repeat very
important that if you are not savvy of working on your
vette ...you would be better off - taking your car to a
dealership for repairs on your trouble codes.
However if you feel that you want to dive right in ..than you
have come to the right place.First locate your car's alcl
this component is located just below the instrument panel and
to the left of the center console. Remove the plastic cover
the first two slots to your right are the A & B slots for a drawing of
the alcl module's picture is added below.
The A slot is the diagnostic slot and the B slot is the ground
slot. insert the computer key into these slots (with the engine
off) this is very important...now only put the ignition key
to on ( not start !!!) the check engine light will display a
code 12 which is one flash followed by two flashes.
this code will be flashed three times ..followed by the
trouble code stored in your car's computer.
what ever the code is it will be flashed three times.
have a paper and pencil ready and write down the
code .

code 13 =1 flash followed by 3 flashes =>oxygen sensor
code 14 =1 flash followed by 4 flashes =>coolant sensor
code 15 =1 flash followed by 5 flashes =>coolant sensor
code 21 = 2 flashes followed by 1 flash =>throttle position sensor
code 22 = 2 flashes followed by 2 flashes=> throttle position sensor
code 23 = 2 flashes followed by 3 flashes=> manifold air temp sensor
code 24 = 2 flashes followed by 4 flashes=> vehicle speed sensor
code 25 = 2 flashes followed by 5 flashes=> manifold air temp sensor
code 32 =>egr system
code 33 =>map sensor
code 34 =>maf sensor
code 35 => idle air control
code 41 => cylinder select error
code 42 => electronic spark control
code 43 => electronic spark control
code 44 => lean exhaust
code 45 => rich exhaust
code 51 => PROM
code 52 => fuel calpak
code 53 => system over voltage
code 54 => fuel pump circuit
code 55 => ecm
code 62 => oil temp
please remember that if you have the computer key installed
in the alcl and you start the engine ( you will ruin the engine's computer
)
only put the ignition to on (not to start)
If you should get a check engine soon display.. you can use
the above procedure and codes to buy the right part
or at the very least to keep from getting taken for a ride
and be made to pay hight prices for some inexpensive
module that you could have installed yourself.
You never ask a barber if you need a haircut ..
so you have to be on guard they will see you comming
a mile away.
If your engine displays a trouble code ... your engine will
go into limp mode ..it will still run but very poorly.
you might be able to reset the computer if it will not start
( just to get home ) by disconnecting both battery cables
and re-installing them ...this is not recommended ..but if
you are stranded it might help unitl you get your car home
or to a repair shop..good luck

1985 TO 1991:

Code #12: Normal No Codes.
Code #13: Open Oxygen Sensor Circuit.
Code #14: Coolant Sensor Circuit Low.
Code #15: Coolant Sensor Circuit High.
Code #21: Throttle Position Sensor High.
Code #22: Throttle Position Sensor Low.
Code #23: Manifold Air Temperature Circuit High.
Code #24: Vehicle Speed Sensor.
Code #25: Manifold Air Temperature Circuit Low.
Code #32: EGR System Failure.
Code #33: Mass Air Flow Sensor High.
Code #34: Mass Air Flow Sensor Low.
Code #36: Mas Air Flow Sensor Burn-Off Function Fault.
Code #41: Cylinder Select Error.
Code #42: Electronic Spark Timing.
Code #43: Electronic Spark Control.
Code #44: Lean Exhaust indication.
Code #45: Rich Exhaust Indication.
Code #46: Vehicle Anti Theft Fault.
Code #51: Faulty Mem-Cal.
Code #52: Fuel Calpak Missing.
Code #52(1990-91 Corvette Only): Engine Oil Temperature Sensor Low.
Code #53: System Over Voltage.
Code #54: Fuel Pump Circuit Low Voltage.
Code #55: Defective ECM.
Code #62: Engine Oil Temperature Sensor Circuit High.

ECM CODES 1992 TO 1993:

Code #12: Normal No Codes.
Code #13: Left Oxygen Sensor Circuit.
Code #14: Coolant Temperature Sensor Circuit High.
Code #15: Coolant Temperature Sensor Circuit Low.
Code #16: Opti-Spark Ignition Timing System.( Low Pulse)
Code #21: Throttle Position Sensor Circuit High.
Code #22: Throttle Position Sensor Circuit Low.
Code #23: Intake Air Temperature Sensor Circuit Low.
Code #24: Vehicle Speed Sensor Circuit.
Code #25: Intake Temperature Sensor Circuit High.
Code #26: Quad-Driver Module #1 Circuit.
Code #27: Quad-Driver Module #2 Circuit.
Code #28: Quad-Driver Module #3 Circuit.
Code #32: Exhaust Gas Recirclation Circuit.
Code #33: Manifold Absolute Pressure Sensor Circuit Low.
Code #34: Manifold Absolute Pressure Sensor Circuit High.
Code #36: Opti-Spark Ignition Timing System. (High Resolution Pulse.)
Code #41: Electronic Spark Timing Circuit Open.
Code #42: Electronic Spark Timing Circuit Grounded.
Code# 43: Electronic Spark Control Circuit.
Code #44: Left Oxygen Sensor Circuit Lean.
Code #45: Left Oxygen Sensor Circuit Rich.
Code #51: Mem-Cal Error.
Code #52: Engine Oil Temperature Sensor Circuit Low.
Code #53: System Voltage.
Code #55: Fuel Lean Monitor.
Code #56: Vacuum Sensor Circuit.
Code #61: Secondary Port Throttle Valve System.
Code #62: Engine Oil Temperature Sensor Circuit High.
Code #63: Right Oxygen Sensor Circuit Open.
Code #64: Right Oxygen Sensor Circuit Lean.
Code #65: Right Oxygen Sensor Circuit Rich.
Code #66: A/C Pressure Sensor Circuit Open.
Code #67: A/C Pressure Sensor Circuit. (Sensor or A/C Clutch Circuit Problem)
Code #68: A/C Relay Circuit Shorted.
Code #69: A/C Clutch Circuit.
Code #72: Gear Selector Switch Circuit.




CODES 1994 TO 1996:

DTC #11: Malfunction Indicator Lamp Circuit.
DTC #13: Bank #1 Heated Oxygen Sensor #1 Circuit:
DTC #14: Engine Coolant Temperature Sensor Circuit Voltage Low.
DTC #15: Engine Coolant Temperature Sensor Circuit Voltage High.
DTC #16: Distributor Ignition System Low Pulse.
DTC #18: Injector Circuit.
DTC #21: Throttle Position Sensor Circuit Voltage High.
DTC #22: Throttle Position Sensor Circuit Voltage Low.
DTC #23: Intake Temperature Sensor Circuit Voltage High.
DTC #24: Vehicle Speed Sensor Circuit.
DTC #25: Intake Air Temperature Sensor Circuit Voltage Low.
DTC #26: Evaporative Emission Canister Purge Solenoid Valve Circuit.
DTC #27: EGR Vacuum Control Signal Solenoid Valve Circuit.
DTC #28: Transmission Range Pressure Switch Assembly Fault.
DTC #29: Secondary Air Injection Pump Circuit.
DTC #32: Exhaust Gas Recalculation.
DTC #33: Manifold Absolute Pressure Sensor Circuit High.
DTC #34: Manifold Absolute Pressure Sensor Circuit Low.
DTC #36: Distributor Ignition System High Pulse.
DTC #37: Brake Switch Stuck On.
DTC #38: Brake Switch Stuck Off.
DTC #41: Ignition Control Circuit Open.
DTC #42: Ignition Control Circuit Shorted.
DTC #43: Knock Sensor Circuit.
DTC #44: Bank 1 LF Heated Oxygen Sensor #1 Circuit Lean.
DTC #45: Bank 1 LF Heated Oxygen Sensor #1 Circuit Rich.
DTC #47: Knock Sensor Circuit Or Module Missing.
DTC #48: Mass Air Flow Sensor Circuit.
DTC #50: System Voltage Low.
DTC #51: EEPROM Programming Error.
DTC #52: Engine Oil Temperature Sensor Circuit Voltage Low.
DTC #53: System Voltage Low.
DTC #55: Fuel Lean Monitor.
DTC #58: Transmission Fluid Temperature Sensor Circuit Low.
DTC #59: Transmission Fluid Temperature Sensor Circuit High.
DTC #62: Engine Oil Temperature Sensor Circuit Voltage Low.
DTC #63: Bank 2 RF Heated Oxygen Sensor #1 Circuit Open.
DTC #64: Bank 2 RF Heated Oxygen Sensor #1 Circuit Lean.
DTC #65: Bank 2 RF Heated Oxygen Sensor #1 Circuit Rich.
DTC #66: A/C Refrigerant Pressure Sensor Circuit Open.
DTC #67: A/C Pressure Sensor Circuit Sensor or A/C Clutch.
DTC #68: A/C Relay Circuit.
DTC #69: A /C Clutch Circuit.
DTC #70: A/C Clutch Relay Driver Circuit.
DTC #72: Vehicle Speed Sensor Loss.
DTC #73: Pressure Control Solenoid Circuit Current Error.
DTC #74: Traction Control System Circuit Low.
DTC #75: Transmission System Voltage Low
DTC #77: Primary Cooling Fan Relay Control Circuit.
DTC #78: Secondary Cooling Fan Relay Control Circuit.
DTC #79: Transmission Fluid Overtemp.
DTC #80: Transmission Component Slipping.
DTC #81: Transmission 2-3 Shift Solenoid Circuit.
DTC #82: Transmission 1-2 Shift Solenoid Circuit.
DTC #83: Torque Converter Solenoid Voltage High.
DTC #84: 3-2 Control Solenoid Circuit.(Auto Only).
DTC #84: 2nd And 3rd Gear Blockout Relay Control Circuit.
DTC #85: Transmission TCC Stock On.
DTC #90: Transmission TCC Solenoid Circuit.
DTC #91: One To Four Upshift Lamp(Manual Only).
DTC #97: VSS Output Circuit.
DTC #98: Tachometer Output Signal Voltage Wrong.
_________________you really can,t be effectively at playing mr-fix-it with out the correct tools

especially on the more modern cars that are computer controlled, the days of effectively tuning by ear and vacuum gauge and engine sound went out with carbs
you need a few basic tools, now the list will vary, but you can,t get by by guessing, you neet to know and test now that sensors and CPUs control engine function
heres some basic tools

be sure to get the specific manuals your car and EFI system and ignition system,require FIRST

BTW MILEHIGREG posted this bit of info

"couple of tips:

When you start messing with the EGR and FPR, be VERY careful. The small gage vacuum lines become brittle over the years. 1/8" ID tubing works as repair coupling material.

Loosen the gas cap before you disconnect the fuel lines from the fuel rail. The heat of the day caused enough pressure in the fuel tank to push at least a gallon of fuel out onto the garage floor the next day.

Moral(s) of the story:

Crank/Fire/Die condition - Check the resistance of the injectors! It is an easy check. Apparently, it is a relatively common problem with our cars. If one is shorted out, the ecm shuts down the car.

Even if you aren't totally stumped and begging for help, it helps others when you document problems and solutions with your car."
 
Last edited by a moderator:
http://www.thirdgen.org/vats
VIDEO TO WATCH

http://custombatterycables.com/product_info.htm
1990cv.png

having heavy gauge COPPER battery and ground connection cables with the correct ends, and a 140 amp-to-200 amp alternator goes a long way towards
reducing potential battery and starter related issues

sec1.jpg

sec2.jpg

VATS Malfunction Diagnosis and Bypass
Andy89RS Mar 31 2006 - 5:15pm

One of the more common problems with the VATS security systems in the third generation f-bodies is caused by a simple bad connection in the ignition cylinder. The problems start when the wires leading from the contacts in the cylinder to the VATS module develop an intermittent contact or a complete break. This can cause sudden failure to crank, either intermittently or permanently. Due to the nature of the system, manual transmission cars can t even be push started.

DIAGNOSIS:
The first step is to check the resistance of the chip in the key with a multimeter. Write this value down, you ll be needing it later. Next, remove the panel under the dash and look for a pair of yellow wires coming from the steering column and leading to a connector a short distance away. Unplug the connector and with the key in the ignition, measure the resistance at the wires leading from the steering column. The reading should match that of the chip in your key. While the reading might match while the key is in the off position, it will probably change when the key is turned forward. If this happens, the problem is in the ignition cylinder or the wires leading to it. At this point there are two options: Buy a new ignition cylinder and for alot of money or bypass the system for less than a dollar.

BYPASS:
To bypass the system you ll need to buy a resistor with a value matching that of your keys chip at any local electronics store. The easiest way to install this resistor is to cut the wires leading into the column about a foot from the connector. Take this section of wire, strip the ends and solder the resistor in place. Take this section of wire and resistor and simply plug back into the connector under the dash. The VATS module is now fooled into thinking that there is always the correct key in the ignition. Although this does render the security benefits of the VATS system useless, if increased security is desired, the resistor can simply be unplugged, leaving the car disabled until it is reinstalled.


READ these links

http://vats.likeabigdog.com/

http://vatssucks.com/

viewtopic.php?f=36&t=520&p=645#p645

http://wiki.xtronics.com/index.php/Resistor_Codes
1991fuse.png

his chart is for any GM product, Buick, Cadillac, Oldsombile, Chevrolet, and Pontiac that has a VATS key (single or double-sided.)

viewtopic.php?p=645#
is the VATS anti theft system making you nuts?
MODEL YEAR(S)
CORVETTE 1984 -1985
KEY T-HARNESS IMMOBILIZER
N/A N/A GM's VATS ANTI-THEFT System (if Equipped, Ignition Key has Chip) Requires 791 Bypass Module
PART COLOR LOCATION
12 VOLT CONSTANT RED (+) IGNITION SWITCH HARNESS
STARTER YELLOW (+) IGNITION SWITCH HARNESS
STARTER 2 N/A
IGNITION 1 PINK (+) IGNITION SWITCH HARNESS
IGNITION 2 N/A
IGNITION 3 N/A
ACCESSORY/HEATER BLOWER 1 ORANGE (+) IGNITION SWITCH HARNESS
ACCESSORY/HEATER BLOWER 2 N/A
KEYSENSE N/A
PARKING LIGHTS ( - ) N/A
PARKING LIGHTS ( + ) BROWN (+) @ HEADLIGHT SWITCH
POWER LOCK LIGHT BLUE (TYPE A) IN EITHER KICK PANEL
POWER UNLOCK BLACK (TYPE A) IN EITHER KICK PANEL
DOOR TRIGGER WHITE (-) @ UNDER DASH LIGHT
DOMELIGHT SUPERVISION USE DOOR TRIGGER, Requires #775 Relay
TRUNK RELEASE BROWN (-), Requires #775 Relay @ HATCH RELEASE SWITCH
SLIDING POWER DOOR N/A
HORN BLACK (-) @ STEERING COLUMN HARNESS
TACH WHITE or PURPLE/WHITE @ IGNITION COIL or DISTRIBUTOR
WAIT TO START LIGHT N/A
BRAKE WHITE (+) @ SWITCH ABOVE BRAKE PEDAL
FACTORY ALARM DISARM LIGHT GREEN (-) IN DRIVERS KICK PANEL
ANTI-THEFT See NOTE *1 GM's VATS System @ Ignition Switch

EXTRA INFORMATION

NOTE *1 The VATS (Vehicle Anti-Theft System) wire may be (2) thin YELLOW wires, (2) thin TAN wires or (2) thin WHITE wires, these wires are usually in a ORANGE or BLACK HEAT SHRINK TUBE, but at times are left out of the tube and ran by themselves up under the dash to the Security Module under the Dash.


VATS # (K)OHMS (Set your meter to the 20k ohm setting)

1 - 0.402
2- 0.523
3- 0.681
4--0.887
5--1.130
6--1.470
7--1.870
8--2.370
9--3.010
10-3.740
11-”4.750
12-6.040
13-7.500
14-9.530
15-11.801
There are 15 possible resistance values that were used by GM.
402 ohms (acceptable range 386-438)
523 ohms (acceptable range 502-564)
681 ohms (acceptable range 650-728)
887 ohms (acceptable range 850-942)
1130 ohms (acceptable range 1085-1195)
1470 ohms (acceptable range 1411-1549)
1870 ohms (acceptable range 1795-1965)
2370 ohms (acceptable range 2275-2485)
3010 ohms (acceptable range 2890-3150)
3740 ohms (acceptable range 3590-3910)
4750 ohms (acceptable range 4560-4960)
6040 ohms (acceptable range 5798-6302)
7500 ohms (acceptable range 7200-7820)
9530 ohms (acceptable range 9149-9931)
11800 ohms (acceptable range 11328-12292)

code.gif


Locate the red wire under the driver's kick panel that comes from the steering column. Inside this will be two white wires and if you follow them you'll come to a plug. Insert your key in the ignition and read the resistance on the two white wires (inside the red wire) coming from the steering column.

Armed with that useful piece of information....got to Radio Shack and get a resistor that is very close to the same value. Just a couple of percent either way will be fine. Insert the resistor in the plug that you disconnected earlier. Insert it in the end of the plug that doesn't go to the steering column.

Your car will now think that it has the correct key in it all the time. The anti-theft feature will be gone but your car will start every time.

An easier fix would be to get a new key cut for your car. Most of the time the key is bad and not the contacts in the ignition switch.

The resistances and the key number you need are listed here. Set your meter to the 1000 ohm scale and read the resistance of your key....right across both contacts on the "pellet". You should be close to one of these values.


1 - 0.402
2- 0.523
3- 0.681
4--0.887
5--1.130
6--1.470
7--1.870
8--2.370
9--3.010
10-3.740
11-”4.750
12-6.040
13-7.500
14-9.530
15-11.801

The key blank number on the left will coincide with the resistance shown. The resistors are about $1.29 for a pack of five. Radio Shack didn't have just one.
 
Last edited by a moderator:
the first step is to use your inductive timing light to determine if you have spark at the plugs and your v.o.m. meter to see if the battery's producing over 13 volts when its hot, it may not be even ignition related? did you verify you have spark at the plugs?
how about good fuel pressure?

http://www.nology.com/pdfandzipfiles/ob ... ations.pdf

http://facultyfiles.deanza.edu/gems/wal ... cguide.pdf

LOOK THRU THESE LINKS CAREFULLY

if your running an HEI ignition that's occasionally caused by a bad module.

http://www.angelfire.com/empire/automot ... andtesting

http://www.aa1car.com/library/us1296.htm

http://www.corvettefever.com/techarticl ... index.html
Easy tests for HEI system:

1. Test for power at the pink BAT terminal. You should have battery voltage w/ the key in the start and RUN positions.

2. Connect the ground side of your test lamp to the battery POSITIVE cable. Probe the TACH terminal on the dist. cap while a helper attempts to start the engine. The test lamp should blink repeatedly as the engine cranks. No blink= bad module or pickup coil. Further testing is required to pinpoint the problem. Blink but no spark = bad ignition coil.

3. Remove the cap & rotor. Remove the green & white leads from the module. Connect your ohmmeter to the green & white leads. You should have approx. 800-1500 ohms depending on the ambient temperature. Open circuit (infinite ohms) = bad pickup coil.

Wiggle the green & white leads as you test. Ohm reading should remain constant if the leads are good. If the reading varies as the leads are wiggled, the pickup coil is bad. You'll often find broken pickup coil leads this way.

4. DVOM (meter) still connected to green & white leads. Set your DVOM to AC VOLTS. Have a helper crank the engine as you watch the AC VOLTS reading. A good pickup coil will produce about 3V AC when cranking. Less than approx. 2V AC indicates a bad pickup coil.


I really need more info, that could also be a carburetor or fuel system problem.

did you use the dielectric tune up grease under the module... it is heat sink grease that allows the transfer of heat from the module to the aluminum housing... without out this proper grease the module will overheat and burn out...

http://www.dimequarterly.tierranet.com/ ... h_hei.html

viewtopic.php?f=50&t=609

http://www.chevyhiperformance.com/techa ... index.html

http://www.bronco.com/cms/node/25

http://www.db-starter-alternator.com/St ... %20Motors/

viewtopic.php?f=44&t=773&p=1123#p1123

http://www.442.com/oldsfaq/ofign.htm

http://www.ehow.com/how-does_4809570_tr ... butor.html

http://www.aa1car.com/library/2003/us80312.htm

http://arrc.epnet.com/autoapp/9110/9110 ... System.htm

85382023L.gif


http://www.chevelles.com/techref/ftecref5.html

this info may help
http://www.corvettebuyers.com/ecm.html

http://www.aldlcable.com/

V8IgnitionSystem.jpg
 
this infos bound to be helpful at times
Sensor Locations
Sensor
Location

Engine Coolant Temperature Sensor. Front of engine, below Throttle Body.
Engine Oil Temperature Sensor. Left rear of engine, just above the oil filter.
Oil Pressure Sender/Switch. Top, left hand rear of engine.
Fuel Quantity Sender. Top of fuel tank, beneath filler pipe escutcheon panel.
MAT (Manifold Absolute Temperature Sensor). Underside of manifold air plenum at rear.
Outside Temperature Sensor. Right side of engine, top right corner of radiator.
In Car Temp Temperature Sensor. Coupe: above left seat near interior courtesy light, Convertible: center of cargo compartment lid.
MAF (Mass Air Flow) Sensor. Front of engine ahead of throttle body.
Oxygen (O2) Sensor. Left side of engine, in exhaust pipe.
TPS (Throttle Position Sensor). Right side of throttle body at the front.

Sensor Outputs:

Sensor
Measured Value

Engine Coolant Temperature Sensor. 185 Ohms @ 210F, 3400 Ohms @ 68F, 7,500 Ohms @ 39 F.
Engine Oil Temperature Sensor. 185 Ohms @ 210 F, 3400 Ohms @ 68 F, 7,500 Ohms @39 F.
Oil Pressure Sender/Switch. 1 Ohms @ 0 PSI, 43 Ohms @ 30 PSI, 86 Ohms @ 60 PSI.
Fuel Quantity Sender. 0 Ohms @ Empty, 45 Ohms @ 1/2 Full, 90 Ohms @ Full.
MAT (Manifold Absolute Temperature Sensor). 185 Ohms @ 210 F, 3400 Ohms @ 70 F, 15,000 Ohms @ 40 F.
Outside Temperature Sensor. 4400 Ohms @ 60 F, 2200 Ohms @ 85 F.
In Car Temp Temperature Sensor. 4400 Ohms @ 60 F, 2200 Ohms @ 85 F.
MAF (Mass Air Flow) Sensor. .4 Volts @ idle, 5 Volts @ Full Throttle.
Oxygen (O2) Sensor. .1 Volt Lean Mixture, .9 Volt Rich Mixture.
TPS (Throttle Position Sensor). .54 Volts Idle, ~ 5 Volts Full Throttle.
you really need a scan tool of some sort to work on corvettes

http://www.gosale.com/4924033/actron-cp ... 2godkQqywQ

at about $140 its certainly affordable, but its basically a deluxe code reader


http://stores.channeladvisor.com/Summit ... ms/BBE-ATU

this seems to be a better deal, at $199

http://www.etoolcart.com/autoxray-scann ... x6000.aspx

this is what I bought,(about $400) but mines several years old and theres even better ones out there now

the oil pressure switch might be defective, if the fuel pump won,t run, even if its new
and at $11-$35 Id just swap it out if your concerned

41011.jpg

http://www.ecklers.com/product.asp?pf_i ... ept_id=153
39451.jpg

http://www.ecklers.com/product.asp?pf_i ... ept_id=153

the single terminal sensor runs the oil gauge the dual connector runs the fuel pump ONCE theres about 5 psi of oil pressure but they do fail and they do leak oil when they fail and both are commonly located near the distributor

TECH SUPPORT LINES, before you get over your head ASK QUESTIONS

look IM surely not trying to stop you from building a nice car but start with some basic skills and knowledge of the basic concepts

start here

buy these four books and read thru them then watch the cd a few times

http://www.themotorbookstore.com/resmchstvi.html

HOW TO BUILD MAX PERFORMANCE CHEVY SMALL BLOCKS ON A BUDGET by DAVID VIZARD

.
JOHN LINGENFELTER on modifying small-block chevy engines

SMOKEY YUNICK,S POWER SECRETS

then read thru this carefully

http://www.rustpuppy.org/chp/

then once youve got a few basics down proceed slowly and carefully and ask questions

Holley
Performance Products provides award-winning technical support via phone Monday through Friday, 8AM to 5PM CST @ 270 781-9741.

Lunati
technical support is availible by phone Monday through Friday 7AM to 5PM CST @
662 892-1500.

ERSON
http://www.erson-cams.com/AskTechForm.aspx?BrandID=7
http://www.erson-cams.com/pdf/Chevrolet.pdf

CROWER cams
http://www.crower.com/misc/contact.shtml

CRANE CAMS
http://www.cranecams.com/

DART
http://www.dartheads.com/
\
BRODIX
http://www.brodix.com/
please call us at 479-394-1075 for technical support

TRICKFLOW
http://www.trickflow.com/emain.asp

EDELBROCK
If you need to speak with an Edelbrock technician by phone, please call 1-800-416-8628 from 7:00am to 5:00pm, Monday-Friday, PST.

ENGLE CAMS
http://www.englecams.com/index.php
Tel: (310) 450-0806
Fax: (310) 452-3753

ISKY CAMS
http://www.iskycams.com/
phone: 323.770.0930
fax: 310.515.5730

AIR FLOW RESEARCH
http://www.airflowresearch.com/
28611 W. Industry Drive
Valencia, California, USA 91355
tel: 877-892-8844
fax:661-257-4462

DEMON CARBS (Barry Grant Incorporated)
http://www.barrygrant.com/
Phone: (706) 864-8544
Fax: (706) 864-2206

ARIZONA SPEED/MARINE
http://azspeed.stores.yahoo.net/c4col981.html

MSD IGNITIONS
http://www.msdignition.com/
TECH LINE: 915-855-7123

Shafiroff Race Engines
http://www.ultrastreet.net/
Toll Free: 800.295.7142 • Phone: 631.218.7530

Ohio Crankshaft
5453 SR 49 S
Greenville, OH 45331
Toll Free: 800-333-7113
Local: 937-548-7113
Fax: 937-548-4603
http://www.ohiocrank.com/enginekits.html


http://www.kevko.net/ (KEVKO OIL PANS)
915 North Orient Street
Fairmont, Minnesota 56031
(507) 238-9633
(800) 770-3557

STEFS OIL PANS
http://www.stefs.com/stefsindex.htm
Stef's Performance Products
693 Cross Street
Lakewood, NJ. 08701
Phone ( 732 ) 367- 8700
fax: (732) 367-8793

MELLING OIL PUMPS
http://www.melling.com/
Customer Service: 517-787-8172 ext: 125

MOROSO
http://www.moroso.com/default.asp
call 203-458-0542, 203-458-0546

MILODON
http://www.milodon.com/index.asp
Telephone
Phone: (805) 577-5950
Fax: 805-577-7540

KB PISTONS
http://www.kb-silvolite.com/index2.php
1-800-648-7970

ARP
(BOLTS/STUDS)
http://www.arp-bolts.com/
800.826.3045

REED CAMS
http://www.reedcams.com/
770.474.6664

J&E PISTONS
http://www.jepistons.com/
714-898-9764

SCAT CRANKS
http://www.scatcrankshafts.com/
310 370 5501

Schneider Cams
http://www.schneidercams.com/
(619) 297-0227

(TOOLS)
http://www.goodson.com/
800-533-8010

http://www.quartermasterusa.com/
847-540-8999

hays clutches
http://www.haysclutches.com/
216.688.8300


A few of MY favorite parts sources

http://www.survivalmotorsports.com/
248) 438-6900

http://www.dougherbert.com/
1-877-497-2787

http://www.jegs.com/webapp/wcs/store...10001_10002_-1
1800-345-4545

http://www.summitracing.com/
1800-230-3030

http://www.midwestmotorsportsinc.com/
1800-262-5033
 
Last edited by a moderator:
8950.jpg


just having the cable and a lap top with the required software to diagnose the problem is a huge advantage

Diagnostic Software

Useful links for diagnostic and tuning software:

TTS Datamaster - http://www.ttspowersystems.com/DataMast ... loads.html
WinALDL - http://winaldl.joby.se/
EFILive - http://www.efilive.com/downloads.htm
TunerPro - http://www.tunerpro.net/
TunerCat - http://www.tunercat.com/
FreeScan - http://andywhittaker.com/ECU/FreeScan/t ... fault.aspx
CarBytes - http://store.efilive.com/download.aspx#utilties
Moates Free GMECM - http://www.moates.net/gmecm/software.html
ALDL_LOG - http://www.lotus-carlton.fsnet.co.uk/aldl_basics.htm
Pontiac-interface.de - http://www.pontiac-interface.de/
ALDMON for 1227727 and 1227730 - pweb.de.uu.net/pr-meyer.h/aldl.htm
EASE Diagnostics - http://www.easesim.com/
Diacom Plus - http://www.rinda.com/auto/auto.htm
PCMComm 16188051 - http://www.geocities.com/MotorCity/Shop ... 5cam2.html
ElanScan - http://members.lycos.co.uk/mcnica01/M100_ALDL.html
LT1-Edit - http://www.carputing.com/
GM 6.5 Turbo Diesel Scan- http://www.enghmotors.com/basic/default.aspx


Driver software for our USB cables:

VCP Drivers - http://www.ftdichip.com/Drivers/VCP.htm


OBDII software for our ELM327 based OBD2 all in one scan tool:

OBD2allinone - http://www.obd2allinone.com/sc/pages.asp?pageid=60
these threads have even more interesting related links

viewtopic.php?f=44&t=469&p=7163&hilit=software#p7163

viewtopic.php?f=55&t=1188&p=2445&hilit=+software#p2445

viewtopic.php?f=56&t=2455&p=6418&hilit=oxygen+sensor#p6418

viewtopic.php?f=55&t=1241&p=2648&hilit=oxygen+sensor#p2648

viewtopic.php?f=80&t=728&p=1915&hilit=+sensor#p1915
 
If your car won,t start consistently, you need to isolate the problem to the source,
http://custombatterycables.com/product_info.htm
https://www.summitracing.com/parts/pwm-9526

https://www.summitracing.com/parts/pwm-9112

Ive used both these starters in the past with no issues, obviously, you have hundreds of options
for those reading through the thread, Ill point out, that having heavy gauge COPPER battery and ground connection cables with the correct ends, and a 140 amp-to-200 amp alternator goes a long way towards
reducing potential battery and starter related issues


first step break it down into seven basic areas

(1) does the engine spin?
(2) does the engine have the correct level of consistent fuel pressure at the injectors?
(3) are you getting ignition spark and are you getting it at the correct time?
(4) do you have compression in each cylinder
(5) are the valves opening and closing at the correct time, and opening to the correct distance?
(6) are there any vacuum or fuel leaks
(7) are the injectors working correctly, or is the carburetor working as designed?


is it spinning but not firing up?
a logical step by step test and verify approach should isolate and help locate the cause
do you have good ignition spark but no fuel pressure?
do you have fuel pressure but no ignition spark?
does the engine just not spin when the ignition keys turned?
whats your ignition timing set at?
whats your batter voltage before and during engine cranking?
whats your alternator voltage once the car does run?
whats your engine compression test at during a compression test.
have you pulled trouble codes?
do you have a shop manual?
do you have an aftermarket alarm installed?
is your car set up to have the alarm DE-activated with a remote clicker?
have you tried locking and unlocking the drivers door then starting the car?
are you low on oil or gas?
does the started spin the engine?, does the dash lights dim when the starters engaged?
does the car start much faster when cold or when the batterys jumped?
theres a dozen potential areas , you should be testing to isolate the cause, it could be a simple problem like a corroded battery cable connection or a well worn starter, it could be a heat build up in the battery or ignitions components.
the starter relay solenoid could be the problem, obviously a few tests would help here.
start by putting the car up on a lift or jack stands and get out a multi meter and start checking voltage at the battery, starter and cleaning all the connection points

RELATED INFO YOU NEED TO READ

viewtopic.php?f=32&t=2697

viewtopic.php?f=32&t=5926&p=18562&hilit=starter+rebuild#p18562

viewtopic.php?f=32&t=1401

viewtopic.php?f=36&t=8493&p=29779&hilit=cable+connections#p29779

viewtopic.php?f=36&t=3222&p=8575&hilit=testing+alternator#p8575

viewtopic.php?f=32&t=596

viewtopic.php?f=32&t=661

viewtopic.php?f=32&t=168

viewtopic.php?f=103&t=7085&p=23611&hilit=cable+connections#p23611

viewtopic.php?f=70&t=299&p=364&hilit=ford+starter#p364




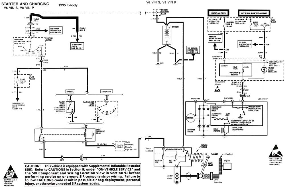
1995starter1.jpg

1995starter2.jpg


LT1 starter

Starter&ChargingCircuit_1000.jpg

SS_20Kit_1_.jpg


http://www.autozone.com/autozone/parts/ ... 5_48987_0_

http://www.nationsautoelectric.com/Nippondenso.html

need any assistance at 888-334-2632 REBUILD CONTACTS COST $35
after watching what my neighbor went thru replacing his LT1 starter and knowing what he paid (well over $150 ) and knowing my LT1 corvettes also over 15 years old I ordered the repair parts for my starter because it also is of similar age and I figured rebuilding it seems like a no-brainer for $35
I pulled my starter and disassembled and inspected it, its just not a huge job and if your careful and pay attention to how things come apart its reasonably easy to do with the instructions posted below...
Id add that youll need two cans of spray brake cleaner to remove all grease and road tar, oil sand etc from the starter once its removed
383653.jpg

because its far easier to work with dry grease free parts

and that it helps a great deal to work slowly and carefully as theres a few small parts and you need to keep the insulating washers and lock washers etc in the correct order so it helps to do only one electrical contact at a time, then move to the other side and use a q-tip of moly grease on the plunger surfaces, to put a VERY LIGHT barely detectable film of grease, on the plunger surface , sure wont hurt its ease of movement,you put a VERY LIGHT FILM COATING on BOTH plunger surfaces, it should be barely visible,the lower narrow spring guide is not as critical to keeping it light, but it is very important to keep the film almost non visible on the larger diam. upper plunger body to prevent the electrical contacts from getting any on them,

StarterPlunger01.jpg
youll need a 9/16 swivel socket and a 10" extension to get easy access and to dis-assemble and reassemble the block mount bolts and a flex shaft screw driver with a 4" extension added for the small 1/4 drive 7mm socket required helps gain easy access to the solenoid connection wire nuts, and I found beveling the first thread on the starter mount bolts to a 45 degree angle sure helps get the bolts started and some lock-tite on the threads keeps them from easily vibrating loose.
youll need a 12mm and 14mm box or open end wrench for some electrical component connections
the whole job takes under 45 minutes so its not like its a major project and standard tools do the job


Flex-Driver.jpg


swivelsocket.jpg


http://www.nationsautoelectric.com/Nippondenso.html

need any assistance at 888-334-2632 REBUILD CONTACTS COST $35

nip1.jpg

nip2.jpg

nip3.jpg
 
Last edited by a moderator:
one of the neighbors younger sons stopped by to ask me to come over, this evening for a few minutes and help diagnose his 1968 road runners,new fuel pressure problem, his electric fuel pump he had installed in the car,about 6 months ago had stopped working.
that took all of 5 minutes! and made both of us feel good when we found it was a cheap repair!
the kids on a rather limited budget and seemed rather amazed at how fast the problem was isolated with a multi meter.
the kid was absolutely thrilled to find his recently installed dash mount, $9 40 amp rated toggle switch had become defective rather than the expensive fuel pump!
I simply got under the car on a mechanics creeper , put the multi-meter leads on the car frame and on the fuel pump power feed and told the kid to throw the toggle switch, NADA! so I moved to the toggle switch and found it was not functional.
its little things like that that make me feel good, being able to help out

image_12926.jpg

http://www.harborfreight.com/5-in-1-dig ... 98674.html
fluke.jpg

having a fluke multi meter and an assortment of test leads helps

FLUKE is the brand of choice but they are expensive, shop around, Ive still got the original fluke multi meter I bought in HIGH SCHOOL and it STILL WORKS Ive purchase several imported multi meters from harbor freight , in the last 10 years alone and only one still works

http://www.fluke-direct.com/shop/itemDe ... urer=FLUKE

http://www.fluke-direct.com/shop/catego ... TERS&path=
toggleswitch11.jpg

http://www.wiringproducts.com/contents/ ... tches.html
73244
 
maybe I expect too much at times, or its been so long I don,t remember being that young, ...the kid who had the cars electric fuel pump go out in the post above came by to thank me for help with his cars problem and I noticed that he had replaced the defective toggle switch,
and while the car was running but I happened to notice the box the , new replacement toggle switch came in.
it was a duplicate of the original toggle switch.... I get the strong feeling that reading the specs on the box never entered the kids mind. yeah! at his age it more than likely would not have entered mine either, but you eventually learn to look at the instructions and read specs because you eventually get tired of replacing defective switches and start asking questions about why they fail/
the packaging clearly stated the toggle switch was rated at 15 amps, I suggested he purchase an ECHLIN # TG60039 toggle switch that I generally use thats rated at 50 amps, they cost about $8 each and I know he spent a similar amount on the lower amp rated toggle switch, when his current replacement 15 amp eventually fails like the last one had, hopefully he will remember to upgrade to a higher amp rated toggle switch.



a great many electrically conductive surfaces are subject to oxidation and corrosion especially things like battery grounds on frames and the newer screw on the side battery cable connections, and battery to starter connections,so coating those higher amp rated connection points with a good anti corrosive, and moisture resistant and electrically conductive paste , grease or anti-seize would seem to be a good idea.
I know I can,t be the only guy that used to occasionally find when I hit the ignition key and got a click but the starter would not work, and found that a loose battery connection on the cable was at fault!

$_35.JPG


http://www.2spi.com/catalog/vac/silver-filled-grease-techdata.html

http://www.cool-amp.com/conducto_lube.html?gclid=CNKs1MD-sMYCFZKBaQodGswC6A

http://www.w8ji.com/dielectric_grease_vs_conductive_grease.htm

http://www.carid.com/loctite/copper...Put_9z-sMYCFQGGaQodOMID_Q#product-details-tab

41VTDWZZPNL.jpg

removing battery cable corrosion with coke, baking soda and correctly
coroasinbatterca.jpg


use of a battery post cleaning brush tool is usually helpful
battool.jpg


use of this common anti-seize paste on the connecting surfaces noticeably reduces corrosion and helps electrical conductivity
80078.jpg

http://www.harborfreight.com/battery-terminal-cleaner-94450.html






I learned decades ago to swap to a 140 amp-200 amp alternator,
as the stock 75-105 amp alternators on muscle cars and earlier corvettes are marginal at best/
if you shop carefully they can usually be found locally at some alternator re-builders for under $150
both my corvettes have 200 amp versions purchased NEW for under $250
while that may be over-kill to some I find the electric fans on the corvette and ignition and head lights work noticeably better


http://www.ecklerscorvette.com/corvette-alternator-140-amp-chrome-power-master-1969-1982.html
140ampa.jpg

140ampb.jpg



http://www.dbelectrical.com/p-4516-high-output-chevy-3-wire-alternator-140-amp-65-85.aspx
140ampc.jpg

140ampd.jpg


 
Last edited by a moderator:







If your trying to isolate a problem, apply a bit of logic , what changes and whats the likely effect of those changes?
ENGINE TEMPS and related air flow sensor input to the cpu and the IAC , MAF function, voltage issues are generally related to the alternator or battery or grounds,and connections, fuses, etc.
so you start with those, basic concepts and your shop manual and a digital multi meter
buy a CHEVY SHOP MANUAL FOR YOUR YEAR CORVETTE!
set and verify your ignition timing, pull trouble codes,set your tps and iac,, then check for vacuum leaks on the lines and intake,then get out your multi meter and verify all the sensors, chances are good its a defective sensor a logical step by step approach will lead you to the problem, youll be amazed at what youll learn reading links. use of a shop manual and multi meter can be very helpful, its just a simple process of testing sensors , fuses and fuel delivery voltage and circuit resistance

1996_Corvette.jpg


image_6238.jpg


http://forum.grumpysperformance.com/viewtopic.php?f=80&t=728&p=43477#p43477

http://forum.grumpysperformance.com/viewtopic.php?f=32&t=1401



CIRCUIT DESCRIPTION
The distributor ignition system provides two timing inputs to the Powertrain Control Module (PCM), high resolution signal (180 pulses per crankshaft revolution) and low resolution signal (4 pulses per crankshaft revolution). The PCM uses these two reference pulses to determine individual ignition spark timing for each cylinder.

Once the PCM calculates ignition timing, the timing signal will be sent to the ignition coil module on the IC circuit. Each timing pulse received by the ignition coil module, on the IC circuit, will trigger the coil module to operate the ignition coil. Secondary ignition voltage is induced and is then sent to the distributor for distribution to each spark plug.

The IC signal voltage ranges from about 0.5 volt to 4.5 volts.

DTC 41 WILL SET WHEN:
Voltage on CKT 423 exceeds 4.6 volts and engine speed is less than 1500 RPM.

ACTION TAKEN (PCM WILL DEFAULT TO)
^ PCM will disable the fuel injectors to prevent flooding of the engine.
^ DTC 41 will be stored in the PCM memory but will not turn "ON" the Malfunction Indicator Lamp (MIL).

CHART TEST DESCRIPTION Number(s) below refer to circled number(s) on the diagnostic chart.
1. This determines if the DTC 41 is intermittent.
2. This check determines if the IC signal from the PCM is available at the ignition coil driver. The IC circuit voltage should be between about 0.5 and 4.5 volts.
3. The remaining tests begin to check that the coil driver circuitry is OK.
4. If all wiring and connections are OK, check the ignition coil or the ignition coil voltage supply. Check coil fuse for being open.

DIAGNOSTIC AIDS

47866440d1424781684-what-is-an-ignition-module-7pin_sch.jpg


^ Since the coil driver gets its power from the coil, check the ignition feed circuit to the ignition coil for opens.
^ DTC 41 will set only during cranking.
Attached Images
47790280d1398811001-need-help-pleasde-1994-c4-starts-and-will-not-run-dtc-41.png
47790281d1398811001-need-help-pleasde-1994-c4-starts-and-will-not-run-optispark-wiring-diagram.png
 
Last edited:
I have a 427/425 that is hard to start. I set the choke and crank the engine over for a few seconds. I do this several times. The engine will not start when cranking (key in START position) but will fire when the key is moved back to the ON position. It seems like there is no spark when in the START position, only in the ON position. Any ideas?
it never hurts to verify your getting ignition spark and the ignition timing is correct,
or the the firing orders correct, or that your getting fuel pressure if your having starting issues
if you had a c4 corvette this might also help

tracking down the problem getting the engine started

If your car won,t start consistently, you need to isolate the problem to the source, you can,t isolate the cause without understanding the process, so you may as well start looking into how and why each step in the process starts , and how each step functions and triggers the next step. your...
garage.grumpysperformance.com

1988 C4 Instrument Cluster Has Stopped Working

have a 1988 C4 that I had to replace the wiring harness and before installing. I made sure all joints were soldered and all wires were good. When finished installing I did not have my instrument cluster. I do have all the idiot light, blinkers, high beams. They bright and dim as they are...
garage.grumpysperformance.com

Relay/s, Voltage Drop/s, Current Flow, Grounds and ... more

A relay is nothing more than a device that uses a low-current signal to operate a high-current circuit, he solenoid on your starter is a type of relay that uses the low-current signal from your starter switch to operate the high-current circuit between the battery and the starter motor...
garage.grumpysperformance.com

c4 & c5 corvette trouble codes

if your corvette won,t start or run, don,t panic its usually easy to locate the problems source, buy a CHEVY SHOP MANUAL FOR YOUR YEAR CORVETTE! RULE#1 never assume a damn thing ISOLATE ,TEST AND VERIFY http://www.professionalequipment.com/ex ... ermometer/ Wide temperature range from -58 to...
garage.grumpysperformance.com

cooling off that c4 corvette

your stock corvette http://garage.grumpysperformance.com/index.php?threads/thoughts-on-cooling.149/page-3#post-107697 has a rather marginal cooling system if your engines been modified for significantly higher hp levels, that cooling system can be significantly improved upon.I run into this...
garage.grumpysperformance.com

chevrolet-corvette-fuse-box-instrument-panel-1995.jpg



https://www.autozone.com/diy/repair...ring-diagrams-repair-guide-p-0900c1528008fd94
48178907d1501790797-need-1985-fuse-panel-layout-fuse.jpg


Chevrolet-Corvette-1993-1996_en_loc-fuse-box-location.jpg




48151763d1501528106-where-is-the-fuse-box-fusebox2.jpg


100_1802.jpg



14062512-1984-1985-chevy-corvette-c4-center-dash-relay-fuse-box-used-oem-14062512.jpeg


CHECK ALL YOUR FUSES WITH A MULTI METER
timinglite4.jpg


a timing light,

Check for voltage feeding the coil at the positive terminal of the coil , feed from the starter,
check all fuses and electrical grounds,
when cranking, with your multi- meter,
image_6238.jpg

if none, there are 2 wires on that terminal,
one should come the starter if I remember correctly. That supplies full 12v on cranking.
it always helps to have a FACTORY shop manual for you individual year corvette
startwiredfgg.jpg




convert to a remote mount, inner fender mounted ford style starter solenoid, you'll find it worth the effort, the chevy solenoid design tends to be marginally more prone to the issues you described
 
Last edited:
Back
Top