hard starting TPI, crossfire or LT1 vette

grumpyvette

Administrator
Staff member
one of the more frequent complaints I hear about is c-4 corvettes that have difficulty or intermittent start problems.
or occasionally I hear about intermittent missing, that needs to be isolated and tracked down to be corrected.
READ THE THREAD THRU TO THE END
AND BE AWARE THAT THIS THREAD,
AND ALL OTHER THREADS ON THIS SITE ARE CONSTANTLY UPDATED WITH NEW LINKS AND INFO, AS IT BECOMES AVAILABLE

it is always helps to post your location,when posting questions, at least the city & state your located in because theres a good chance an experienced hobbyist or mechanic on this site may be reading this, located local to you, who is willing to help either for free or at low cost! or at least post advices and places to get parts locally
theres a great many links posted below that contain a vast amount of related info

STEP ONE PULL TROUBLE CODES, MANY TIMES THE CODES POINT YOU TO THE ISSUES
IF YOU OWN ANY CORVETTE YOU NEED TO OWN A FACTORY SHOP MANUAL :like:FOR THAT YEAR CORVETTE

start by purchasing AND READING a SHOP MANUAL FOR YOUR SPECIFIC YEAR CORVETTE
http://www.helminc.com/helm
the correct matching SHOP MANUAL CAN BE VERY USEFUL


this is not a shop manual but it might be helpful

Haynes-24041-cover_0.jpg

these are shop manuals
1996_Corvette-3.jpg



Id start by, pulling trouble codes and cleaning the battery terminals and cable connections carefully, a great many problems blamed on battery's and fuses are basically high resistance or intermittent connections, then use a multi meter to see what your dealing with.
(yes even if the engine spins over easily and has ignition spark, cleaning the battery terminals usually helps reliability)
yes IM fully aware that theres at least a few guys on the site that would rather roll around naked in broken glass, than read thru links and do in-depth research before, just jumping into a project and start randomly spend money on replacement parts :lol: :roll: :....but for those who gentlemen who would rather track down the cause of a problem with a few tests and a shop manual and logically approach the issues , in a step bye step manor theres plenty of posted info
If your trying to isolate and test and get the engine tune correct, on any efi system,
Id suggest you leave the fuel pressure alone if its at least 40 psi and does not exceed about 58 psi,
and if the fuel pressures consistent, and set the spark plug gap at .043-.045 max and keep th engine coolant temps as consistent and near about 180F-190F as you can get them,
the fewer variable your forced to deal with the better, make the changes in INJECTOR PULSE DURATION and ignition advance curves

to vary the fuel/air ratios and cylinder pressure
to avoid detonation and tuning issues

always start by verifying what your dealing with in temps fuel pressure and sensor function, pull trouble codes and read and tuning instructions, get a shop manual and verify sensor functions and electrical connections electrical grounds, ignition firing orders, do a compression test and verify the valve lash, set the valves if that's required, and make sure your not dealing with partially clogged catalytic converter carefully, verify what your dealing with, don,t guess, verify.
I can assure you that most problems are related to guessing or defective sensors, or assuming somethings working, that you fail to verify, like the ohms resistance in ignition wire or the firing order or verifying TDC, vs the damper/timing tabs
having a set of multi meter/timing light, compression gauge, vacuum and fuel pressure gauges and a shop manual is critical.


The secret of effective diagnosis and troubleshooting is to have a logical plan.
The secret of effective diagnosis and troubleshooting is to have a logical, well-ordered system. Following a logical step-by-step procedure will get you to the root cause of a problem quickly and efficiently. and you can,t go into the process assuming you know the answer before you test, let the facts you find lead you to the answers,you may waste a great deal of time chasing what you assume is a bad injector or a faulty ignition only to find its a clogged fuel filter, low fuel pressure or a loose electrical connection, Repair manuals will have a diagnostic tree that goes in a logical progression. It will ask a question, usually yes or no, and depending on the answer will branch off in two or more directions. The last box in the tree will have the problem and how to correct it. The example shown is a simple one. A more complicated system will have branches going into specific tests and then have 2 or more branches from there depending on test results.
If your experiencing intermittent electrical issues you will obviously need to get out the shop manual for your year corvette, a multi meter and do some isolate and testing, but be aware that loose or corroded connections , will be hard to isolate, as they seldom present a consistent, solid open or dead short in the wire,theres several electrical connector plugs that connect thru the firewall near the battery location that are subject to corrosion issues and frame grounds that might be suspect, obviously theres sensors that can be defective.
c4engine.jpg

links with lots of sub-links that should be useful, most guys ,faced with isolating an electrical issue, seem to get over whelmed, but if you get out the schematics, use a multi meter and some logic in tracing the circuits, and start pulling fuses and measuring resistance and voltage, take the time to read the manual ,pull trouble codes,and if required get a scan tool or a data logging program for your lap top computer, and using the shop manual, you can generally isolate the cause, but don,t get fixated on the idea that all misses are ignition, electrical related, theres potential mechanical, and fuel delivery issues that could be involved.
OK too trouble shoot a no start condition,you need to understand the basics, you need compression,in all cylinders, consistent fuel,pressure and volume,ignition spark, correct ignition timing, no vacuum leaks and the exhaust must not be really restrictive.
Don,t assume its a major problem, pull trouble codes and get out a multi-meter....check that your battery has 13 volts?, verify the starter spins the engine, verify your getting fuel pressure and ignition spark and when you find a problem trace it to its source. if you don,t have fuel pressure you should reasonably check in the fuel supply system, but don,t over look silly stuff like your fuel tanks empty, if your engine won,t spin over obviously check the battery and starter function,do you have an alarm or "VATS" system? if you have good battery voltage will the engine spin? are you getting spark at the plugs? and pull your spark plugs to be sure the engines not locked up hydraulically from a leaking head gasket.
LOOK FOR LOOSE OR CORRODED ELECTRICAL WIRING CONNECTORS, in THE WIRING HARNESS, and VERIFY YOUR FIRING ORDER, YEAH I KNOW YOUR SURE ITS CORRECT, CHECK IT CAREFULLY AGAIN, YOUR NOID TEST LIGHT AND MULTI- METER CAN SAVE YOU A GREAT DEAL OF PROBLEMS AND SCRATCHING YOUR HEAD IF YOU TEST BASIC ELECTRICAL CONNECTIONS< RESISTANCE AND VOLTAGE, CHECK YOUR SENSORS AND GROUNDS, A SHOP MANUALS MANDATORY, HEAT SENSORS, MAF SENSORS, AND IGNITION MODULES AND OIL PRESSURE SENSORS HAVE A LONG TRACK RECORD OF FAILING OR PARTIALLY AND INTERMITTENTLY NOT FUNCTIONING
if you have voltage at the ignition coil, and no spark don,t assume its a defective ignition coil , but if you have a spare coil swap it out as a quick test, won,t hurt, and it will help isolate the problem source.
also be aware that a leaking injector, or fuel pressure regulator can cause the catalytic converter, to melt internally, blocking the exhaust flow or oxygen sensors to fail
remember what goes in needs to go out UNRESTRICTED, and a clogged catalytic converter can cause the engine to run very poorly or not start at all.
ANYTIME YOUR DEALING WITH THE ENGINE AND HOW IT RUNS ,
YOULL BE DEALING WITH DIFFERENT ISSUES,
COOLANT AND OIL TEMPS,& PRESSURE
FUEL PRESSURE , INJECTOR FUNCTION
FUEL DELIVERY, PRESSURE & VOLUME
RELATED FUEL / AIR RATIO
EFFECTIVE COMPRESSION & RING SEAL
VALVE TIMING LIFT & DURATION & VALVE SEAL
IGNITION SPARK TIMING & STRENGTH, & IGNITION ADVANCE CURVE
EXHAUST BACK PRESSURE
SENSOR OUTPUT TO THE CPU
VOLTAGE & GROUNDS
ITS YOUR JOB TO TEST AND ISOLATE EACH UNTIL THE CAUSE IS LOCATED
READ

THE LINKS AND SUB LINKS,
THEY CONTAIN A HUGE AMOUNT OF RELATED INFO

PULL THE TROUBLE CODES
http://garage.grumpysperformance.com/index.php?threads/c4-c5-corvette-trouble-codes.2697/

http://members.shaw.ca/corvette86/FuelS ... gnosis.pdf

http://garage.grumpysperformance.com/index.php?threads/testing-leaky-fuel-injectors.7310/

http://garage.grumpysperformance.co...ystem-trouble-shooting-flow-chart-info.11536/

http://garage.grumpysperformance.com/index.php?threads/replacing-a-c-4-fuel-pump.33/

http://garage.grumpysperformance.com/index.php?threads/chasing-a-crazy-electrical-glitch.986/

http://garage.grumpysperformance.co...lay-switch-locations-and-info.728/#post-43477
Timing_Torque.gif

AFR_Torque.gif

Octane_Requirement.gif

Stoich.gif

volumetricz.jpg

volumetric.gif

the "PROBLEM" is most people won't take the time or effort to diagnose a problem by logically isolating and testing each component before the parts are replaced,
and yeah its basically a two step problem, that having a SHOP MANUAL, for your particular year corvette ,
and a few basic tools like a FUEL PRESSURE GAUGE,MULTI METER, AND TIMING LIGHT, COMPRESSION TESTER,
and a CODE READER MAKE FAR EASIER, ISOLATE AND TEST ARE THE BASICS OF ANY REPAIR PROCESS>
you first have to understand how each component functions and how to test its functioning correctly.
it helps a great deal if you know the basics and have access to the tools required to test.
it helps a great deal if you understand how the various sub systems like ignition,
timing and terms like AMPS. VOLTS,RESISTANCE, and fuel delivery work, terms LIKE PRESSURE, VOLUME, and the basic 4 cycle engines design parameters.
theres not a single problem on a C4 CORVETTE, that can't be diagnosed with a shop manual, fuel pressure gauge, multi meter, exhaust back pressure gauge/vacuum gauge and an accurate infrared temp gun, timing light, compression/leak down tester, basic mechanics tools, a set of jack stands and a floor jack.
and a logical isolate and test mentality, if you have access to the internet to ask questions about related tests, PROVIDED you ask the correct questions and test to find the related answers,
yeah, having experience helps and tools like code scanners, degree wheels, dial indicators , a dial caliper, feeler gauges certainly help,
but you can solve problems by simply understanding how components are supposed to work, and how they can be tested to verify they are defective or not!

related info
http://garage.grumpysperformance.com/index.php?threads/c4-c5-corvette-trouble-codes.2697/

http://garage.grumpysperformance.co...oven-facts-if-your-in-doubt.13051/#post-88488

http://garage.grumpysperformance.com/index.php?threads/bare-minimum-tools.11026/#post-48779

http://garage.grumpysperformance.co...too-common-questions-can-be-found-here.12892/

http://garage.grumpysperformance.com/index.php?threads/leakdown-compression-test.881/#post-56489

http://garage.grumpysperformance.co...ard-starting-tpi-crossfire-or-lt1-vette.1401/

http://garage.grumpysperformance.com/index.php?threads/c4-and-camaro-sensor-and-relay-switch-locations-and-info.728/#post-93194

http://garage.grumpysperformance.com/index.php?threads/optispark-ignition-info.628/#post-75647

http://garage.grumpysperformance.com/index.php?threads/under-car-safety.26/

CHECK ALL YOUR FUSES and electrical connections WITH A MULTI METER, but don,t assume you know what the problem is, let the facts lead you to the answers
be aware that not all engine "MISSES" or "ticking sounds " that you might be dealing with or tying to correct, are an electrical or a fuel delivery or pressure issue, your problem might be a mechanical issue like a vacuum leak, from a busted hose,or loose gasket,a burnt valve, loose or worn timing chain,badly adjusted valves, broken or loose harmonic damper, loose flex plate, or torque converter bolt, busted valve spring, burnt or defective rocker, loose or worn valve guide, or a dozen other issues so try to logically isolate it to a cylinder or system, electrical,valve train, fuel delivery, exhaust , ignition ,etc.


image_12926.jpg

WATCH THE VIDEO, READ THE LINKS
http://www.youtube.com/watch?v=9CPqbaSg ... re=related


http://www.chevythunder.com/fuel%20inje ... pg%20B.htm

IF you start with checking for loose electrical connections and vacuum leaks you might find the problem, a propane torch is both safer and easier to use as a method to locate vacuum leaks
check for vacuum leaks

propanetorch.gif

(DONT LIGHT IT) just SLIGHTLY open the valve so its allowing gas to flow at a low volume,start the engine and let it idle at the lowest speed you can then place the tip of the UNLIT torch at any suspected vacuum leak and listen for the rpms to increase and watch the tachometer, gas flowing into a vacuum leak will increase engine speed.
Another possible quick test you can do relates to "clear flooded engine mode" if the car cranks but doesn't start and has fuel pressure, you can test by trying disconnecting the TPS sensor connection on the pass side of the throttle body,. This will kick the computer into limp home mode (setting a predetermined voltage) and the car will start after a time if you flooded the plenum in the intake
look for loose or missing vacuum hoses, cracked or broken power brake connections, emissions system hoses that are loose, vacuum connections to the trans or ignition, loose connectors missing or loose bolts cracked hoses missing accessory connections etc.
naturally this only locates leaks to the outside, and its possible for the intake to suck air from the lifter gallery, so that also needs to be checked if everything else seems to be ok.

read this

buy a CHEVY SHOP MANUAL FOR YOUR YEAR CORVETTE!
set and verify your ignition timing, pull trouble codes,set your tps and iac,, then check for vacuum leaks on the lines and intake,then get out your multi meter and verify all the sensors, chances are good its a defective heat sensor or defective o2 sensor, a logical step by step approach will lead you to the problem, youll be amazed at what youll learn reading links. use of a shop manual and multi meter can be very helpful
1996_Corvette.jpg

image_6238.jpg

http://www.harborfreight.com/5-in-1-dig ... 98674.html

fluke.jpg


FLUKE is the brand of choice but they are expensive, shop around, Ive still got the original fluke multi meter I bought in HIGH SCHOOL and it STILL WORKSIve purchase several from harbor freight , in the last 10 years alone and only one still works
http://www.fluke-direct.com/shop/itemDe ... urer=FLUKE

http://www.fluke-direct.com/shop/catego ... TERS&path=

http://chevythunder.com/

irtemp.jpg

a good quality if temp gun helps more than you might realize at diagnosing problems
http://www.grainger.com/product/EXTECH- ... _-AllPages
learn to use the factory shop manual, and a multi meter and LISTEN to the engine closely, tapping and high pitch whines can indicate defective injectors or fuel pressure regulators, fuel pumps,mis- adjusted valve train components, worn distributor parts, check all the fuses and electrical grounds and corrosion on connections thats something thats frequently over looked etc.

http://www.chevythunder.com/Flow chart index.htm

http://www.professionalequipment.com/ex ... ermometer/

https://www.summitracing.com/parts/anm-cp7838
CP7838.jpg


and rev the engine a few times and watch the fuel pressure it should in theory remain in the 38 psi-42 psi range for most TPI and TUNED PORT efi
%2792+ LT1 & LT4 Fuel.jpg

shaw1.png

shaw2.png



tpishrader.jpg

55HT.jpg

9thp2.jpg



having a good cross check tool like a quality IR temp gun, and a decent multi meter, sure helps find the truth as far as a defective gauge or sensor
viewtopic.php?f=44&t=464

http://www.corvettebuyers.com/ecm2.html

http://www.hotrodlane.cc/NewTPI%20links ... ml#tpitech

http://www.mainstreamtopics.com/forums/ ... iagnostic/




http://chevythunder.com/

http://www.centuryperformance.com/tunin ... g-148.html
IF the dash lights but it won,t turn over,or just clicks,take off the battery cables and clean the connections then reassemble the trouble your describing is extremely common on theres cars if the battery connections are not cleaned occasionally, the bad connection passed enough low amp current to light up the dash but once the load increases its not able to supply the required current flow rates, if the engine spins but won,t start, obviously you'll want to check all your FUSES with the multi meter and verify the engine and ECU ground straps (usually on the back of the drivers side cylinder head)are tight connections
AND AGAIN! LOOK FOR LOOSE OR CORRODED ELECTRICAL WIRING CONNECTORS, in THE WIRING HARNESS, and VERIFY YOUR FIRING ORDER, YEAH I KNOW YOUR SURE ITS CORRECT, CHECK IT CAREFULLY AGAIN, YOUR NOID TEST LIGHT AND MULTI- METER CAN SAVE YOU A GREAT DEAL OF PROBLEMS AND SCRATCHING YOUR HEAD IF YOU TEST BASIC ELECTRICAL CONNECTIONS< RESISTANCE AND VOLTAGE, CHECK YOUR SENSORS AND GROUNDS, A SHOP MANUALS MANDATORY, HEAT SENSORS AND IGNITION MODULES AND OIL PRESSURE SENSORS HAVE A LONG TRACK RECORD OF FAILING OR PARTIALLY AND INTERMITTENTLY NOT FUNCTIONING
learn to use the factory shop manual, and a multi meter and LISTEN to the engine closely, tapping and high pitch whines can indicate defective injectors or fuel pressure regulators, fuel pumps,mis- adjusted valve train components, worn distributor parts, check all the fuses and electrical grounds and corrosion on connections thats something thats frequently over looked etc.
it helps a great deal to know what your working with ,ID suggest starting, by verifying TDC and having the correct timing tape on your damper then,start with 8 degrees btdc and verifying the full advance of 36 degrees total is all in at 3200rpm as a base line, once youve got that, as a standard you can tune and run the car and eventually try tweaks to the basic ignition curve if needed, once you have an ignition base line, move on to the carbs tuning, you also need to keep in mind that what goes in as a fuel /air mix needs to go out as a much expended volume of hot gases and a restrictive exhaust will effectively block most attempts to get more power from an engine, so measure exhaust back pressure. you might be amazed at what a couple hours research into the subject will do to help you build a much more durable engine, and actually reading thru links and sub-links and asking questions helps a great deal

you might be amazed at the number of times "CARBURETOR PROBLEMS" are cured with getting the IGNITION, TIMING AND ADVANCE CURVE WORKING CORRECTLY, and check out the simply things your 100% sure you did correctly, because I can,t begin to tell you how many times I see guys who have the firing order on the ignition wrong, or guys that install a 4/7 swap cam and still use the standard ignition firing order or guys that never verify TDC and ignition advance curves.
get an IR temp gun and check for wild variations in exhaust temps, get a compression test done, do a logical check to verify each cylinder fires etc.
The ignition control module in the distributor is another item that normally fails when hot, that needs to be replaced is you suspect its defective



http://www.chevythunder.com/fuel_pump_diagnosis_chart.htm
http://www.chevythunder.com/fuel_system_diagnosis.htm

http://www.chevythunder.com/fuel_pump_code_54.htm

http://www.chevythunder.com/Flow chart index.htm
get out your shop manual and multi meter

if you suspect the injectors , you first use a multi meter to verify every injector reads the same ohms (usually near 11-16 ohms, and yes they should all read very closely) then you need a noid kit for a G.M. fuel injection system, these are basically little lights that light as the injector pulse hits them that you plug into the injector harness,after you remove the harness from the injectors, they plug into the harness just like an injector, if you try to start the engine and they blink on and off the pulse is reaching the injectors thus proving that the injectors get the pulse

ANY TIME YOU SUSPECT FUEL INJECTOR OR FUEL SYSTEM RELATED ISSUES ,A REASONABLE START POINT IS TO USE A GOOD QUALITY FUEL INJECTION CLEANER ADDITIVE IN THE FUEL TANK AND SWAP TO A NEW FUEL FILTER
http://www.bgprod.com/catalog/gasoline- ... m-cleaner/
http://www.bgprod.com/catalog/gasoline- ... m-cleaner/

http://www.harborfreight.com/11-piece-n ... 97959.html

noidlite.jpg


c4fuelcir.png


http://www.chevythunder.com/Flow chart index.htm



http://www.digitalcorvettes.com/forums/ ... p?t=197337



http://www.mainstreamtopics.com/forums/ ... iagnostic/

http://members.shaw.ca/corvette86/FuelS ... gnosis.pdf
[/color][/b]

keep in mind oil temp sensors and oil pressure sensors are notorious for going defective and reading wrong
then as always ,always drop back to the basics of compression,
air flow in and exhaust out of the engine,
ignition spark, strength and timing,
and fuel delivery,volume and pressure

oil pressure and temp
cooling,temps and fluid levels (fuel,oil,coolant)
computer controls and sensors
always drop back to the basics
have you verified theres no vacuum leaks
have you verified theres at least 37 psi of fuel pressure?
have you verified theres constantly ignition spark at the plugs?
have you verified theres spark at OR NEAR TDC on the power stroke with a timing light, timing tape on the damper and verified the timing marks are correct?
have you verified theres 12 volts at the coil?
have you verified the coil fires?
have you verified there spark at the plugs?
have you verified the injectors get voltage with a noid light?
have you verified the fuel injection fuses are good?
have you verified all the sensors are good?
all electrical connections are correct?
have you pulled trouble codes?
have you verified the firing order?
have you readjusted the valves so you know 100% that they are not too tight?
are you getting about 10psi of oil pressure or more as the engine turns over?
have you set tha TPS and IAC?
if you have not done a compression check and verified the valves are lashed correctly thats a good place to look , but only after the basics of ignition timing, spark, strength and fuel delivery are checked. your fuel pressure regulator , dirty injectors,clogged fuel filters loose connectors on injectors and sensors and ignition wire are frequently the cause as are corrosion on electrical connections, defective sensors., loose or broken vacuum lines.

Id check for fuel pressure is steady and spark is consistent first and verify the spark plug condition as clear pictures of the plugs numbered by cylinder can give a great deal of info
Id check for vacuum leaks , and loose battery connections and loose grounds

http://forum.grumpysperformance.com/viewtopic.php?f=80&t=728



http://www.corvettephotographs.com/c4vettes/codes.htm



http://www.international-auto.com/fiat- ... gauges.cfm

http://members.shaw.ca/corvette86/FuelS ... gnosis.pdf

http://www.thirdgen.org/injectorswap injector swap

http://www.thirdgen.org/tpimod2 IAC/ TPS



http://forum.grumpysperformance.com/viewtopic.php?f=32&t=168

http://forum.grumpysperformance.com/viewtopic.php?f=32&t=596

http://www.corvettebuyers.com/ecm.html



http://forum.grumpysperformance.com/viewtopic.php?f=32&t=3954





http://corvetteactioncenter.com/tech/c4 ... Z1XqJwcC10



http://tech.corvettecentral.com/2007/08 ... diagnosis/


get out your shop manual and multi meter

[/b][/color]
read thru these links


http://members.shaw.ca/agent86/Fuel Control And Delivery-8A.pdf
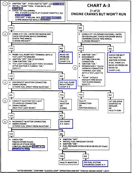
http://members.shaw.ca/corvette86/EngineCranksButWontRun.pdf
http://members.shaw.ca/corvette86/FuelSystemDiagnosis.pdf
http://members.shaw.ca/corvette86/No-Service Engine Soon - Light.pdf
http://members.shaw.ca/corvette86/SES Light On Steady.pdf
http://members.shaw.ca/corvette86/Non Scan Diagnostic Circuit Check.pdf
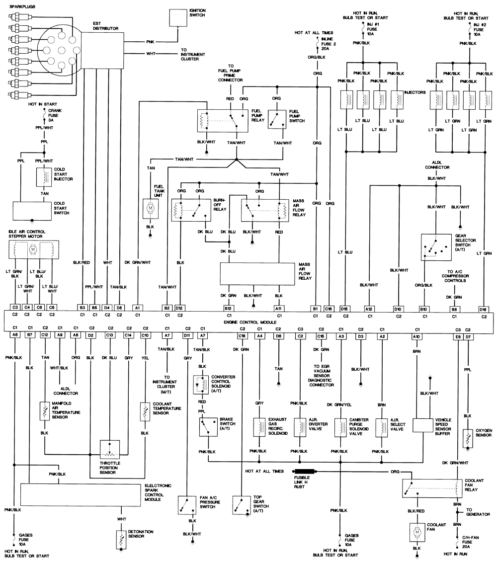
http://members.shaw.ca/corvette86/Engine to ECM Wiring Diagram 86.pdf
http://members.shaw.ca/corvette86/Component Location View 86.pdf

http://members.shaw.ca/corvette86/FuelSystemDiagnosis.pdf

http://garage.grumpysperformance.co...questions-can-be-found-here.12892/#post-66934
good info
http://www.go-fast.org/z28/diagnostics.html

http://www.corvetterecycling.com/category_s/63.htm
this process of finding the cause of a problem, is basically a detailed check list and once you understand what your looking at and what its supposed to do after each components tested, is basically a simple procedure if you test, and eliminating potential sources until you narrow it down to the cause, where you prove it then re-place, repair or adjust as required.
yes youll need to have some test equipment like, a shop manual, multi- meters and pressure gauges, timing lights etc. but its not that difficult
[b]STEP ONE IS ALWAYS GET A FACTORY SHOP MANUAL, AND READ THE LINKS BELOW
Verify fuel pressure,. by using a fuel pressure gauge on the shrader valve on the fuel rail, with a pressure gauge,
Verify injector pulse by using a noid light, & spark at the plugs by using a spark tester.
verify timing with a timing light
pull the trouble codes and check all fuses
[/B]
http://www.mamotorworks.com/corvette.ht ... %20manuals

http://www.helminc.com/helm/Result.asp? ... ted_media=

http://www.factoryautomanuals.com/p-912 ... -only.aspx



http://members.shaw.ca/corvette86/FuelS ... gnosis.pdf



FuelPump-MAF-1.jpg



I frequently get questions about why cars, most of us own that are used mostly as weekend toys and not as daily transportation,cars that sit for a few days between use seem to be plagued with battery's that won,t stay charged, well ive gone over this a few times so heres a few links of related info


http://forum.grumpysperformance.com/viewtopic.php?f=36&t=3453&p=26193&hilit=vats#p26193

http://forum.grumpysperformance.com/viewtopic.php?f=36&t=520&p=645&hilit=vats+resistor#p645

http://forum.grumpysperformance.com/viewtopic.php?f=36&t=63&p=31920&hilit=starter+rebuild#p31920

http://forum.grumpysperformance.com/viewtopic.php?f=32&t=5926&p=18562&hilit=starter+rebuild#p18562

maflow.png

maflow1.jpg

maflow2.jpg

maflow4.jpg

maflow3.JPG

MAF SENSORS AND RELAYS ARE EASILY DAMAGED SO ALWAYS CHECK AND SUSPECT THOSE


Pump.jpg


BEFORE you start going nuts look at the obvious stuff first!
CHECK THAT YOUR IAC and TPS sensors are set and adjusted correctly, set your ignition timing, make sure theres fuel in the gas tank,and theres no blown fuses and see if youve got a STEADY 37-40 psi on the fuel rail

WHEN TESTING<be sure the fuel pressure gauge reads correctly by comparing it to a second test gauge, these fuel pressure gauges are frequently defective

CHECK ALL YOUR FUSES WITH A MULTI METER
check your fuse block with a meter , if the car won,t start, a common issue is blown injector fuses
theres two fuses one controls the drivers side one controls the pass side injectors
fusex.jpg

The secret of effective diagnosis and troubleshooting is to have a logical plan, and to follow it without skipping any steps.when ever you get into unexplained symptoms the answer remains the same....in every case,.... you drop back to the basics and do a few tests, (and until you gain experience you need the FACTORY SHOP MANUAL TO INDICATE THE TESTS, NEEDED AND THE EXPECTED RESULTS LISTED) get out a multi meter and verify every fuse is good, and you have 13 volts at the battery and youve got at least a 1/2 tank of fresh fuel, before you start chasing your tail, thinking about more complicated problems
find the cause, you isolate, each function or system or malfunction to its related components then test, each individually, use of the shop manual is almost mandatory

the next step is to get out your multi meter and carefully verify that ALL YOUR FUSES AND RELAYS WORK
if they check out and its very likely that they WILL NOT DO SO, ID suggest checking the connections on oil pressure sensor at the rear of the block next to the distributor, if they look ok,ID replace the oil pressure sensor at the rear of the block next to the distributor, the fuel pump will only continue to run after the first few seconds and you only get voltage to the ignition if this sensor tells the CPU youve got 5 PSI of oil pressure during the start-up procedure
39451.jpg


Ive seen several corvettes with similar start, then stall issues that cleared up after replacing those sensors, Im reasonably sure the sensor INCORRECTLY and INTERMITTENTLY, indicate the oil pressure momentarily drops to ZERO causing the problem, but what IM sure of is that replacing the sensors cure the issue occasionally

http://forum.grumpysperformance.com/viewtopic.php?f=32&t=1401&p=8895&hilit=start+sequence#p8895

http://forum.grumpysperformance.com/viewtopic.php?f=32&t=2697

http://forum.grumpysperformance.com/viewtopic.php?f=32&t=596



http://www.73-87.com/7387garage/drivetrain/pkupcoil.htm



http://www.aa1car.com/library/dis.htm



http://members.shaw.ca/corvette86/Component Location View 86.pdf

verify your fuel pressure stays up in the 37-40 psi range without falling much after the cars shut off for at least 5 full minutes, and it should stay at 37-42 psi if the fuel rail pressure does drop off in the first few minutes its almost always a leaky injector or bad fuel pressure regulator, and check for vacuum leaks either could cause your symptoms, remember the fuel pressure should stay fairly consistent while the cars running regardless of how fast or long the throttles quickly blipped or held wide open,and be sure the throttle linkage and blades move smoothly and don,t bind or stick at any point in the movement arc.
If you've got an early year TPI , that's designed to use a 9th cold start injector,check the cold start injector as its a potential problem source if its not working correctly.if your TPI won,t start, easily on the first try but starts easily on the second or third attempt, that's a very common indication of EITHER a leaking fuel pressure regulator (about 70% of the time), or less commonly a defective fuel pump(about 10%, of the time the pressures low or they leak internally) or leaking injector(s) (about 20% of the time)
but it can also indicate a partly clogged fuel filter, or rarely air filter , and in rare cases a defective oil pressure sensor switch which won,t let the ignition work until theres more than 5 psi of oil pressure
efisystem.jpg

The secret of effective diagnosis and trouble shooting is to have a logical, well-ordered system. Following a logical step-by-step procedure will get you to the root cause of a problem quickly and efficiently. Repair manuals will have a diagnostic tree that goes in a logical progression. It will ask a question, usually yes or no, and depending on the answer will branch off in two or more directions. The last box in the tree will have the problem and how to correct it. The example shown is a simple one. A more complicated system will have branches going into specific tests and then have 2 or more branches from there depending on test results.
first check your shop manual for the fuse and fuse able link locations
fuses are located in several locations and fuse-able links near the battery


start with testing the fuel pressure in the fuel rails, that symptom is frequently the result of a DEFECTIVE fuel pressure regulator,or leaky injectors ,or a blown fuse or the blown fuse-able link near the battery, get a fuel gauge, installed on the fuel rail , it should reach 40psi almost instantly when you try to start the car and maintain 40psi or more at the fuel rail for at least 15 minutes, on the early TPI theres a 9th injector thats used to richen the f/a mix that might be defective, latter TPI versions just added pulse width to the injectors during the first few minutes of run time. keep in mind,wet, loose, or broken electrical connectors or corrosion on connectors, is also possibly a cause of intermittent problems
BTW To remove the connector from the injector, push carefully in the middle of the locking clip, with your thumb, This will make the sides, and tips move OUT WARD in their connector slots allowing the tips that hold the injector into the connector to slide out of the way from the injector body, and you can then pull the sides away. WATCH the locking clip - IT can and WILL come off and get lost, if your not careful




IVE generally found no problem with any corvette LT1 or TPI efi if it will quickly build a minimum of 38-40PSI on start up and MAINTAIN at LEAST 38-40 psi for a MINIMUM of 10 minutes after the engines turned off, 40-42 lbs is what the factory tests want and expect so if your getting 38-40psi your pressure readings indicate a normal, perhaps even better than average pressure reading, and more than expected pressure retention,
IF you suspect a TPI has a defective injector that's leaking or not flowing fuel,or partly clogged...You can also test this, to a degree, with a fuel pressure gauge
you can install a fuel pressure gauge on the fuel rail, and turn on the ignition key then watch the gauge, it should jump to 37-42 psi then remain fairly steady for at least 5 minutes before gradually loosing pressure.
If you can - and this is a pain in the butt to do, temporarily- remove the injectors. Leave them on the rail, but remove the rail. from the intake itself, This requires removing the majority of the TPI (P.I.T.A. but required).
HERES HOW
http://www.thirdgen.org/injectorswap

Remove the rail, but leave it connected to the fuel lines.

Next up, put a strip of cardboard under each bank. Then, have a buddy turn the ignition key on but not try to start the engine , you should hear the fuel pump run for 3 seconds while you look to see what happens. You should get an immediate spray of fuel.(all should be about equal and no injector remains dripping fuel) now have your buddy Turn off the key, while you watch closely to see which injectors are leaking.


youll be amazed at what you can learn, by reading thru links and sub links provided below



http://forum.grumpysperformance.com/viewtopic.php?f=32&t=596



http://members.shaw.ca/corvette86/FuelS ... gnosis.pdf






The first thing ID do is VERIFY the CAUSE, OF THE PROBLEM FOR THAT, THRU ISOLATING AND TESTING, COMPONENTS AND SYSTEMS , ignition spark should be bright blue and impressive, if its, weak,narrow, yellow or red theres a problem so research the cause, verify the coil and voltage
always drop back to basics and verify all the sensors first,verify that the TDC on the damper and the timing tab, are correct,and you've set the ignition timing correctly, set the IAC and TPS sensor and check for vacuum leaks, verify the voltage, at the battery both running and before you start the car, it should be over 13 volts running and over 12.5 volts on just the battery.
verify the plug gap is at about .045 inches (1.15mm) and the plugs are burning correctly, and set your ignition timing at 6
btdc at about a 700-750rpm idle.
use the timing light to verify the ignition advances as the rpms are increased, if its not advancing smoothly the distributor, might need work or the cpu might be defective

owning a shop manual, a vacuum gauge and a V.O.M. meter and a timing light will be mandatory

http://forum.grumpysperformance.com/viewtopic.php?f=32&t=1836

A SHOP MANUAL IS ALMOST MANDATORY,

THESE LINKS should help, EACH LINK PROVIDES DOZENS OF ANSWERS AND SUB LINKED TESTS ETC, since you can,t cure a problem until you understand whats wrong, read through the linked info

viewtopic.php?f=80&t=728

viewtopic.php?f=55&t=2055&p=5481#p5481

viewtopic.php?f=55&t=1475&p=3325&hilit=testing+sensor#p3325


http://tpiparts.net/85_89_maf_sensors/



http://chevythunder.com/



You will need some basic test equipment to perform your diagnosis.

take notes your memory may not hold the exact numbers & results you need to refer back too.


always drop back to the basics,
get the starter to spin the engine
verify theres compression
verify your getting oil pressure
verify the exhaust is not clogged, catalytic converters are not melted
verify the cars fuel is clean and water free
verify your getting fuel pressure
verify your injectors are working
verify your getting ignition spark at the plugs
verify the valves are correctly adjusted
verify the cams correctly indexed
verify all the rockers are moving
verify the distributor spins
always drop back to basics

have you verified TDC on the damper and timing tab?
have you done a compression test?
are all the spark plugs firing correctly?
did you degree in the cam or just DOT-to-dot install it?
whats your fuel pressure?
have you verified the carbs float levels?
does fuel run out the site holes at idle?
are the needle& seat valves working correctly?
whats your ignition timing?
do you have voltage at the coil?
whats your plenum vacuum?
have you verified the engine got no vacuum leaks?
whats the oil pressure?(did you check the dip stick?)
have you adjusted the valves at idle?
does the distributor timing advance with rpm increases?
have you tried a different carb?
what are the plugs gaped at?
does this happen without an air filter?
have you verified you've have functioning power valves?
what jets are you using?
is there visible fuel flow from the boosters?
whats your battery voltage?
whats your exhaust back pressure?
are you totally sure the fuel free of water and fresh?
have you pulled trouble codes?



knowing whats going on and WHY can help , and a V.O.M. meter , code scanner, timing light, vacuum/fuel pressure gauge and a shop manually are basic tools

MORE GOOD INFO

http://www.corvettefever.com/techarticl ... index.html

http://members.shaw.ca/corvette86/Compo ... w%2086.pdf

http://members.shaw.ca/corvette86/FuelS ... gnosis.pdf

http://chevythunder.com/lt1_electrical_page.htm

http://chevythunder.com/Flow%20chart%20 ... rt%20Pages

http://chevythunder.com/fuel%20injectio ... 20DIAGRAMS




Ill assume that youve verified the ignition timing PER THE SHOP MANUAL and that your getting spark plug electric SPARK,and your just having a slow or intermitant start most of the time, and it doesn,t seem to matter if the engines cold, warm or hot, and that at times it starts regularly but most of the time it requires several tries but once started it runs decently?

Now by that IM referring to cars that when the ignition spins the engine over freely the engine takes its own sweet time catching, in most cases a simple test will indicate a common source of that problem.
step one
get in the car and turn the ignition key only far enought that the fuel pump runs, and pressurizes the fuel rails and shuts off, don,t turn the key to the point the engine spins on the starter, remove the key and repeat three times.
step two
on the fourth try on the start process attempt to start the car, by spining the engine over, if you find that it almost always starts under that condition its a strong indicator that the fuel rail pressure is dropping off and the prime suspect is the fuel pressure regulator, and a leaking diaphragm.
you should see a minimum of 37 psi on a tpi, 40psi-42 psi on a LT1 at the fuel rails.
replacing the OEM fuel pressure regulator with an adjustable aftermarket fuel pressure regulator will generally result in the problem being reduced or eliminated.
other common potential problems are clogged/defective fuel filters or defective fuel pumps, fuel pump relays or fuses, leaky injectors fuel pump inlet screens or a bad fuel pump.


drop back to the basics

your shop manual will be a big help, and having a code reader and a vom meter will prove to be very useful.
check that youve got 40-47 psi on an LT1 fuel rail and no less than 37 psi on a TPI fuel rail, injectors should read about 12-14 ohms resistance, spark plugs should look like they are burning correctly, the ignition wire should have similar resistance readings, the fuel pump should run once theres 5 psi or oil pressure and the engines spinning, read thru the links below carefully




related useful linked info, you really should read thru as the sub links contain a ton of useful info


viewtopic.php?f=32&t=764

http://www.chevyhiperformance.com/howto ... index.html

http://www.gmhightechperformance.com/te ... index.html





TPI Torque Specifications

Below are the torque specifications as designated by GM for Tuned Port Injection intakes. Please note that some specifications are in lb. ft., and some are in lb. in.

Manifold to Runner Bolts 25 lb. ft.
Runner to Manifold Bolts 25 lb. ft.
Fuel Rail Attaching Bolts 15 lb. ft.
Throttle Body Attaching Bolts 18 lb. ft.
Throttle Position Sensor 18 lb. in.
Idle Air Control Valve 13 lb. ft.
Throttle Body Coolant Plate 27 lb. in.
Throttle Body Cover Plate 30 lb. in.
Power Brake Vacuum Fitting 108 lb. in.
Fuel Line Nuts 20 lb. ft.
Fuel Tube Bracket Bolt 25 lb. ft.
Fuel Pressure Connection 115 lb. in.
Pressure Regulator Base to Rail 44 lb. in.
Pressure Regulator Bracket 44 lb. in.
Outlet Tube to R/H Rail Retainer 44 lb. in.


USE THE DATA BASE SEARCH FEATURE, Search FOR ANSWERS DON,T GUESS


http://forum.grumpysperformance.com/viewtopic.php?f=57&t=853&p=1320#p1320

http://forum.grumpysperformance.com/viewtopic.php?f=52&t=196

http://forum.grumpysperformance.com/viewtopic.php?f=70&t=1411

http://forum.grumpysperformance.com/viewtopic.php?f=70&t=967

http://forum.grumpysperformance.com/viewtopic.php?f=50&t=1912

http://forum.grumpysperformance.com/viewtopic.php?f=32&t=1148

viewtopic.php?f=32&t=1773

viewtopic.php?f=32&t=596

viewtopic.php?f=32&t=303

this info may help
http://www.corvettebuyers.com/ecm.html

http://www.aldlcable.com/
don,t forget to pull trouble codes in your search for answers
dlc19xs.jpg

fuel_pump_relay.jpg



BTW SUSPECT A VACUUM LEAK?

get out your oxy-acetylene torch or a propane torch, don,t light it but turn it on so gas is flowing and place the tip near any suspected leak points, while a buddy watches the tach, anytime the gas gets sucked thru a crack the rpms will jump higher in direct relation to the amount of extra fuel the engines getting, no, oil, fluid,or cruds or stains are left on the intake and its simple too do process


take it a step at a time,set the fuel pressure at 40psi, check for vacuum leaks, and adjust the IAC and TPS and set the timing at 8 degrees per the manual,then drive it for 30 minutes to let the computer learn the conditions it operates in

http://forum.grumpysperformance.com/viewtopic.php?f=32&t=168

http://forum.grumpysperformance.com/viewtopic.php?f=70&t=875

http://forum.grumpysperformance.com/viewtopic.php?f=50&t=821&p=1212&hilit=propane+leaks#p1212

http://forum.grumpysperformance.com/viewtopic.php?f=32&t=1401

viewtopic.php?f=50&t=10623&p=45691#p45691

http://forum.grumpysperformance.com/viewtopic.php?f=70&t=1809
 
Last edited by a moderator:
Re: hard starting TPI, or LT1 vette

this infos bound to be helpful at times

the first step, in isolating a problems source on these c4 corvettes is almost always to pull trouble codes, and to grab the factory shop manual, so ID be looking at those first. youll want to have a muli meter and a fuel pressure gauge and it certainly won,t hurt to have a diagnostic code reader/scanner
have you pulled trouble codes"
what is the resistance reading on the new injectors?
START WITH A BASIC TUNE UP, YOU MIGHT BE AMAZED AT HOW OFTEN WHAT YOU THINK IS A MAJOR ISSUE IS CURED WITH NEW SPARK PLUGS< IGNITION WIRES AND A NEW FUEL AND AIR FILTER AND SETTING THE IGNITION TIMING
tpipig.png

a very common problem on older TPI systems is a leaking fuel pressure regulator diaphragm resulting in excessive fuel in the plenum,as it gets sucked past the defective diaphragm , up into the plenum thru the vacuum line, the most likely source of that problem, is a ruptured or leaking fuel pressure regulator diaphragm thats allowing fuel to flow up the vacuum hose into the plenum, as its very unlikely all 8 injectors are leaking, that would account for the fuel pressure drop and all 8 cylinders showing excess fuel contamination
tpifp1.jpg

replacement diaphragm
tpifp3s.jpg

stock FUEL PRESSURE REGULATOR
tpifp2.jpg

fuelrail-5.JPG

ADJUSTABLE AFTERMARKET FUEL PRESSURE REGULATOR


FPR_Diagram_zps62c51e7d.jpg


tpi-fuelrails.gif


tpidig1.gif




these charts are for the 1985-89 vette cooling fans
85-89fans1.png

85-89fans2.png
85-89fans31.png


85-89fans3.png


fuelcirc1.png

shaw2.png


1996_CK_Fuel_Injector_Control.jpg

873396384.jpg

48052.jpg

if you hear the fuel pump pressurize the fuel rails but the engine only starts than stalls, or fails to start, its frequently the fault of a defective oil pressure sensor

ALWAYS TEST ALL YOUR INJECTORS OHMS RESISTANCE, WITH A MULTI METER, IF YOUR ENGINE RUNS BADLY ,INDIVIDUALLY< THEY SHOULD ALL BE VERY CLOSE TO EQUAL, ANY THAT ARE NOT NEED TO BE REPLACED

low oil pressure or a defective oil pressure sensor will cut off your ignition
Oilpressureswitchearly.jpg

both these sensors, located near the base of the distributor on the block, are known to fail & leak,oil at times, especially the smaller one with two blade connectors

LT1Optispark.jpg

http://garage.grumpysperformance.com/index.php?threads/tpi-fuel-pressure-issue.10385/#post-42943
tpishradera.jpg



efisystem.jpg

http://chevythunder.com/
vetp1.png

vetp2.gif

vetp3.gif

vetp4.gif

vetp5.gif

vetp6.gif

vetp7.gif

http://www.harborfreight.com/fuel-injec ... 92699.html
HERES A FEW USEFUL, related bit of info and LINKS YOU MIGHT WANT TO LOOK THRU
and yes they should all read very closely) then you need a noid kit for a G.M. fuel injection system, these are basically little lights that light as the injector pulse hits them that you plug into the injector harness,after you remove the harness from the injectors, they plug into the harness just like an injector, if you try to start the engine and they blink on and off the pulse is reaching the injectors thus proving that the injectors get the pulse, each injector should get a pulse and you should see each noid light flash, if you don,t theres an electrical or wiring issue, that must be addressed.
injectors normal state is CLOSED they open only with a electric pulse, the duration of the pulse controls the volume of fuel flow
carefully visually inspect your cars wire harness for corrosion ,loose or broken or shorting connectors or wiring, obviously getting the wrong electrical pulse, a grounded or shorted connector will cause problems.
a NOID light can be used to test, the pulse is intermittent if plugged into the cars wire harness and its more likely the injector needs cleaning
205107_700x700.jpg


8789.jpg

http://www.harborfreight.com/11-piece-n ... 97959.html

noidlite.jpg

reading thru a few links might be helpful
step #1
always ISOLATE AND VERIFY, TEST EVERYTHING ASSUME NOTHING!

this cheap fuel pressure test gauge works ok, you just need to figure out how to tap into the fuel rail or line and that varies between years but certainly not a difficult issue to either remove a shrader valve and insert an adapter barb fitting or splice a TEE into a fuel line as a temp. test point, certainly any mechanic has an assortment of the common barb fittings required in a test kit

bbtee1.jpg

bbtee2.jpg

as always a simple, step bye step approach where you verify the function or failure of each related component in the system before assuming any components working correctly is the smart route to take. never assume you know some component functions or is at fault until its tested carefully, and remember to verify proper voltage, resistance OHMS and ELECTRICAL GROUNDS
efisystem.jpg

THIS LINK WILL HELP
http://members.shaw.ca/corvette86/FuelS ... gnosis.pdf
now keep in mind the, fuel pump supplies fuel flow, the fuel pressure regulator restricts fuel from leaving the fuel rails untill pressure exceeds about 42 psi, each injector is basically just an electric solenoid that controls an internal valve in the injector thats NORMALLY in a closed position, until, the electrical pulse OPENS the injector, if you removed the electrical connectors the solenoid should remain firmly shut.
(Id remove the aftermarket chip during testing as Ive seen a very high percentage of those aftermarket performance chips cause problems after a few weeks of run time as they seem overly prone to defects)

electrical_connectors.jpg

fuel+new_injector.jpg

the injector is supposed to be effectively a sealed valve controlling flow of fuel until voltage is applied forcing the solenoid to open the injectors internal fuel passage, and no fuel should be able to drain thru the orifice,if it does, even though the injectors may be new ID be strongly suspecting that debris in the tank or lines has entered the injectors ,water carrying micro crud or rust into the fuel line, and into the injector is preventing its full closure, as thats the only logical way fuel can pass thru a disconnected injector receiving no electrical current.
it only takes a very small amount of rust/dust/crud in the fuel flowing thru an injector to let it leak or jam the pindle seat partly open, so don,t assume NEW injectors can swallow that sludge with impunity.
the factory fuel filters are BARELY adequate for clean fuel

the next step is to use a multi meter and verify injector resistance, it should be consistent within an OHM or two between all injectors depending on brand most c4 corvette injectors will read 12-15 OHMS resistance.
Id then check the fuses and use a NOID test kit to verify the injector gets an electrical pulse at the electrical connector, remember each bank is separately fused on some year c4 corvettes
Dirty or partially clogged injectors can show up in many ways and may include:

- "Check Engine" light or cylinder misfire code
- Poor idle
- Light throttle surging or bucking
- Denotation (knocking or pinging), causing possible engine damage
- Low speed hesitation and surging issues
- Emission problems
- Loss of performance
- Increased fuel consumption

Leaky injectors can cause:

- Hard starting, especially when hot
- Poor idle
- Emission problems
- Increased fuel consumption
- Exhaust odor

Injector3.gif


Theres a great deal of related info, in these links
swapping to a 200 amp alternator will frequently improve the operation of both the cars ignition and electric cooling fans

https://www.summitracing.com/parts/tff-8173nep/applications/year/1996


you really need to purchase a multi meter and a SHOP MANUAL and look thru the schematics
without testing theres almost no way to locate the source of your problem,, testing will tell you


http://www.helminc.com/helm
http://www.factoryrepairmanuals.com...ice-manual-2-volume-set-original-shop-repair/
your working at a huge dis-advantage if you don,t have a factory shop manual for your specific year car, and basic tools like a multi-meter, and vacuum /pressure gauge
96manual.jpg

http://www.harborfreight.com/fuel-injection-pump-tester-92699.html
feulpres.jpg

http://www.harborfreight.com/5-in-1-dig ... 98674.html
image_6238.jpg

http://www.harborfreight.com/5-in-1-dig ... 98674.html
viewtopic.php?f=50&t=3110&p=12074&hilit=multi+meter#p12074

lt4.jpg


corp_0809_08_z+1994_chevrolet_corvette_coupe+v8_lt1_engine.jpg

LT1/LT4
Corvette-LT1-engine-DSC_0083_a.jpg


LT5
lt5vette.jpg

L98
l98vette.jpg

creml.png

L98 TPI,

coldstartinjector.jpg

cold_start_injector.jpg

the CORRECT ANSWER to what the cold start injector looks like that I get asked rather frequently, depends on what year, TPI you have, this is the early version like on the 1985 and it takes a unique injector, and its no longer available from chevy. they are also well know sources for vacume leaks

l98vetteturbo.jpg

L98 TPI, with turbos added

Sensor Locations

Sensor
Location


Engine Coolant Temperature Sensor. Front of engine, below Throttle Body.

Engine Oil Temperature Sensor. Left rear of engine, just above the oil filter.

Oil Pressure Sender/Switch. Top, left hand rear of engine.

Fuel Quantity Sender. Top of fuel tank, beneath filler pipe escutcheon panel.

MAT (Manifold Absolute Temperature Sensor). Underside of manifold air plenum at rear.

Outside Temperature Sensor. Right side of engine, top right corner of radiator.

In Car Temp Temperature Sensor. Coupe: above left seat near interior courtesy light, Convertible: center of cargo compartment lid.

MAF (Mass Air Flow) Sensor. Front of engine ahead of throttle body.

MAF Problems

Faulty MAF sensors will normally light the check engine light on the drivers information center if the problem is constant and store a trouble code. If intermittent, a trouble code will still be stored as long as the battery is not disconnected.

Normally, the problem is a poor connection at the sensor and wiggling the wires, unplugging and reinserting the connector will often cure the problem.

A faulty MAF will normally cause a no start or difficult start condition and although you can eventually get the car into the "limp-home" mode in most cases, you need to attend to the problem ASAP.

AC/Delco sensors can become intermittent or give false readings if the wires become contaminated as explained above.

The MAF is a critical part of the emission control system and as such will cause the computer to react to problems very quickly, setting trouble codes and reducing performance in ways that cannot be ignored for long.

MAF Mods

The Bosch MAF is often modified by removing the two screens that are present in the front and rear of the cylinder. Removing these screens significantly increases the air flow through them and this results in more horsepower. Removing the screens is an old trick from the Corvette Challenge days in 1988 and 1989. It does work but is illegal in many states so be advised not to do anything that will get you arrested for a pollution violation.

The AC/Delco MAF is not readily modified. It is what it is but since it is a larger diameter than the Bosch, it responds well to changing the air filter to a free flowing type such as the K&N filter."

fr893.jpg

mafsensortest.jpg

http://www.mamotorworks.com/corvette-c4 ... 6-893.html
http://content.mamotorworks.com/pdf/601096.pdf

Oxygen (O2) Sensor. Left side of engine, in exhaust pipe.(some years have two ,one on both sides)

TPS (Throttle Position Sensor). Right side of throttle body at the front.


Sensor Outputs:

Sensor
Measured Value


Engine Coolant Temperature Sensor. 185 Ohms @ 210F, 3400 Ohms @ 68F, 7,500 Ohms @ 39 F.

Engine Oil Temperature Sensor. 185 Ohms @ 210 F, 3400 Ohms @ 68 F, 7,500 Ohms @39 F.

Oil Pressure Sender/Switch. 1 Ohms @ 0 PSI, 43 Ohms @ 30 PSI, 86 Ohms @ 60 PSI.

Fuel Quantity Sender. 0 Ohms @ Empty, 45 Ohms @ 1/2 Full, 90 Ohms @ Full.

MAT (Manifold Absolute Temperature Sensor). 185 Ohms @ 210 F, 3400 Ohms @ 70 F, 15,000 Ohms @ 40 F.

Outside Temperature Sensor. 4400 Ohms @ 60 F, 2200 Ohms @ 85 F.

In Car Temp Temperature Sensor. 4400 Ohms @ 60 F, 2200 Ohms @ 85 F.

MAF (Mass Air Flow) Sensor. .4 Volts @ idle, 5 Volts @ Full Throttle.

Oxygen (O2) Sensor. .1 Volt Lean Mixture, .9 Volt Rich Mixture.

TPS (Throttle Position Sensor). .54 Volts Idle, ~ 5 Volts Full Throttle.

IAC and TPS Adjustment
http://www.thirdgen.org/tpimod2

TPI Injector Swap
http://www.thirdgen.org/injectorswap

Throttle Body Coolant Bypass
http://www.thirdgen.org/coolantbypass



Measured Value
Engine Coolant Temperature Sensor. 185 Ohms @ 210F, 3400 Ohms @ 68F, 7,500 Ohms @ 39 F.
Engine Oil Temperature Sensor. 185 Ohms @ 210 F, 3400 Ohms @ 68 F, 7,500 Ohms @39 F.
Oil Pressure Sender/Switch. 1 Ohms @ 0 PSI, 43 Ohms @ 30 PSI, 86 Ohms @ 60 PSI.
Fuel Quantity Sender. 0 Ohms @ Empty, 45 Ohms @ 1/2 Full, 90 Ohms @ Full.
MAT (Manifold Absolute Temperature Sensor). 185 Ohms @ 210 F, 3400 Ohms @ 70 F, 15,000 Ohms @ 40 F.
Outside Temperature Sensor. 4400 Ohms @ 60 F, 2200 Ohms @ 85 F.
In Car Temp Temperature Sensor. 4400 Ohms @ 60 F, 2200 Ohms @ 85 F.
MAF (Mass Air Flow) Sensor. .4 Volts @ idle, 5 Volts @ Full Throttle.
Oxygen (O2) Sensor. .1 Volt Lean Mixture, .9 Volt Rich Mixture.
TPS (Throttle Position Sensor). .54 Volts Idle, ~ 5 Volts Full Throttle.

Sensor Locations

Sensor


Location
Engine Coolant Temperature Sensor. Front of engine, below Throttle Body.
Engine Oil Temperature Sensor. Left rear of engine, just above the oil filter.
Oil Pressure Sender/Switch. Top, left hand rear of engine.
Fuel Quantity Sender. Top of fuel tank, beneath filler pipe escutcheon panel.
MAT (Manifold Absolute Temperature Sensor). Underside of manifold air plenum at rear.
Outside Temperature Sensor. Right side of engine, top right corner of radiator.
In Car Temp Temperature Sensor. Coupe: above left seat near interior courtesy light, Convertible: center of cargo compartment lid.
MAF (Mass Air Flow) Sensor. Front of engine ahead of throttle body.
Oxygen (O2) Sensor. Left side of engine, in exhaust pipe.
TPS (Throttle Position Sensor). Right side of throttle body at the front.
Grounds00021a.jpg

you will want to PRINT the info from the private message... and this two minute test...

would take a digital volt meter...

set it to 20 volts DC scale...

start the engine and turn on the headlights..

1. test between the positive and the negative battery posts. 14.1 to 14.8 volts is expected.

2. test between the negative battery post and the engine block. 0.04 volts is expected..

3. test between the negative battery post and the body... 0.02 volts is expected..

4. test between the Engine block and the body.. 0.02 volts is expected.

if you get 0.00 on the last 3 tests.. change the meter setting to 2 volts DC scale.. and retest.. the last 3...

this test takes about 2 minutes...

post your results by test number..

if you get more than the 0.04 or 0.02 volts on the display...

you have a bad ground between those parts..
why do this test.... bad grounds will stop any new car in its tracks...

why... electrons flow from Negative to positive... if you loose a ground.. or it becomes intermittent.. you won't have any power for that circuit... just like a table light when the plug falls part way out of the wall... the light will go out..

Re

Pump1.jpg


grounds1.jpg

1987 TPI
1987_5_7L_Tuned_Port_Injection_engine_wiring.gif


1991 TPI
Fig55_1991_5_7L_Tuned_Port_Injection_engine_wiring.gif


85-99cir.gif

8992cir.gif


C4 Corvette Start Sequence
C4 Corvette Start Sequence for L-98 Engines

When starting an L-98 Corvette engine, a sequence of events take place that precedes the engine running. Knowing these sequences will help you troubleshoot no start issues with your C4 Corvette.

  1. Fuel Rail Pressurization
  2. C4 Corvette Start Sequence begins when you first turn the key to the “on” position, the fuel pump will run for 2 seconds pressurizing the fuel rails. There is a Schrader valve on the passenger side fuel rail near the rear of the engine and proper fuel pressure after the pump runs should be between 40-42 pounds of pressure. The reading will drop to 38-40 pounds after the engine is running.
  3. Initial C4 Corvette Start Action: Once rotating the key to the start position if the anti-theft system has not disabled the starter the engine will rotate.
  4. Once the oil pressure has reaches 4 PSI, the oil pressure switch contacts will close allowing the fuel pump to run. Note that you should have a black color oil pressure switch/sender. This sender is mounted behind the distributor on the driver’s side. If its not replace it with one that's only black. If the car fires then stalls replace this switch.
  5. The distributor outputs rotational frequencies to the ECM (Engine Control Module) as a result of the engine being rotated by the starter. This frequency continues as long as the engine turns (both starting and running) if no frequency output is present the engine will not run.
  6. ECM Outputs : Once the ECM sees oil pressure greater than 4 PSI and the reference frequency from the distributor the ECM will command the injector drivers which will begin pulsing the injectors open for 4 ms (milliseconds) periods. (The L98 injectors all fire on one side of the engine at the same time followed by all injectors on the other side firing at the same time. The LT-1 fires the injectors individually per the firing order).
  7. Brainiac Fact for C4 Corvette Start Sequence! The ECM also pulls the fuel pump relay which makes the contacts and parallel's it electrically with the oil pressure switch. This way if the fuel pump relay fails you can still normally get the car to run. This will only happen if you make at least 4 PSI oil pressure. This “limp home mode” feature was put in place to allow for a fuel pump relay failure.
  8. The ECM requires an input from the TPS (Throttle Position Sensor which is mounted on the throttle body assembly) required voltage is .54 volts DC. Greater than 0.54 volts the ECM will assume the engine is flooded. This logic is triggered by the driver when pressing the accelerator pedal to the floor. The flooded condition would clear as a result of restricted fuel flow. The output of . 54 volts during start and idle from the TPS is very important in both starting and run performance. Its important to have a good voltmeter to troubleshoot something with such low voltage. Poor quality voltmeters can be inaccurate up to .2 volts.
  9. Assuming the ignition module has spark of sufficient intensity to ignite the air-fuel mixture the engine will start.
  10. C4 Corvette Start Sequence of Engine "Initial Start" for 1985 through 1989 L-98: When the engine initially starts, the MAF sends a signal to the ECM reporting that air is flowing at "XXXX" hertz frequency through it and into the intake manifold. The ECM refers to its Airflow Table for ECT conditions of the amount of air being consumed and adjusts the injector pulse width to around 2.2 ms this supplies a proper air/fuel mixture for combustion. For information on the 1990 and 1991 L-98 see below.
  • Note 1990 and 1991 L-98 : The MAF was eliminated from the engine in favor of a speed/density system. This system uses a sensor called the MAP sensor which measures the Manifold Absolute Pressure (hence the name MAP) and compares it with the atmospheric pressure outside the intake manifold. This information, coupled with the Manifold Air Temperature, Engine Coolant Temperature and Engine RPM is used by the ECM to determine the amount of air entering the cylinders. It is a different way of reaching the desired 14.7:1 air-fuel mixture ratio but functionally is like the MAF system in that the ECM uses the feedback to control the "on time" for the injectors.
  • GM used this approach in the 1990 and 1991 L-98 engines and in the 1992 and 1993 LT-1 engines. With the 1994 model C4, they went back to the MAF system. Note that MAF based systems are far more accurate since they measure air flow directly whereas the MAP system calculates air flow indirectly. Errors and vacuum leaks can throw the calculation off and Corvette returned to the MAF system beginning with the 1994 C4 (with a MAP backup). From a troubleshooting standpoint, the MAP operation comes into the sequence the same place that the MAF does.
  • Initial engine idle speed of should be around 900-1100 RPM and then slowly decay to around 600-700 RPM unless the air conditioner is on at which case it will run at around 800-1000 RPM depending on pressure altitude. If this does not happen, the Idle Air Mixture Valve or IAC may be plugged or faulty. You could also have an intake manifold leak or another vacuum leak. Check for vacuum leaks.
Engine Running

  1. ECM Open Loop Mode: In "Open Loop" mode the ECM is controlling the air/fuel mixture by referencing generic values stored in the ECM Flash memory. These values do not benefit from from the O2 sensor monitoring and lean rich correcting factors.
  2. After the C4 Corvette Start Sequence is finished the Oxygen Sensor (mounted in the exhaust pipe) indirectly is considered to have reached operating temperature of several hundred degrees when the Manifold Air Temperature (MAT) sensor shows an intake air temperature of more than 140 degrees and the Engine Coolant Temperature (ECT) is 160 degrees. This would be a Boolean logic type of result. In simple terms X+X+X= Output "Y" The computer then switches to "closed loop" mode meaning the Oxygen sensor’s output is being referenced and being used along with the MAT and ECT outputs for the ECM to adjust the injector pulse widths (more “ms longer” or less “ms shorter”) to maintain a 14.7:1 air/fuel mixture.
C4 Corvette Start Problem Summary
If you have a no start condition or if your C4 Corvette starts and then dies, check the above items in sequence to see if all the events are occurring as stated.

Having the proper tools make this job much easier and are highly recommended for troubleshooting these sorts of problems.
 
Last edited by a moderator:
if you experience intermittent, times when the engine just won,t start or cuts out heres a few ideas,
well,if it dropped trouble codes it would help,locate the problem of course,and on a car that old corrosion in electrical connectors or a bad ground or loose or corroded battery connections would be the first place I looked,
it could be several causes and the next place that jumps to mind is a loose electrical connector or defective ignition switch, but a defective oil pressure switch,comes to mind also, because that's designed to cut off the fuel pump if oil pressure drops below 4 psi, if its defective it can cause problems,(yes Ive seen similar problems in the past)

viewtopic.php?f=54&t=1396

the VATS might be acting up,

viewtopic.php?f=36&t=63&p=3403#p3403

http://garage.grumpysperformance.com/index.php?threads/tpi-fuel-pressure-issue.10385/#post-42943

we can rule out water in the fuel, because it would tend to run rough before & after it shut off at lease momentarily, you can rule out the CPU over heating because it can,t cool off in seconds, but Ive also seen HEI modules that were defective cause intermittent problems

the first step is to use your inductive timing light to determine if you have spark at the plugs and your v.o.m. meter to see if the battery's producing over 13 volts when its hot, it may not be even ignition related? did you verify you have spark at the plugs?
how about good fuel pressure?

if your running an HEI ignition that's occasionally caused by a bad module.

http://www.angelfire.com/empire/automot ... andtesting

http://www.aa1car.com/library/us1296.htm

viewtopic.php?f=50&t=3110&p=8296#p8296

REPLACING A C4 CORVETTE BATTERY VIDEO
http://www.youtube.com/watch?feature=pl ... 03-roWP2A#!

Easy tests for HEI system:

1. Test for power at the pink BAT terminal. You should have battery voltage w/ the key in the start and RUN positions.

2. Connect the ground side of your test lamp to the battery POSITIVE cable. Probe the TACH terminal on the dist. cap while a helper attempts to start the engine. The test lamp should blink repeatedly as the engine cranks. No blink= bad module or pickup coil. Further testing is required to pinpoint the problem. Blink but no spark = bad ignition coil.

3. Remove the cap & rotor. Remove the green & white leads from the module. Connect your ohmmeter to the green & white leads. You should have approx. 800-1500 ohms depending on the ambient temperature. Open circuit (infinite ohms) = bad pickup coil.

Wiggle the green & white leads as you test. Ohm reading should remain constant if the leads are good. If the reading varies as the leads are wiggled, the pickup coil is bad. You'll often find broken pickup coil leads this way.

4. DVOM (meter) still connected to green & white leads. Set your DVOM to AC VOLTS. Have a helper crank the engine as you watch the AC VOLTS reading. A good pickup coil will produce about 3V AC when cranking. Less than approx. 2V AC indicates a bad pickup coil.


I really need more info, that could also be a carburetor or fuel system problem.

did you use the dielectric tune up grease under the module... it is heat sink grease that allows the transfer of heat from the module to the aluminum housing... without out this proper grease the module will overheat and burn out...

http://www.dimequarterly.tierranet.com/ ... h_hei.html

viewtopic.php?f=50&t=609

http://www.chevyhiperformance.com/techa ... index.html

http://www.bronco.com/cms/node/25

http://www.db-starter-alternator.com/St ... %20Motors/

viewtopic.php?f=44&t=773&p=1123#p1123

http://www.442.com/oldsfaq/ofign.htm

http://www.ehow.com/how-does_4809570_tr ... butor.html

viewtopic.php?f=32&t=10349&p=42530&hilit=relocating+sensor#p42530

http://www.aa1car.com/library/2003/us80312.htm

http://arrc.epnet.com/autoapp/9110/9110 ... System.htm

85382023L.gif


http://www.chevelles.com/techref/ftecref5.html
think things through, ask questions if you need too
THEY CONTAIN A HUGE AMOUNT OF RELATED INFO

PULL THE TROUBLE CODES
because pre-1996 corvettes are not OBDII code scanner compatible youll need to use the trouble code flasher to get the trouble codes

all the answers are readily available, theres known testing procedures and listed test results you can expect, and procedures listed in the shop manual for isolating and testing components, you don,t need to be a genius, you just need to be logical and persistent and not afraid to learn new things while getting your hands dirty at times, don,t get overwhelmed , break everything down too easy individual problems and tests, verify and test all the sensors,and test for factors like consistent fuel pressure, known temps,expected voltage or ohms resistance, and vacuum readings and don,t randomly start replacing parts as that gets expensive and its rarely the most efficient way to eliminate problems(unless you get really lucky) with modern computer diagnostic software you,ll have some advantages but think logically, most automotive problems still concern, loose electrical connectors, defective sensors, lack of compression, fuel delivery issues ,fuel pressure, vacuum, temperature or electrical issues.


http://www.helminc.com/helm

1996_Corvette.jpg

RAY QUAYLE POSTED THIS PICTURE

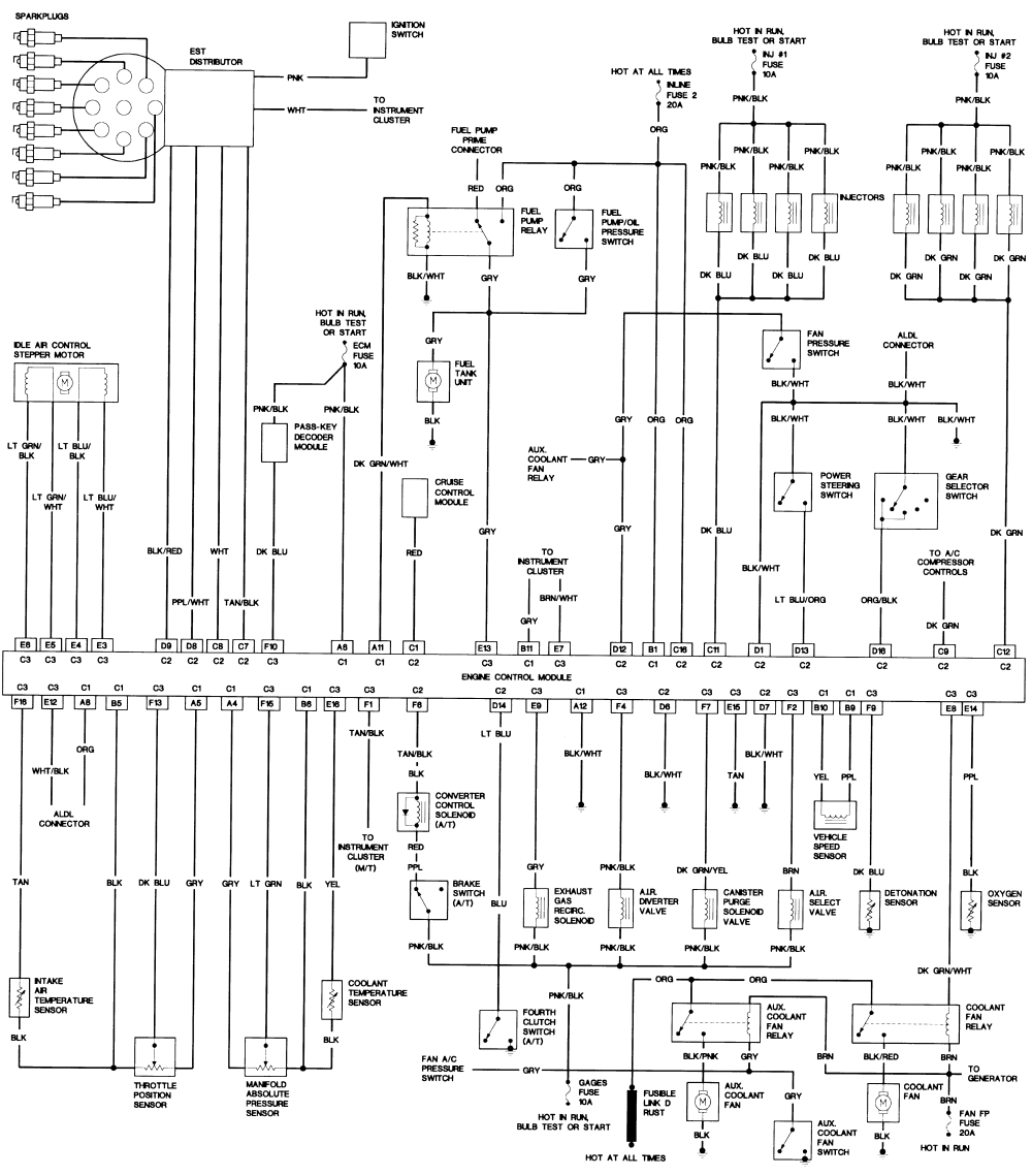
1986_Corvette_Fuel_Delivery.jpg


link to more info on finding TDC and seating a distributor

http://forum.grumpysperformance.com/viewtopic.php?f=70&t=967

viewtopic.php?f=70&t=1411

viewtopic.php?f=52&t=196

viewtopic.php?f=32&t=1148

viewtopic.php?f=32&t=1773

http://www.classictruckshop.com/clubs/e ... ac/uum.htm

read thru these threads and sub links, it almost always comes down to the basics, of compression, spark, fuel and timing
verify you've got spark at the plugs, that your TDC marks on the damper are correct, and the cams correctly indexed and your distributors indexed correctly fuel pressure and no vacume leaks and your ignition timing and valve adjustment are correct

this info may help
http://www.corvettebuyers.com/ecm.html

http://www.aldlcable.com/



HEY GRUMPYVETTE?
"
Bad plug wires?
Is there any way to check each wire other than to swap the whole set?"


thats what one of things the OHMS setting on your v.o.m. meter, can be used for, good plug wire will read between 45-100 ohms per foot ,the ohms readings vary a great deal between manufacturers and different types of ignition wire so get a new section of similar wire about 2.5 feet long and use that to gauge a reasonable resistance reading on your meter, if your over 500 ohms you've usually got a defective plug wire and don,t forget to visually check for loose connections and burn marks,and to check the coil and its connections and its wire to the distributor.
one old trick is to open your cars hood on a dark night or in a closed garage with low light conditions, and briefly start the engine while you, look for arcing while moving the ignition wires slightly.


viewtopic.php?f=70&t=840&p=1986&hilit=+meter#p1986

viewtopic.php?f=50&t=785&p=1337&hilit=+meter#p1337

viewtopic.php?f=70&t=270&p=1289&hilit=+meter#p1289

viewtopic.php?f=32&t=766&p=1179&hilit=+meter#p1179

viewtopic.php?f=3&t=325&p=397&hilit=+meter#p397

these links should save you some time diagnosing the problem

http://members.shaw.ca/corvette86/FuelS ... gnosis.pdf

http://members.shaw.ca/corvette86/Compo ... w%2086.pdf

http://www.thirdgen.org/injectorswap

http://www.thirdgen.org/tpimod2

http://www.2carpros.com/kpages/first_things.htm

http://www.ehow.com/how_2143018_test-fu ... e-car.html

http://www.2carpros.com/dia/test_fuel_pressure.htm

http://www.2carpros.com/dia/index.htm

http://www.2carpros.com/dia/test_fuel_pressure.htm

efisystem.jpg


viewtopic.php?f=55&t=606&p=7969&hilit=noid+injector#p7969


theres an excellent chance that one bank of injectors is not firing, check your fuses carefully (located on the pass side door dash frame)

http://forum.grumpysperformance.com/viewtopic.php?f=55&t=606&p=7969&hilit=noid+injector#p7969

http://forum.grumpysperformance.com/viewtopic.php?f=44&t=579&p=743&hilit=+infrared+tuning#p743

http://forum.grumpysperformance.com/viewtopic.php?f=32&t=2697

Stoich.gif

o2grph.gif

NATURALLY KNOWING HOW TO READ SPARK PLUGS AND AND use of a AIR FUEL RATIO METER AND USE OF AN IR TEMP GUN COMES IN VERY HANDY, as will a SHOP MANUAL MULTI METER AND PULLING TROUBLE CODES
87fusepannel.jpg


CHECK YOUR FUSES, YOUR SHOP MANUAL SHOULD HAVE A DIAGRAM FOR YOUR YEAR CORVETTE notice, that on this 1985-1987 fuse panel both #8 and #13 are injector fuses


youll find many guys claiming that aftermarket CPU chip upgrades help a great deal
Ive found some help marginally but many actually hurt performance

http://www.iroc-z.com/articles/articlepages/1990-3Chips Article by Cliff Gromer, Super Stock, 1991.htm
its always about the basics

of spark (which you have)
COMPRESSION
CAM TIMING,
(valve adjustment and having the cam degreed in correctly)
IGNITION TIMING,
(verify TDC and ignition curve)
FUEL PRESSURE
(38-42 psi at the fuel rails)
FUEL SUPPLY (FLOW)
(test the injector flow)
(pull the trouble codes, and verify the battery voltage and grounds)

http://www.corvettemagazine.com/2001/oc ... y/bat1.asp

http://forum.grumpysperformance.com/viewtopic.php?f=50&t=609

http://forum.grumpysperformance.com/viewtopic.php?f=32&t=2697

http://forum.grumpysperformance.com/viewtopic.php?f=32&t=168

viewtopic.php?f=70&t=875

viewtopic.php?f=62&t=882&p=1390&hilit=+propane+leaks#p1390
 
Last edited by a moderator:

without pulling trouble codes and testing your simply guessing at best,
break the issue down into separate issues,
check ignition strength and timing,and voltage
check fuel supply/delivery pressure and volume
check cam timing and cylinder compression.
check valve train control and valve adjustment
check firing order and spark plug gap
check the valve lift, and for work lobes
check for vacuum leaks
adjust your iac and tps
check your exhaust back
pressure
verify sensors correct function

all the answers are readily available, theres known testing procedures and listed test results you can expect, and procedures listed in the shop manual for isolating and testing components, you don,t need to be a genius, you just need to be logical and persistent and not afraid to learn new things while getting your hands dirty at times, don,t get overwhelmed , break everything down too easy individual problems and tests, verify and test all the sensors,and test for factors like consistent fuel pressure, known temps,expected voltage or ohms resistance, and vacuum readings and don,t randomly start replacing parts as that gets expensive and its rarely the most efficient way to eliminate problems(unless you get really lucky) with modern computer diagnostic software you,ll have some advantages but think logically, most automotive problems still concern, loose electrical connectors, defective sensors, lack of compression, fuel delivery issues ,fuel pressure, vacuum, temperature or electrical issues.


http://www.helminc.com/helm

1996_Corvette.jpg

image_6238.jpg

you might have clogged catalytic converters, the ignition timing may be way off, you might have a worn out cam, the fuel pump may be defective, some injector(s) may be defective,check the alternator out-put check the fuel rail pressure use a noid light on the injector wiring, check the fuses,
Ive found that the one most commonly over looked in my experience is that the stock exhaust system, is highly restrictive, especially if the catalytic converters are partly plugged and the stock fuel delivery system is not adequate,for the potential power, the heads and intake, allowable air flow potential, are all restrictive, and the stock cam timing and lift is already near max as it was designed to produce about 260 hp,and operate at under 5700 rpm, if you try too add an additional 100-200 hp, and 1000 rpm-2000 rpm to the engines power band, and too the engines output youll quickly find this to be a factor.
I've also occasionally seen guys, improperly index or install a cam without degreeing it in correctly and thus have power band limitations.
Id suggest you buy a factory shop manual, multi meter and a timing light, fuel pressure and vacuum gauge and start checking.
:thumbsup:


don,t skip reading the links and sub links
http://garage.grumpysperformance.co...lay-switch-locations-and-info.728/#post-54562
http://garage.grumpysperformance.co...w-cam-now-engines-burning-a-bit-of-oil.14569/

http://garage.grumpysperformance.com/index.php?threads/code-scanners-software.3096/#post-76215

http://garage.grumpysperformance.co...tten-egg-smell-eyes-iritated.2813/#post-13444

http://garage.grumpysperformance.co...questions-can-be-found-here.12892/#post-67808

http://garage.grumpysperformance.co...-won-t-start-intermittently.14212/#post-72158

http://garage.grumpysperformance.co...e-springs-and-setting-up-the-valve-train.181/

http://garage.grumpysperformance.com/index.php?threads/is-backpressure-hurting-your-combo.495/

http://garage.grumpysperformance.co...ive-are-the-stock-tpi-engine-components.1509/

http://garage.grumpysperformance.com/index.php?threads/how-big-a-fuel-pump-do-you-need.1939/

http://garage.grumpysperformance.com/index.php?threads/calculate-fuel-injector-size.1200/

http://garage.grumpysperformance.com/index.php?threads/adjusting-your-tps-and-iac.168/

http://garage.grumpysperformance.com/index.php?threads/c4-c5-corvette-trouble-codes.2697/

Last edited: A moment ago


L98 TPI Engine Start Sequence

http://www.corvettephotographs.com/c4vettes/l98.htm
When you start an L-98 engine Corvette, a series of events take place that causes the engine to run. Knowing the sequence will help you troubleshoot no start conditions.

Fuel Rail Pressurization:

When you first turn the key to the “on” position, the fuel pump will run for 2 seconds pressurizing the fuel rails. There is a Shraeder valve on the passenger side fuel rail near the rear of the engine and if you measure the pressure there after the pump runs, you should see between 40-42 pounds of pressure. The reading will go to 38-40 pounds nominal once the engine is running.

Initial Crank Action:

If you then rotate the key to the start position (assuming the anti-theft system has not disabled the starter), the engine will rotate.

Once the oil pressure has reached 4 PSI, the oil pressure switch will close allowing the fuel pump to run. (Note that you should have a black oil pressure switch/sender. It is mounted behind the distributor on the driver’s side and if it is not black, it is suspect due to a run of bad units that stayed in the GM parts pipeline for some time).

The distributor will send a string of pulses to the ECM (Engine Control Module) in response to the engine being rotated by the starter. These pulses continue as long as the engine turns (both starting and running) and if they are not present, the engine will not run.

ECM Reaction:

If the ECM sees oil pressure greater than 4 PSI and the reference pulses from the distributor, it will energize the injector drivers which will begin pulsing the injectors on for 4 ms (milliseconds) periods. (In the L98, all injectors on one side of the engine fire at the same time followed by all injectors on the other side firing at the same time. On the LT-1, the injectors are fired individually at the appropriate time).
some early c4 corvettes have the gauge and oil pressure switch on an adapter near the distributor base into the block

theres a good deal of good and useful advise, in this thread but Id point out the
sensor(s) next to the distributor, base ,could be a cause of a problem, because occasionally one of these starts acting up intermittently causing the fuel pump or ECM to stop working,or the VATS system, or the FUEL SUPPLY SYSTEM.

39451.jpg


873396384.jpg

48052.jpg

if you hear the fuel pump pressurize the fuel rails but the engine only starts than stalls, or fails to start, its frequently the fault of a defective oil pressure sensor



low oil pressure or a defective oil pressure sensor will cut off your ignition
Oilpressureswitchearly.jpg

both these sensors, located near the base of the distributor on the block, are known to fail & leak,oil at times, especially the smaller one with two blade connectors




heres some other possibility,s READ THRU THESE LINKS

viewtopic.php?f=32&t=67&p=37351&hilit=start+sequence#p37351

http://members.shaw.ca/corvette86/FuelS ... gnosis.pdf

viewtopic.php?f=62&t=3401&p=8972&hilit=vats+resistor#p8972

viewtopic.php?f=36&t=520&p=645&hilit=vats+resistor#p645

viewtopic.php?f=32&t=33


The ECM will also pull in the fuel pump relay in effect paralleling it electrically with the oil pressure switch. (If the fuel pump relay fails, you can still normally get the car to start and run unless you can’t make at least 4 PSI oil pressure. This is a “limp home mode” feature put in place to allow for a fuel pump relay failure).

The ECM also monitors the TPS (Throttle Position Sensor mounted on the throttle body assembly) and wants to see .54 volts at this time. If it sees appreciably more than 0.54 volts, it will assume the engine is flooded and the driver has pressed the accelerator to the floor to clear the flooded condition and restrict the fuel flow as a result. (.54 volts during start and at idle from the TPS is very important to both starting and run performance.)

Assuming the ignition module is good (meaning there is a spark of sufficient intensity to ignite the fuel), the engine will “catch”.

Engine "Catches":


When the engine catches, the MAF (Mass Air Flow sensor mounted just ahead of the throttle body) sends a signal to the ECM advising that air is flowing and also just how much air is being pulled through to the intake manifold. The ECM takes note of the amount of air being consumed and adjusts the injector pulse width to around 2.2 ms nominally so as to attain a proper air/fuel mixture to insure combustion. (This is how the 1985 through 1989 L-98 works. For information on the 1990 and 1991 L-98 variant, see the Note below).

The engine should show an initial idle speed of around 900-1100 RPM and then slowly diminish to 600-700 RPM unless the air conditioner is on in which case it will run at around 800 RPM.

If this does not happen, the Idle Air Mixture valve (located on the throttle body) may be misadjusted. Alternatively, there may be a leak in the intake manifold or another vacuum leak may be present. Listen for hissing sounds---there should be none.

ECM Mode:

The engine will now be in Open Loop mode meaning that the ECM is controlling the air/fuel mixture by referencing values stored in memory.

Once the Oxygen sensor (mounted on the exhaust pipe) reaches operating temperature of several hundred degrees, the Manifold Air Temperature (MAT) sensor shows an intake air temperature of more than 140 degrees and the Engine Coolant Temperature (ECT) has reached 160 degrees, the computer will switch to closed loop mode meaning the Oxygen sensor’s output is examined along with the MAT and ECT outputs and the ECM adjusts the injector pulse widths (more “on time” or less “on time”) to constantly strive for a 14.7:1 air/fuel mixture which is the best mixture to hold down pollution.

Note that prolonged idling can force the computer back into open loop mode.

Note: In 1990, the MAF was eliminated from the engine in favor of a speed/density system. This system uses a sensor called the MAP sensor which measures the Manifold Absolute Pressure (hence the name MAP) and compares it with the atmospheric pressure outside the intake manifold. This information, coupled with the Manifold Air Temperature, Engine Coolant Temperature and Engine RPM is used by the ECM to determine the amount of air entering the cylinders. It is a different way of reaching the desired 14.7:1 air-fuel mixture ratio but functionally is like the MAF system in that the ECM uses the feedback to control the "on time" for the injectors.

Corvette used this approach in the 1990 and 1991 L-98 engines and in the 1992 and 1993 LT-1 engines. With the 1994 model C4, they went back to the MAF system. Note that MAF based systems are far more accurate since they measure air flow directly whereas the MAP system infers air flow indirectly. A multitude of things can throw the calculation off and Corvette returned to the MAF system beginning with the 1994 C4 (with a MAP backup). From a troubleshooting standpoint, the MAP operation comes into the sequence the same place that the MAF does.
1985-1989 systems used a Mass Air Flow (MAF) sensor.

1990-1992 used a Manifold Absolute Pressure (MAP) sensor. Due to the unreliability of the MAF sensor, speed density systems (MAP sensor) are more desirable, and easier to install.

Summary:

If you have a no start condition or if the L-98 starts and then dies, check the above items in sequence to see if all the events are occurring as required.

A Scan Tool makes this job much easier and is a highly recommended troubleshooting aid for these sorts of problems.
http://www.austinthirdgen.org/mkportal/ ... wiring.gif

vetteoz posted this bit of info

if youve got a 1985-1986 with a cold start 9th injector
and the car takes a long time to start if cold but starts easily when warm..
Most likely the cold start injector is not working correctly
The cold start switch ( brass unit with hex head on LHS in pic, GREEN CIRCLE ) only has power when engine is cranked over
and if engine is cold enough , the switch sends power to the cold start injector located in the drv side of intake
operating it to spray extra fuel ( like a choke on a carb car ).
Check for 12V at switch when cranking.( any temp )
Check for 12V out of switch and at CSI ( Cold start injector ) when cold cranking.
If you have power there then most likely CSI itself is faulty

IACcs.jpg



coldstartinjector.jpg

COLD START INJECTOR ON EARLY TPI INTAKES

http://garage.grumpysperformance.com/index.php?threads/replacing-a-c-4-fuel-filter.1470/#post-3304
IF you have a more modern performance car that won,t start, you start with the basics also,
have you pulled trouble codes yet?
youll need a VOM meter and a list of trouble codes, and a shop manual sure will help!
are you getting fuel pressure?
have you checked the fuses for the injectors?
have you checked for loose electrical connections, vacuum lines or defective sensors?
have you used a noid light to test the injectors?
what does the ohms resistance accross the unplugged injector read?
how much?
are you getting spark at the plugs?
what color and is it strong?
whats your oil pressure while cranking the car?
can you pull the plugs and post CLEAR PICTURES with each cylinder numbered?
whats the battery voltage?
have you checked for vacume leaks?
are you sure the distributor or coil is not wet or the connections loose?
are you 100% sure theres clean fuel reaching the engine?
have you replaced the fuel and air filters?
was there any sound like a belt slipping or the engine running like the timing changed before this happened?
have you done a compression check?
have you taken off and carefully cleaned BOTH battery cable connections
TECH SUPPORT LINES, before you get over your head ASK QUESTIONS

look IM surely not trying to stop you from building a nice car but start with some basic skills and knowledge of the basic concepts

start here

buy these four books and read thru them then watch the cd a few times

http://www.themotorbookstore.com/resmchstvi.html

HOW TO BUILD MAX PERFORMANCE CHEVY SMALL BLOCKS ON A BUDGET by DAVID VIZARD

.
JOHN LINGENFELTER on modifying small-block chevy engines

SMOKEY YUNICK,S POWER SECRETS

then read thru this carefully

http://www.rustpuppy.org/chp/

then once youve got a few basics down proceed slowly and carefully and ask questions

Holley
Performance Products provides award-winning technical support via phone Monday through Friday, 8AM to 5PM CST @ 270 781-9741.

Lunati
technical support is availible by phone Monday through Friday 7AM to 5PM CST @
662 892-1500.

ERSON
http://www.erson-cams.com/AskTechForm.aspx?BrandID=7
http://www.erson-cams.com/pdf/Chevrolet.pdf

CROWER cams
http://www.crower.com/misc/contact.shtml

CRANE CAMS
http://www.cranecams.com/

DART
http://www.dartheads.com/
\
BRODIX
http://www.brodix.com/
please call us at 479-394-1075 for technical support

TRICKFLOW
http://www.trickflow.com/emain.asp

EDELBROCK
If you need to speak with an Edelbrock technician by phone, please call 1-800-416-8628 from 7:00am to 5:00pm, Monday-Friday, PST.

ENGLE CAMS
http://www.englecams.com/index.php
Tel: (310) 450-0806
Fax: (310) 452-3753

ISKY CAMS
http://www.iskycams.com/
phone: 323.770.0930
fax: 310.515.5730

AIR FLOW RESEARCH
http://www.airflowresearch.com/
28611 W. Industry Drive
Valencia, California, USA 91355
tel: 877-892-8844
fax:661-257-4462

DEMON CARBS (Barry Grant Incorporated)
http://www.barrygrant.com/
Phone: (706) 864-8544
Fax: (706) 864-2206

ARIZONA SPEED/MARINE
http://azspeed.stores.yahoo.net/c4col981.html

MSD IGNITIONS
http://www.msdignition.com/
TECH LINE: 915-855-7123

Shafiroff Race Engines
http://www.ultrastreet.net/
Toll Free: 800.295.7142 • Phone: 631.218.7530

Ohio Crankshaft
5453 SR 49 S
Greenville, OH 45331
Toll Free: 800-333-7113
Local: 937-548-7113
Fax: 937-548-4603
http://www.ohiocrank.com/enginekits.html


http://www.kevko.net/ (KEVKO OIL PANS)
915 North Orient Street
Fairmont, Minnesota 56031
(507) 238-9633
(800) 770-3557

STEFS OIL PANS
http://www.stefs.com/stefsindex.htm
Stef's Performance Products
693 Cross Street
Lakewood, NJ. 08701
Phone ( 732 ) 367- 8700
fax: (732) 367-8793

MELLING OIL PUMPS
http://www.melling.com/
Customer Service: 517-787-8172 ext: 125

MOROSO
http://www.moroso.com/default.asp
call 203-458-0542, 203-458-0546

MILODON
http://www.milodon.com/index.asp
Telephone
Phone: (805) 577-5950
Fax: 805-577-7540

KB PISTONS
http://www.kb-silvolite.com/index2.php
1-800-648-7970

ARP
(BOLTS/STUDS)
http://www.arp-bolts.com/
800.826.3045

REED CAMS
http://www.reedcams.com/
770.474.6664

J&E PISTONS
http://www.jepistons.com/
714-898-9764

SCAT CRANKS
http://www.scatcrankshafts.com/
310 370 5501

Schneider Cams
http://www.schneidercams.com/
(619) 297-0227

(TOOLS)
http://www.goodson.com/
800-533-8010

http://www.quartermasterusa.com/
847-540-8999

hays clutches
http://www.haysclutches.com/
216.688.8300


A few of MY favorite parts sources

http://www.survivalmotorsports.com/
248) 438-6900

http://www.dougherbert.com/
1-877-497-2787

http://www.jegs.com/webapp/wcs/store...10001_10002_-1
1800-345-4545

http://www.summitracing.com/
1800-230-3030

http://www.midwestmotorsportsinc.com/
1800-262-5033

RELATED THREADS


viewtopic.php?f=87&t=4318

viewtopic.php?f=44&t=5896&p=18052#p18052

viewtopic.php?f=27&t=26

viewtopic.php?f=44&t=6669&p=21369&hilit=source+noise#p21369

viewtopic.php?f=87&t=4687&p=12679&hilit=+over+engine+getting+your+head#p12679

viewtopic.php?f=87&t=339&p=17657&hilit=over+your+head#p17657

viewtopic.php?f=44&t=5575&p=16927&hilit=over+your+head#p16927

viewtopic.php?f=50&t=609

viewtopic.php?f=27&t=1018&p=14885&hilit=+over+engine+getting+your+head#p14885

viewtopic.php?f=44&t=775&p=8401&hilit=+books+video#p8401

viewtopic.php?f=87&t=1162&p=2379&hilit=+books+video#p2379

viewtopic.php?f=87&t=3530&p=9329&hilit=favorite+engine#p9329

viewtopic.php?f=38&t=3899&p=11095&hilit=440+mopar#p11095

viewtopic.php?f=87&t=4318&p=11380&hilit=state+trailer#p11380

viewtopic.php?f=87&t=3530&p=9329&hilit=440+mopar#p9329

viewtopic.php?f=44&t=1347&p=2952&hilit=440+mopar#p2952

viewtopic.php?f=50&t=6134

viewtopic.php?f=44&t=1111&p=2201&hilit=440+mopar#p2201

viewtopic.php?f=44&t=38
 
Last edited by a moderator:
EZELLM posted this info

not getting fuel pressure on your 1982 crossfire this info might help

"<QUOTE>
The electric fuel pump draws high current, so it is not controlled directly by the ECM. Instead, The ECM controls a fuel pump relay which in turn controls system voltage to the fuel pump circuit.

When the ignition is turned ON, before the starter is engaged, the ECM turns on the fuel pump relay for 2 seconds by providing ground. If the ECm does not receive ignition reference pulses from the ignition module within the 2 seconds, it shuts off the fuel pump relay until the engine is cranked. The ECM grounds the relay circuit as long as it receives ignition reference pulses. <UNQUOTE>

Because the schematics in the books I have are really bad, I'm going to list the wiring in this circuit from a separate. . . . .

ECM:
ORN 340 - pins B1 and C16 receive power from the battery junction block through the fuse holder, and is also shared (common) to the oil pressure switch, and pin "E" (normally open) contacts of the fuel pump control relay.

DK GRN/WHT 465 - pin A1 provides the 2 second, 12 VDC to pin "C", the positive side of the relay coil.

BLK/WHT 450 - pin A12 provides ground to pin "B", the negative side of the relay coil.

TAN/WHT 120 - pin B2 provides voltage monitoring for the fuel pump motor - this wire is tied to the positive side of the fuel pump, pin "A"(normally closed) contact of the relay, and the other side(from that mentioned above) of the oil pressure switch, and pin "D"(closed) contact of the relay.

>>Just know that power is from the fuse panel through EITHER the pump relay OR the oil pressure switch, as they are in parallel with each other. the oil pressure switch is parallel to pins "E" and "D" of the relay. THAT'S what allows you to bypass the relay by jumping the oil pressure switch.<<
theres two oil pressure sensors located near the drivers side of the distributor base on the early TPI engines
oilps1t.jpg


oilps2t.jpg

oilps3t.jpg

oilps4t.png

IF you have a TPI or LT1-4 corvette its now 20 plus years old and if your having interment starting or engine missing or just cutting out issues a defective sensor is HIGHLY LIKELY first Id strongly suggest pulling the trouble codes

then Id strongly suggest you change out the switch mounted near the distributor and its electrical connector, and the sensors related to the fuel pump and oil pressure even if they look and tested good as they are well known to cause intermittent problems

and the fuel pump relay and fuel pump switch

Sensor


Measured Value
Engine Coolant Temperature Sensor. 185 Ohms @ 210F, 3400 Ohms @ 68F, 7,500 Ohms @ 39 F.
Engine Oil Temperature Sensor. 185 Ohms @ 210 F, 3400 Ohms @ 68 F, 7,500 Ohms @39 F.
Oil Pressure Sender/Switch. 1 Ohms @ 0 PSI, 43 Ohms @ 30 PSI, 86 Ohms @ 60 PSI.
Fuel Quantity Sender. 0 Ohms @ Empty, 45 Ohms @ 1/2 Full, 90 Ohms @ Full.
MAT (Manifold Absolute Temperature Sensor). 185 Ohms @ 210 F, 3400 Ohms @ 70 F, 15,000 Ohms @ 40 F.
Outside Temperature Sensor. 4400 Ohms @ 60 F, 2200 Ohms @ 85 F.
In Car Temp Temperature Sensor. 4400 Ohms @ 60 F, 2200 Ohms @ 85 F.
MAF (Mass Air Flow) Sensor. .4 Volts @ idle, 5 Volts @ Full Throttle.
Oxygen (O2) Sensor. .1 Volt Lean Mixture, .9 Volt Rich Mixture.
TPS (Throttle Position Sensor). .54 Volts Idle, ~ 5 Volts Full Throttle.

Sensor Locations

Sensor


Location
Engine Coolant Temperature Sensor. Front of engine, below Throttle Body.
Engine Oil Temperature Sensor. Left rear of engine, just above the oil filter.
Oil Pressure Sender/Switch. Top, left hand rear of engine.
Fuel Quantity Sender. Top of fuel tank, beneath filler pipe escutcheon panel.
MAT (Manifold Absolute Temperature Sensor). Underside of manifold air plenum at rear.
Outside Temperature Sensor. Right side of engine, top right corner of radiator.
In Car Temp Temperature Sensor. Coupe: above left seat near interior courtesy light, Convertible: center of cargo compartment lid.
MAF (Mass Air Flow) Sensor. Front of engine ahead of throttle body.
Oxygen (O2) Sensor. Left side of engine, in exhaust pipe.
TPS (Throttle Position Sensor). Right side of throttle body at the front.
this might help also

viewtopic.php?f=32&t=596

http://www.autozone.com/shopping/repair ... 528008fdea

viewtopic.php?f=56&t=8401&p=29318&hilit=clogged+cats#p29318

http://garage.grumpysperformance.com/index.php?threads/replacing-a-c-4-fuel-filter.1470/#post-3304


Pump1.jpg


grounds1.jpg

1987 TPI
1987_5_7L_Tuned_Port_Injection_engine_wiring.gif


1991 TPI
Fig55_1991_5_7L_Tuned_Port_Injection_engine_wiring.gif
 
Last edited by a moderator:

HEY GRUMPYVETTE
My vette Won't Start until Oil pressure builds to 50
Just picked up an 85 vette. When cold, car will not start until oil pressure builds up to 45-55 pounds. It will start firing when pressure reaches 45-55 and finally starts. You cannot hear fuel pump running when you turn the key. Once fired off it usually fires right up but it has started to die at times after it is warmed up. Sometimes if it is shut off to go in a store and you come right back out it just turns over and won't fire. If I wait a few minutes it then immediately fires up. Today it died twice on the way home. Waited for a couple minutes each time and it would immediately fire and drive for a few minutes again.

when it is hot and won't start, you cannot hear fuel pump then either when you cycle the key on and off. The engine is oil is hot and pressure gauge reads 30 to 40 pounds cranking when it won't start. Can't build pressure to see if that is the reason it won't start when hot. Just weird that it will immediately fire if I wait a few minutes.

wontruna.gif

CROSSFIRE
crossfire1.jpg


corp_0809_08_z+1994_chevrolet_corvette_coupe+v8_lt1_engine.jpg

LT1/LT4
Corvette-LT1-engine-DSC_0083_a.jpg


LT5
lt5vette.jpg

L98
l98vette.jpg


VETTEOZ posted this answer and its to the point
"Fuel pump oil pressure switch faulty ?
Should close @ 4 psi oil pressure and run the pump
OP switch is a backup to the pump relay should relay fail ; allows motor to start once oil pressure up and keep running.
If relay not working and OP switch intermittent could be cause of your problems

In any case pump should prime for 2 sec when key 1st turned on.
Check fuel pump relay and connector; commonly go bad with age.

To prove a point ; put 12V on terminal G of the ALDL connector.That will run the pump fulltime.
Try starting with pump running and see if anything different "
 
Last edited by a moderator:
1985 ECM Codes
Code #12: Normal No Codes.
Code #13: Open Oxygen Sensor Circuit.
Code #14: Coolant Sensor Circuit Low.
Code #15: Coolant Sensor Circuit High.
Code #21: Throttle Position Sensor High.
Code #22: Throttle Position Sensor Low.
Code #23: Manifold Air Temperature Circuit High.
Code #24: Vehicle Speed Sensor.
Code #25: Manifold Air Temperature Circuit Low.
Code #32: EGR System Failure.
Code #33: Mass Air Flow Sensor High.
Code #34: Mass Air Flow Sensor Low.
Code #36: Mas Air Flow Sensor Burn-Off Function Fault.
Code #41: Cylinder Select Error.
Code #42: Electronic Spark Timing.
Code #43: Electronic Spark Control.
Code #44: Lean Exhaust indication.
Code #45: Rich Exhaust Indication.
Code #46: Vehicle Anti Theft Fault.
Code #51: Faulty Mem-Cal.
Code #52: Fuel Calpak Missing.
Code #52: (1990-91 Corvette Only): Engine Oil Temperature Sensor Low.
Code #53: System Over Voltage.
Code #54: Fuel Pump Circuit Low Voltage.
Code #55: Defective ECM.
Code #62: Engine Oil Temperature Sensor Circuit High.

GM OBD-1 Diagnostic Trouble Codes
For 1995-previous model year EFI-equipped GM vehicles. NOTE: Some codes not supported on all models, consult your specific vehicle's service manual for the correct trouble code list and description for your application.
DTC - 12 No distributor reference pulse (diagnostic test active)
DTC - 13 Oxygen sensor circuit open or no activity
DTC - 13 Left bank O2 sensor circuit open or no activity
DTC - 14 Engine coolant temp sensor error (high temp indicated)
DTC - 15 Engine coolant temp sensor error (low temp indicated)
DTC - 16 System voltage too low
DTC - 17 Camshaft position sensor error
DTC - 21 Throttle Position sensor error (signal high)
DTC - 22 Throttle position sensor error (signal low)
DTC - 23 Intake air temp sensor error (low temp indicated)
DTC - 24 Vehicle speed sensor error (open circuit or no activity)
DTC - 25 Intake air temp sensor error (high temp indicated)
DTC - 26 Quad Driver Module (QDM A) error
DTC - 28 Auto transmission range pressure switch error
DTC - 31 Wastegate solenoid circuit error
DTC - 31 Gear Position Switch (PRNDL) error
DTC - 32 EGR system failure
DTC - 33 MAP sensor circuit error (signal high indicating low vacuum)
DTC - 34 MAP sensor circuit error (signal low indicating high vacuum)
DTC - 35 IAC problem or idle error
DTC - 36 MAF sensor error
DTC - 36 24x Crankshaft position sensor circuit error
DTC - 36 4T60-E Shifting Error
DTC - 37 TCC brake switch circuit error
DTC - 38 TCC brake switch circuit error
DTC - 39 Clutch switch circuit error
DTC - 39 TCC error
DTC - 41 Ignition control error
DTC - 41 MEM-CAL error
DTC - 41 CÂłI Cam Sensor Signal error
DTC - 42 Ignition bypass circuit error
DTC - 43 Knock sensor error
DTC - 44 Oxygen sensor error (lean condition indicated)
DTC - 44 Left bank O2 sensor error (lean condition indicated)
DTC - 45 Oxygen sensor error (rich condition indicated)
DTC - 45 Left bank O2 sensor error (rich condition indicated)
DTC - 46 Pass-Key II (VATS) system error - circuit out of freq range
DTC - 47 UART (serial data) circuit error
DTC - 51 PROM error
DTC - 51 Incorrect MEM-CAL
DTC - 52 Fuel cal-pak incorrect or missing
DTC - 53 System voltage too high
DTC - 53 Digital EGR Valve solenoid 1 error
DTC - 54 Fuel pump circuit low voltage
DTC - 54 Digital EGR Valve solenoid 2 error
DTC - 55 ECM error
DTC - 55 Digital EGR Valve solenoid 3 error
DTC - 56 Quad Driver Module (QDM B) error
DTC - 57 Boost Control error
DTC - 58 Trans fluid temp sensor circuit error (low voltage)
DTC - 58 VATS system error
DTC - 59 Trans fluid temp sensor circuit error (high voltage)
DTC - 61 A/C system performance
DTC - 63 Right bank O2 sensor circuit error
DTC - 63 MAP sensor circuit signal voltage high (low vacuum indicated)
DTC - 64 Right bank O2 sensor lean exhaust indicated
DTC - 64 MAP sensor circuit signal voltage low (high vacuum indicated)
DTC - 65 Right bank O2 sensor rich exhaust indicated
DTC - 66 A/C pressure sensor circuit error (low pressure indicated)
DTC - 67 A/C pressure sensor circuit error
DTC - 68 A/C clutch relay circuit error (shorted to ground)
DTC - 69 A/C clutch relay circuit error (open circuit indicated)
DTC - 69 A/C high pressure switch error
DTC - 70 A/C pressure sensor circuit error (high pressure indicated)
DTC - 71 A/C evaporator temp sensor circuit error (low temp indicated)
DTC - 72 VSS signal circuit error
DTC - 73 A/C evaporator temp sensor circuit error (high temp indicated)
DTC - 75 Digital EGR solenoid #1 circuit error
DTC - 76 Digital EGR solenoid #2 circuit error
DTC - 77 Digital EGR solenoid #3 circuit error
DTC - 79 Transmission fluid overtemp
DTC - 80 Transmission component slipping
DTC - 82 3x Crankshaft position sensor circuit error
DTC - 85 PROM error
DTC - 86 A/D error
DTC - 87 EEPROM error (flash memory error)
DTC - 90 TCC error
DTC - 93 Transmission pressure control solenoid circuit error
DTC - 96 Transmission system voltage low
DTC - 98 Invalid PCM program
DTC - 99 Invalid PCM program

1985 to 1991 Computer Codes



Code #12: Normal No Codes.
Code #13: Open Oxygen Sensor Circuit.
Code #14: Coolant Sensor Circuit Low.
Code #15: Coolant Sensor Circuit High.
Code #21: Throttle Position Sensor High.
Code #22: Throttle Position Sensor Low.
Code #23: Manifold Air Temperature Circuit High.
Code #24: Vehicle Speed Sensor.
Code #25: Manifold Air Temperature Circuit Low.
Code #32: EGR System Failure.
Code #33: Mass Air Flow Sensor High.
Code #34: Mass Air Flow Sensor Low.
Code #36: Mas Air Flow Sensor Burn-Off Function Fault.
Code #41: Cylinder Select Error.
Code #42: Electronic Spark Timing.
Code #43: Electronic Spark Control.
Code #44: Lean Exhaust indication.
Code #45: Rich Exhaust Indication.
Code #46: Vehicle Anti Theft Fault.
Code #51: Faulty Mem-Cal.
Code #52: Fuel Calpak Missing.
Code #52: (1990-91 Corvette Only): Engine Oil Temperature Sensor Low.
Code #53: System Over Voltage.
Code #54: Fuel Pump Circuit Low Voltage.
Code #55: Defective ECM.
Code #62: Engine Oil Temperature Sensor Circuit High.



1992 to 1993 DTC Computer Codes



Code #12: Normal No Codes.
Code #13: Left Oxygen Sensor Circuit.
Code #14: Coolant Temperature Sensor Circuit High.
Code #15: Coolant Temperature Sensor Circuit Low.
Code #16: Opti-Spark Ignition Timing System.( Low Pulse)
Code #21: Throttle Position Sensor Circuit High.
Code #22: Throttle Position Sensor Circuit Low.
Code #23: Intake Air Temperature Sensor Circuit Low.
Code #24: Vehicle Speed Sensor Circuit.
Code #25: Intake Temperature Sensor Circuit High.
Code #26: Quad-Driver Module #1 Circuit.
Code #27: Quad-Driver Module #2 Circuit.
Code #28: Quad-Driver Module #3 Circuit.
Code #32: Exhaust Gas Recirclation Circuit.
Code #33: Manifold Absolute Pressure Sensor Circuit Low.
Code #34: Manifold Absolute Pressure Sensor Circuit High.
Code #36: Opti-Spark Ignition Timing System. (High Resolution Pulse.)
Code #41: Electronic Spark Timing Circuit Open.
Code #42: Electronic Spark Timing Circuit Grounded.
Code# 43: Electronic Spark Control Circuit.
Code #44: Left Oxygen Sensor Circuit Lean.
Code #45: Left Oxygen Sensor Circuit Rich.
Code #51: Mem-Cal Error.
Code #52: Engine Oil Temperature Sensor Circuit Low.
Code #53: System Voltage.
Code #55: Fuel Lean Monitor.
Code #56: Vacuum Sensor Circuit.
Code #61: Secondary Port Throttle Valve System.
Code #62: Engine Oil Temperature Sensor Circuit High.
Code #63: Right Oxygen Sensor Circuit Open.
Code #64: Right Oxygen Sensor Circuit Lean.
Code #65: Right Oxygen Sensor Circuit Rich.
Code #66: A/C Pressure Sensor Circuit Open.
Code #67: A/C Pressure Sensor Circuit. (Sensor or A/C Clutch Circuit Problem)
Code #68: A/C Relay Circuit Shorted.
Code #69: A/C Clutch Circuit.
Code #72: Gear Selector Switch Circuit.


1994 to 1996 DTC Computer Codes
DTC #11: Malfunction Indicator Lamp Circuit.
DTC #13: Bank #1 Heated Oxygen Sensor #1 Circuit:
DTC #14: Engine Coolant Temperature Sensor Circuit Voltage Low.
DTC #15: Engine Coolant Temperature Sensor Circuit Voltage High.
DTC #16: Distributor Ignition System Low Pulse.
DTC #18: Injector Circuit.
DTC #21: Throttle Position Sensor Circuit Voltage High.
DTC #22: Throttle Position Sensor Circuit Voltage Low.
DTC #23: Intake Temperature Sensor Circuit Voltage High.
DTC #24: Vehicle Speed Sensor Circuit.
DTC #25: Intake Air Temperature Sensor Circuit Voltage Low.
DTC #26: Evaporative Emission Canister Purge Solenoid Valve Circuit.
DTC #27: EGR Vacuum Control Signal Solenoid Valve Circuit.
DTC #28: Transmission Range Pressure Switch Assembly Fault.
DTC #29: Secondary Air Injection Pump Circuit.
DTC #32: Exhaust Gas Recalculation.
DTC #33: Manifold Absolute Pressure Sensor Circuit High.
DTC #34: Manifold Absolute Pressure Sensor Circuit Low.
DTC #36: Distributor Ignition System High Pulse.
DTC #37: Brake Switch Stuck On.
DTC #38: Brake Switch Stuck Off.
DTC #41: Ignition Control Circuit Open.
DTC #42: Ignition Control Circuit Shorted.
DTC #43: Knock Sensor Circuit.
DTC #44: Bank 1 LF Heated Oxygen Sensor #1 Circuit Lean.
DTC #45: Bank 1 LF Heated Oxygen Sensor #1 Circuit Rich.
DTC #47: Knock Sensor Circuit Or Module Missing.
DTC #48: Mass Air Flow Sensor Circuit.
DTC #50: System Voltage Low.
DTC #51: EEPROM Programming Error.
DTC #52: Engine Oil Temperature Sensor Circuit Voltage Low.
DTC #53: System Voltage Low.
DTC #55: Fuel Lean Monitor.
DTC #58: Transmission Fluid Temperature Sensor Circuit Low.
DTC #59: Transmission Fluid Temperature Sensor Circuit High.
DTC #62: Engine Oil Temperature Sensor Circuit Voltage Low.
DTC #63: Bank 2 RF Heated Oxygen Sensor #1 Circuit Open.
DTC #64: Bank 2 RF Heated Oxygen Sensor #1 Circuit Lean.
DTC #65: Bank 2 RF Heated Oxygen Sensor #1 Circuit Rich.
DTC #66: A/C Refrigerant Pressure Sensor Circuit Open.
DTC #67: A/C Pressure Sensor Circuit Sensor or A/C Clutch.
DTC #68: A/C Relay Circuit.
DTC #69: A /C Clutch Circuit.
DTC #70: A/C Clutch Relay Driver Circuit.
DTC #72: Vehicle Speed Sensor Loss.
DTC #73: Pressure Control Solenoid Circuit Current Error.
DTC #74: Traction Control System Circuit Low.
DTC #75: Transmission System Voltage Low
DTC #77: Primary Cooling Fan Relay Control Circuit.
DTC #78: Secondary Cooling Fan Relay Control Circuit.
DTC #79: Transmission Fluid Overtemp.
DTC #80: Transmission Component Slipping.
DTC #81: Transmission 2-3 Shift Solenoid Circuit.
DTC #82: Transmission 1-2 Shift Solenoid Circuit.
DTC #83: Torque Converter Solenoid Voltage High.
DTC #84: 3-2 Control Solenoid Circuit.(Auto Only).
DTC #84: 2nd And 3rd Gear Blockout Relay Control Circuit.
DTC #85: Transmission TCC Stock On.
DTC #90: Transmission TCC Solenoid Circuit.
DTC #91: One To Four Upshift Lamp(Manual Only).
DTC #97: VSS Output Circuit.
DTC #98: Tachometer Output Signal Voltage Wrong.
 
"HERES AN INTERESTING PROBLEM FROM A DIFFERENT SITE THAT I ANSWERED"

" HEY GRUMPYVETTE, ?
IM REALLY PISSED OFF! this is the second fuel pump Ive replaced, the fuel rails get 45 psi when I start the car but after 15 minutes drive time the car stalls, if I let it sit for 15 minutes I can drive it for 15-20 minutes and then it stalls, its fuel pressure, it drops to less than 15 psi after about 15 minutes,and the fuel tanks got a good bit of pressure when the gas caps removed if that helps, any ideas?"




pressure is a measure of RESISTANCE TO FLOW, Id have replaced the fuel filter and checked sensors and pulled trouble codes,assuming you replaced the fuel pump correctly it sounds like its a sensor or vacuum or f/p regulator issue,naturally pulling trouble codes and having a shop manual, multi meter and vacuum gauge will help locate the problem.
your symptoms sound like a defective fuel pressure regulator, or the vacuum line controlling the fuel pressure regulator may be leaking or plugged or disconnected , or the evap systems defective or a sensor may be defective, to me, but a few tests will tell you the source of the problem so test don,t guess, get a shop manual and pull codes and carefully inspect the vacuum lines and test the sensors


efisystem.jpg

vacuumlines.gif




related threads and helpful info

http://members.shaw.ca/corvette86/FuelS ... gnosis.pdf

viewtopic.php?f=32&t=33

viewtopic.php?f=55&t=1241

viewtopic.php?f=80&t=728&p=9217&hilit=sensor+ohms#p9217

viewtopic.php?f=32&t=596

viewtopic.php?f=56&t=3049&p=8053&hilit=oxygen+sensors#p8053

http://garage.grumpysperformance.co...rvette-after-battery-failed.10291/#post-41710



BTW it turned out the guy had a melted vacuum line under the plenum causing all the problems

basic fuel injector test
(pull your trouble codes and check battery voltage ,alternator output and ignition spark first)

(BTW it rarely hurts to drain old fuel thats over 4 months old and replace the cars fuel filter, then add two different brands of fuel injection cleaner and 6 oz of marvel mystery oil to as full tank of fresh high test gas to the car if its been sitting un-used for very long before you start testing for fuel injection related issues


now Ill assume your battery reads over 12 volts and the starter works, and easily spins the engine
the first step
find the fuel rail shrader valve and remove the cap and connect the fuel pressure gauge
if you turn on the ignition key to get the dash and accessories to light up but don,t start the engine,the fuel pump,
should briefly run to pressurize the fuel rail to about 38psi-42 psi,
this should stay at this pressure level for at least 5 minutes minimum, if it drops slowly your fuel rail is leaking fuel.
now the fuel pressure regulator may be defective or leaking, or in very rare cases the fuel pump may be defective ,
but the most likely cause is a fuel injector(s) stuck in the open position.
next pull the injector harness,
electrical_connectors.jpg

off a single injector at a time, press the wire bar to release the clip, retention, then pull it up and off, the noid light plugs into the harness,
use the spare injector pig tail
injectord3.jpg

on the now disconnected injector ,connect the multi meter on ohms setting and it should read 11-13 ohms injector on each injector tested.
if it reads under 9 ohms or over 20 ohms its a defective injector
now use a couple 3 ft long test leads connect one too one of the pig tail test leads
https://www.walmart.com/ip/Uxcell-2...-Clips-Test-Jumper-Wire-1-5m-2-Color/45588242

testlkj.jpg

and to 12 volts, connect the other pig tail lead too a different test lead and watch the fuel pressure gauge,with the key out of the ignition , you should have 38-42 psi of fuel rail pressure, watch carefully while you tap the second test lead to ground (the plenum or alternator case works) the fuel pressure should drop as you tap the ground pig tail lead, this verifies the injector function at least partially, if you don,t see the pressure drop the injectors not allowing fuel flow through it and should be replaced.
after you complete each injector test , turn the ignition key on, to re-pressurize the fuel trail and reconnect the harness to the previously tested injector,
repeat the noid light and pig-tail function fuel pressure test on each of the other injectors individually.
Fusebox2.jpg

youll need a fuel pressure gauge and multi meter

image_6238.jpg

CP7838.jpg


it helps if you have a spare fuel injector pig-tail for testing
injectord3.jpg


having a NOID light injector harness tester wont hurt either
https://www.harborfreight.com/11-piece-noid-light-and-iac-tester-set-97959.html
205107_700x700.jpg

tpishrader.jpg


on the TPI and LT1 efi and many other EFI intakes,
theres a shrader valve,
that can be easily accessed to check fuel rail pressure,
dealing in facts you verify is always preferable.

fuelcirc1.png

shaw2.png


GM part number for the complete fuel rail o-ring kit is 17111696

fprpicq.jpg

if your TPI FUEL PRESSURE REGULATOR DIAPHRAGM LEAKS youll find it difficult or impossible to be starting your car

heres a link to the correct o-rings they are light blue
NAPA sells them at times
all the o-rings on the fuel rails and injectors need to be dipped in thin oil so they insert and slide into place with less friction, this tends to greatly reduce the chance of the o-rings ripping, and yes you need the correct o-rings that fit correctly to begin with if you expect the rings to seal correctly
http://tpiparts.net/inc/sdetail/10950/300
Injector_O_Rings_ezr2.JPG




17113544 - Injector Seals
17111696 - O-Ring Kit
22514722 - Fuel Inlet O-Ring
22516256 - Fuel Inlet O-Ring
tpifp3.jpg

http://garage.grumpysperformance.co...dding-a-fuel-pressure-gauge.15264/#post-88472


http://garage.grumpysperformance.co...njection-at-start-up-problem.7309/#post-24862

http://garage.grumpysperformance.co...oven-facts-if-your-in-doubt.13051/#post-84695

http://garage.grumpysperformance.com/index.php?threads/tpi-fuel-pressure-issue.10385/#post-42943

http://garage.grumpysperformance.co...-system-trouble-shooting-flow-chart-info.596/


http://users.erols.com/srweiss/tableifc.htm


that could easily be a symptom of a loose electrical ground , bad battery connection or low battery, defective alternator, loose serpentine belt, under drive crank pulleys can all effect this, Id suggest cleaning the battery terminals and checking grounds, gauge readings depend on current flow, if the current draw rate increases past the alternators ability to supply current your lights dim, gauges read funny etc.
these links should help

viewtopic.php?f=50&t=3110&p=21360&hilit=multi+meter#p21360

viewtopic.php?f=36&t=3222&p=8575&hilit=test+alternator#p8575

viewtopic.php?f=50&t=609&p=5672&hilit=test+alternator#p5672

viewtopic.php?f=48&t=4729&p=12842&hilit=battery+connection#p12842

viewtopic.php?f=70&t=3901&p=10343&hilit=battery+terminal#p10343

viewtopic.php?f=44&t=3401&p=8972&hilit=battery+terminal#p8972

viewtopic.php?f=36&t=317&p=13210&hilit=battery+connection#p13210

viewtopic.php?f=80&t=728&p=9217&hilit=battery+connection#p9217

viewtopic.php?f=70&t=3504&p=9219&hilit=battery+connection#p9219

viewtopic.php?f=32&t=1401&p=5445&hilit=test+alternator#p5445
 
Last edited by a moderator:
"HEY GRUMPY? my 1992 vettes been sitting in the garage for over two years, I added fuel system conditioner to the tanks fuel before I parked it, I have since drained the fuel in that tank and replaced the fuel in the tank, with fresh fuel, I did an oil change, replaced the fuel filter and replaced the battery and spark plugs, it spins over now but won,t start , any ideas??

obviously pulling trouble codes will help, and yes Id check the OPTI ignition, or HEI ignition timing and sensors, Heres a bunch of related info to help you isolate the problem


http://www.youtube.com/watch?feature=pl ... oXLUqE4Sf0

viewtopic.php?f=36&t=628&p=6447&hilit=opti#p6447

viewtopic.php?f=32&t=1401

viewtopic.php?f=32&t=2697

viewtopic.php?f=32&t=2697&p=18904&hilit=sensors#p18904

viewtopic.php?f=80&t=728&p=8392&hilit=sensors#p8392

viewtopic.php?f=32&t=596

viewtopic.php?f=32&t=33

If I was on site I could test far faster than type what to look for, but first step is pull trouble codes,look for loose vacuum lines and loose electrical connectors, then get out the multi meter and verify you have 13-14 volts at the battery while the engine cranks, that all the fuses test good, and a noid light test shows the injectors firing, and you get ignition spark at the plugs.
next you want to verify oil pressure is at least 10psi while cranking,and fuel pressure stays at about 40psi
it always comes back to the basics,
are you getting fuel pressure?
do you have compression?
are ALL the plugs firing?
are there trouble codes?
are all the injectors working?
what the voltage as your cranking?
do you hear the fuel pump run?
HAVE you checked for vacuum leaks, loose electrical connections?
have you done a compression check?
have you checked the exhaust back pressure?


I just had a guy have his car towed over to have me look at it, it was a 1987 TPI corvette, it would not start, and when it did act like it wanted to for a second or so it would almost catch and run but would not stay running for more than a 1/2 second, I checked ignition timing and for spark and that was fine.
your best route is going thru a step by step check list, don,t guess verify each system functions

tpishradera.jpg

you can,t make intelligent choices with out knowing the facts about exactly how things are supposed to work, and testing to verify that they are working currently as they were designed too or not
shrader7.jpg

so I used my shrader valve tool

shrader6.jpg

to remove the center valve section
vinyltube.jpg


BTW vinyl tube should never be used as fuel line for any longer than a quick test as it gets brittle when subjected to fuel and engine heat over time and becomes a fire hazard

I placed a 3 foot section of clear vinyl tube over the now open shrader valve so fuel would would exit the fuel rail, and flow into a clear quart container, so I could see if there was water mixed in the fuel,...all I got was a bunch of bubbling fuel and mostly air so I realized the fuel supply was not providing significant fuel pressure,or fuel flow volume. the fuel gauge indicated a 1/4 tank but adding 5 gallons instantly got solid fuel pressure and flow, replacing the shrader valve interior and trying to start the car, it fired right up, the major engine problem was, simply that he was flat out of fuel and the gauge is defective

if you suspect the injectors have gone bad or are locked up and your test with a NOID LIGHT TEST KIT shows the injectors are getting the required pulse from the wiring and the injectors have the required ohms resistance and you have the fuel rail pressure, but your not getting fuel, and you are getting ignition spark,its always a case of isolate and test, that finds the cause, and you start with the basics of trouble codes , and fuel, compression, spark, and timing.
old school testing still works and if you swap the current injectors out for different injectors and nothing changes you have a good indication its not the injectors causing the problem, now the problem with that course of action is that new injectors tend to cost $300-$600 a set for 8 , thus a bit of creativity is used,
If it was my car Id have done a bit of research and located a list of cars that had compatible injectors that could be swapped in, then visit a salvage yard with a easily portable tool kit and a multi meter and found at least 16 injectors , that I could pull that passed the ohm meter test for use in testing the car, by simply swapping out the injectors wholesale after very carefully cleaning the salvage yard supplied injectors.(obviously the price will vary so ask before you go thru the effort but Ive generally paid $60-$80 for a set of 8 used injectors which I test with an ohms meter before I remove them, and having a spare set is certainly worth that)

heres a link to swapping injectors
http://www.thirdgen.org/injectorswap

youll find a great deal more detailed info in the links and sub links listed below

viewtopic.php?f=32&t=1401

viewtopic.php?f=55&t=1241&p=2648&hilit=noid#p2648

viewtopic.php?f=32&t=596

viewtopic.php?f=32&t=33

viewtopic.php?f=32&t=6706&p=21505&hilit=noid#p21505

viewtopic.php?f=55&t=3108&p=8292&hilit=noid#p8292

viewtopic.php?f=32&t=168

viewtopic.php?f=32&t=2697&p=7173&hilit=noid#p7173
 
Last edited by a moderator:
just a reminder to check the rather obvious, I got a call from a friend that was having a great deal of difficulty starting his 1992 corvette.
(Thats the first year for the LT1) that corvette, had been in storage for several years,(3-4 he doesn,t remember,) well, he could get the engine to spin,after installing a new battery,and the ignition worked ,his plugs had spark, he could hear the fuel pump run, and the fuel gauge showed he had about 1/4 tank of fuel, but the car would not fire up, I listened to him describe his problem and suggested he drain the old fuel and replace it with a fresh 10 gallons and some fuel system cleaner/injector cleaner and replace the fuel filter and then place a fuel pressure gauge on the injector fuel rail shrader valve and if he was getting good fuel pressure to call me back. well he calls me back and said he replaced the fuel filter and he had fuel pressure on the shrader valve because he took the cap off and depressed the valve and got a few drops of fuel, but he had zero idea as to pressure as he doesn,t have a pressure gauge, and could I please come over and help?
I agreed but told him to buy 10 gallons of fresh fuel, and two different brands of fuel injection cleaner.
well I get there and he wants to show me how it won,t start, I hooked up a pressure gauge on the shrader valve and got a 15 psi reading that dropped to zero in under 2 minutes when he turned on the car, I told him to pour in the first five gallon can of fresh fuel and one can of injector cleaner , into the tank, the fuel gauge never changed, but the engine started, but ran like crap, the gauge on the fuel rail shrader valve shower 35 psi bouncing to 40 psi then down to 30 psi and back up etc.
I told him to shut it down, I checked he was 2-3 quarts low on oil, I had him do an oil and filter change and add the second five gallon can of fresh fuel, then start the engine and let it run for 4-5 minutes while I checked voltages, grounds etc. the result was that his basic issue was he was trying to start the car with 3 year old fuel, the fresh fuel , new fuel filter, oil change, and injector cleaner seemed to cure his problem, as within minute the car was running fairly smoothly,but with the fuel pressure bouncing IM fairly sure the fuel pumps on its way out or the pre filter screen in the tanks fuel pump, is partly, clogged, his main problem was the fact that 3-4 year old fuel was in the car and the gas gauge seems to need repairs, as its not reading correctly and Im reasonably sure the fuel pumps going to need replacing,
you can,t expect a car to sit with zero maintenance for 3-4 years and have it fire right up without having some issues, I'm sure he will get these worked out .
and yes before someone brings it up, I also suggested inspecting or replacing the fuel pressure regulator, fuel pump, vacuum lines, spark plugs, air filter, fuel tank pre-screen filter, checking the fuel gauge, fuses, and setting the TPS and IAC and cleaning the injectors.
I also suggested he check all the sensor resistances and voltage readings, and checking trouble codes and grounds.


and I showed him these links below which Im sure will eventually become useful

viewtopic.php?f=32&t=33

viewtopic.php?f=32&t=3429

viewtopic.php?f=32&t=2697&p=18904&hilit=sensors#p18904

viewtopic.php?f=80&t=728&p=9217&hilit=sensor+ohms#p9217

viewtopic.php?f=32&t=1836

viewtopic.php?f=32&t=816

viewtopic.php?f=32&t=304

viewtopic.php?f=32&t=168

viewtopic.php?f=36&t=628

viewtopic.php?f=32&t=1773&p=4506&hilit=corvette+shop+manual#p4506

viewtopic.php?f=80&t=1470&p=3304&hilit=corvette+shop+manual#p3304

and yes it may look difficult or intimidating, but its just not that hard to do correctly if you take your time and read up on whats required
 
tpilink3a.jpg

tpiplenum9a.jpg


IF YOU FAIL TO LOOK THRU THE SUB LINKED INFO YOULL MISS A TON OF GOOD INFORMATION
http://www.chevythunder.com/fuel%20inje ... pg%20B.htm
a defective or loose connector on your intake air manifold temp sensor can cause starting issues,that sensors located on the under side of the plenum about the center-line of the rear of the plenum, near where the green arrow points, its usually easier to reach the connector from the pass side of the plenum/runners, and this sensor works better if moved to the forward air intake, there are wire kits to do the relocation
tpiiat2.JPG

fuel_injectorv.jpg

viewtopic.php?f=70&t=7309&p=24868#p24868

http://chevythunder.com/fuel%20injectio ... pg%20C.htm

viewtopic.php?f=44&t=366&p=448#p448

Corvette Intake Air Temperature Sensor Relocating Kit, L98,1985-1991
http://www.austinthirdgen.org/index.php?pid=24

READ THIS
http://tpiparts.net/85_89_maf_sensors/
The Air Temperature Relocating Kit repositions your engine's air intake temperature sensor from the hot plenum area to the air filter base where it can sense cooler air. This enables the ECM to adjust the fuel to more accurate air temperatures resulting in increased engine performance. This kit can be used with or without the forced air induction system. The kit includes: IAT sensor, CAD/CAM designed & CNC machined aluminum mount bracket with stainless steel hardware, 78" extension harness, cable ties & installation instructions. Fits all 1985-91's except ZR1 models.

http://www.ecklerscorvette.com/1985+che ... -1991.html
1985 Chevy Corvette Standard Intake Plenum Manifold Air Temperature Sensor
airtempsensor.jpg

Replacement Sensor
Gray Wire Connector End
Open Probe

This Corvette replacement intake plenum manifold air temperature sensor has been manufactured to meet or exceed factory specifications and performance. You will find the fit and function will work perfectly for your Corvette. You will also be pleased to know that Eckler's has sourced this intake plenum manifold air temperature sensor among other possible parts as the best choice for your repair or restoration project.




By: BigBabyLou

Why

The main reason is so that the ECM sees the correct air temperature. Three causes why it doesn't:
1) the Intake Air Temperature (or Manifold Air Temperature) sensor is located in the intake plenum, on its underside, so it is heatsoaked from all the hot surrounding metal.
2) the stock Intake Air Temperature sensor is nothing but a CTS (Coolant Temperature Sensor) which is a big metal piece with threads and a connector. So in fact, this big piece of metal has NO WAY of measuring the temperature of the air at the big honking metal tip, instead it measures the temperature of the hot manifold.
3) the intake manifold is full of what? Air? Well, only at WOT. Otherwise (most of the time), there is a lot of vaccum in the manifold (i.e. lack of air). So WHAT air temperature can the sensor measure anyway?


What

This picture shows the stock TPI IAT sensor (on the left) vs the V6 IAT sensor (on the right).
The stock TPI IAT sensor is the same as the CTS sensor and thus measures reliably the temperature of whatever mass it is screwed into. Like the hot intake plenum.
Whereas the V6 IAT sensor has a protruding plastic sleeve with screens and a sensor pellet placed in the screened openings, to measure the temperature of the airflow through the screens.
There is no electrical difference in these two sensors whatsoever, their readings are identical, they are completely interchangeable when it comes to their electrical specs and plumbing.
Oh, I forgot a minor detail: their plugs differ very slightly. But if you shave two tabs on the sides of the connector (with a knife or a file), it will plug in with no problems.

Where

The stock TPI IAT sensor is located on the bottom of the upper intake plenum, towards the back. It is facing the lower intake manifold.
My car came with the filter intake runners that supposedly go on a V6 engine and that have a 3/8" NPT hole in the side. Specifically for the IAT. So this is the place where I installed the new IAT.

How

The stock TPI IAT sensor is in a not very accessible location. It is hard to reach but You might be able to pull the plug off with a thin long screwdriver and some needlenose pliers. Otherwise, take off the upper intake plenum to access the IAT and connector.
Trace the wireloom behind the passenger valve cover and disconnect it from the black two-prong connector (C121). Splice into the harness and extend it so that it can reach to the new sensor location.
Purchase (or obtain through other means available to you) an IAT sensor for a V6 MPFI engine and make sure it's the right one.
(you can also use the IAT sensor from a TBI engine, it has same electrical characteristics and connector)
(when locating the sensor, be aware that it might be called ACT - Air Charge Temperature, which is more of a Ford term but some stores use it for the Chevy sensor anyway)
Shave the two tabs on the sides of the IAT connector (with a knife or a file) and make sure that it will plug into the new IAT sensor.
Install the IAT sensor into its new location (in the air filter runners or elsewhere).
Now just run the extended wire safely so that it doesn't get caught on any moving parts.
Disconnect the battery for several minutes so that the computer can relearn how to adjust the mixture with this new reading.

Picture of the new IAT sensor installed in the air filter runners.
tpiiat1.jpg

Results

Many people are VERY skeptical about this change and say that it does not make much of a difference.
However, from my practical experiment using datalogging software, I can say without exaggeration that I've seen a 35-degree (F) CONSTANT difference in the intake air temperature measurements.
With the stock TPI IAT (heatsoaked CTS part), the computer saw 132 degrees in the intake on a 95 degree night. That measurement was performed on the highway, i.e. with lots of air flowing through the engine compartment. Stopped at idle, the temperature reading was even higher.
With the relocated TBI IAT sensor, the computer saw 97 degrees on the SAME night, with 95 degrees outside. Again, this measurement was performed on the highway but the reading did not increase much at lower speeds or at idle.

So there, it's not a myth and if done properly, the computer will see the REAL air temperature. And especially in Texas, that makes a world of difference.



85-89 MAF TPI Systems

Below is a list of all the needed sensors to install a MAF TPI setup, and each of their functions.

Mass Air Flow (MAF) Sensor: This sensor is responsible for measuring air volume and density. It is located in the air duct, before the throttle body. All of the air that the engine consumes must first pass through the MAF sensor. At the center of the MAF, is a very thin wire whose resistance increases as it goes up in temperature. A constant voltage is applied to this wire. Air being drawn through the MAF has the effect of cooling this wire, which lowers its resistance, and increases current. As you might suspect, the more air is drawn through the MAF sensor, the greater the current flow. It is important to note that hot dry air is less dense and has less mass than cool moist air. As a result, hot dry air will cool the wire less than cool moist air.

A circuit mounted on the MAF sensor serves to convert the current flow into a variable frequency square wave on 1985 models, which is sent to the ecm. MAF units from 86-89 models output a simple analog signal instead of using frequency modulation like the 1985 units. The ecm will calculate the amount of fuel needed depending on the signal from the MAF sensor. It is very important that there are no air leaks (from a ripped air duct for example) between the MAF and the throttle body.
Oxygen Sensor: Responsible for determining the amount of oxygen in the exhaust manifold. Depending on how much oxygen is in the exhaust, the ecm can determine whether or not the air/fuel mixture is rich or lean. The signal sent to the ecm by the ecm varies between 0.0 and 1.0 volts. An ideal mixture (also known as a Stoichiometric mixture) of 14.7:1 is represented by .450 volts. If the oxygen sensor voltage is below .450, then the air/fuel mixture is lean. Anything over .450 means the mixture is rich. Since the sensor is essentially just a switching device, it will be fluctuating alot between lean and rich. This is normal, and an indication that the sensor is in working properly.

Keep in mind however that oxygen sensors (except wideband oxygen sensors), are not very accurate below or above .450 volts. Exhaust gas temperature will affect the oxygen sensor reading as well. The sensor will not read properly until exhaust gas temperature reaches approximately 600 degrees Farenheit. If you have headers installed, it is a good idea to use a heated oxygen sensor (3 wire) instead of the usual single wire sensor. Headers usually place the oxygen sensor further down the exhaust stream, where exhaust temperatures are cooler. A heated oxygen sensor will heat itself, allowing a more reliable sensor reading than a single wire sensor. If you have factory exhaust manifolds, then the single wire sensor is adequate.

Oxygen sensors are a regular maintenance item, and should be replaced every 30,000 miles. When an oxygen sensor goes bad, it tends to read lean, and will not fluctuate very much. The ecm will attempt to correct this false lean condition by richening the mixture. This will cause poor driveability, and high gas consumption.
Knock Sensor: Also known as detonation sensor, it is responsible for sensing spark knock. Basically, thats when the fuel mixture ignites before the spark plug fires. The piston is moving upwards as this premature combustion takes place. Since fuel is used to cool down the combustion chamber, a lean condition causes the temperature to rise, and ignites the fuel mixture prematurely. This is very abusive on the engine internals, and reduces the life of any engine. The more powerful the engine, the greater the potential for damage. Detonation can be cause by a variety of things. One of the more common causes on TPI retrofits where prom changes have been made to the fuel or spark tables is a lean condition. It isn't always loud enough to be heard, so just because you don't hear any pinging, doesn't mean its not happening.
CTSMAT_1_.gif

Detonation will cause a vibration to travel through the engine block. The sensor listens for this vibration at a certain frequency, and sends a signal to the ecm when the frequency is heard. This frequency is different depending on engine size. To prevent possible engine damage, the spark timing needs to be retarded when detonation is present. The sensor itself does not pull the timing back however. The ecm is in charge of retarding the timing, and will do so according to a series of settings inside the prom. The knock sensor is located on the passenger side of the engine block on factory applications. It can however be relocated to the driver side of the block if needed (header clearance for example). They are different depending not only on the size of the engine, but also the ecm being used. It is important that the correct sensor is used to avoid problems. Although it is possible to run the car without one, I strongly suggest against this. I have had customers come to me looking for a $45 knock sensor after spending several hundred dollars and an extra month of work rebuilding a blown engine due to detonation.
Throttle Position Sensor (TPS): Responsible for reporting to the ecm the position of the throttle blades. The ecm will receive a signal which can vary from 0.0 to 5.0 volts. At idle, the TPS should be read .54 volts (factory specification) unless it has been set to a different value inside the prom. If it does not read .54 volts and the idle TPS voltage setting has not been modified in the prom, then it should be adjusted. Under full throttle, it should output close to 5.0 volts. Throughout its range of motion, the voltage should climb steadily, without any jumps or falls. If it is not steady or has some fluctuations as it is moved through its range of motion, it should be replaced. This sensor is located on the passenger side of the throttle body.

Coolant Temperature Sensor (CTS): This is basically a thermistor (means that it changes resistance with temperature) that supplies the ecm with the temperature of the engine coolant. This temperature reading is used for several important functions. The most notable is that the ecm adds extra fuel to an engine when its cold, and as the engine warms up, the extra fuel is reduced. This sensor mounts at the front of the intake manifold. The chart below shows the approximate resistance for this sensor in relation to temperature.
Intake Air Temperature Sensor (IAT): This sensor is also a thermistor (means that it changes resistance with temperature) that supplies the ecm with a temperature reading of the air being drawn into the engine. It is the same as the coolant temperature sensor on 86-92 models. The 1985 intake air temperature sensor used a different connector and cannot be used as a coolant temperature sensor because it had an exposed bulb. This sensor mounts underneath the plenum. The chart above shows the approximate resistance for this sensor in relation to temperature.

Idle Air Control (IAC) Valve: Although this is technically not a sensor at all, people often treat it as one. It is responsible for regulating the amount of airflow being admitted into the engine to adjust engine speed, particularly at idle and deceleration. The ecm controls the IAC at its discretion. The IAC works by moving a cone shaped pintle, which can extend and retract as needed to admit or block off incoming air. The valve moves the pintle in "steps". These steps are numbered and range from 0 to 160. A properly adjust throttle body should be idling when warm between 15-25 steps.

The IAC is used under a variety of conditions, not only at idle speed. The valve mounts on the bottom coolant plate of the throttle body.

Vehicle Speed Sensor (VSS): This is responsible for providing the ECM with the vehicle speed. It can be located either at the tailshaft of the transmission, or behind the speedometer on cars with a cable driven speedometer. It sends a 2k ppm (pulse per mile) square wave signal, and is needed for a variety of functions. It is absolutely critical for the ecm's learn mode, timing retard, emissions, torque converter lockup (automatic lockup transmissions only), idle speed control, and to avoid stalling on deceleration. It is possible to run without one. However, your car will NOT be street legal if you are required to retain emissions equipment, the ecm will not control the torque converter lockup, the ecm will not retard timing if you run into detonation, and it is possible to run into stalling /idle speed issues. In addition, the ecm will not adjust the fuel table properly as you drive (known as its "learning ability"). If the ecm does not know the vehicle speed it is assumed to be 0 mph.

If you still insist on not running a vss, I very highly suggest that the minimum vehicle speed for timing retard be brought down to 0 mph in the prom. The factory setting is 2 or 3 mph. If you don't bring this value down, and you do not run a vss, the ecm will NOT retard your timing under detonation.

http://www.mamotorworks.com/corvette-c4 ... 6-893.html
mafhighlighted.JPG


the 1985-91 TPI corvettes used a MAF sensor, the LT!-LT$ vettes used a different MAP SENSOR


fr8n93.jpg



https://www.ebay.com/itm/MAP-Sensor...T4-GM-Repair-Connector-Wire-TPI-/151403313601

https://www.ebay.com/itm/MAP-Sensor-Connector-Pigtail-Harness-93-97-LT1-LT4-GM-Repair-Connector-Wire-TPI/192197612559?_trkparms=aid=222007&algo=SIM.MBE&ao=2&asc=20160323102634&meid=832c05b2dde84f84a66b76036e9771d1&pid=100623&rk=2&rkt=6&sd=151403313601&itm=192197612559&_trksid=p2047675.c100623.m-1

mapk1.jpg


http://garage.grumpysperformance.co...-auto-elecrtrical-connectors.3105/#post-68805
mapk2.jpg


mapsv.JPG

mapsv1.JPG
 
Last edited by a moderator:

yes it will take you some time but it will be worth the effort to read thru the links and sub linked info below look I know its going to take some research, and testing, Im well aware is frustrating,
but randomly replacing components is a rather expensive and far from effective way to fix the issue
and while reading links <AND SUB LINKS) might be painful , but it will lead you to the source of the problem
you need to get a shop manual, and multi meter and start checking each stage of the process


viewtopic.php?f=32&t=1401

viewtopic.php?f=80&t=728&p=1025&hilit=sensors+camaro#p1025

http://www.hotrod.com/articles/innovate-air-fuel-ratio-meter/

viewtopic.php?f=32&t=2697

viewtopic.php?f=70&t=1015

viewtopic.php?f=70&t=875

viewtopic.php?f=70&t=294

viewtopic.php?f=70&t=2798

viewtopic.php?f=70&t=1701

viewtopic.php?f=70&t=3301

viewtopic.php?f=70&t=251

viewtopic.php?f=70&t=4683

If you look over the threads on this and most other sites related to cars you'll see a recurring theme,and that theme is related to the total frustration many guys seem to feel when the car engine won,t run or run correctly, and for some reason the average response is to start throwing random guess work list of new parts at the problem, rather than stepping back, and doing a logical list of tests and braking out the shop manual, multi meter, vacuum and fuel pressure gauges and a timing light and using the tools too isolate the source of the problem by testing sensors,electrical connections and function of each related component , AFTER RESEARCHING the problem.
the basics remain the same
you need compression ],
which means the rings and valves must seal the cylinder and the cam lobe timing must be CORRECTLY indexed to the crank rotation
YOU NEED FUEL
which means the carburetor or injectors on the engine must get an adequate flow and consistent pressure, and must atomize that fuel and mix it with air flow in the proper ratio.
YOU NEED ignition
which means the spark plugs must fire, or arc, at the proper time in relation to piston location as the crank and cam rotate,with a spark or adequate heat and duration to ignite the compressed fuel air mix
YOU NEED AN UN RESTRICTED AIR FLOW ]
which requires that both the intake manifold and exhaust system allow near unrestricted flow into and out of the engine
YOUR ENGINE MUST BE PROPERLY LUBRICATED
which both reduces heat and wear and keeps the engine from seizing up, or getting into detonation or having parts fail from heat stress
YOU NEED A COOLING SYSTEM
to maintain the engines operational temperature in its intended range, and reduce wear and parts failure so the lubrication and cooling systems, operate together.
ALL THE SENSORS MUST WORK, SO CHECK YOUR ELECTRICAL CONNECTIONS, FUSES AND GROUNDS

if one or more of these functions or the sensors that control these functions fails your engine won,t operate correctly so its your job to isolate the problem


First thing we will do is check for Fuel, lets do a quick check list

http://members.shaw.ca/corvette86/FuelS ... gnosis.pdf
you might be amazed at what a few tests with a fuel pressure gauge can tell you
feulpres.jpg

viewtopic.php?f=70&t=7309&p=24862&hilit=noid#p24862

Install the fuel pressure gauge onto the shrader valve on the fuel rail. you should get about 40 psi when the keys turned on, and it should hold at 40 psi for several minutes after the keys turned off, if that doesn,t hold a injector or the pressure regulator leaks, or the fuel pumps defective
tpishrader.jpg


Fusebox1.jpg


Fusebox2.jpg

https://www.centuryperformance.com/foru ... -Coil-Tech
coilsel.png


ONE FACTOR THATS RARELY UNDERSTOOD ,is that you need consistent voltage and current values to keep a consistently effective ignition working as its designed and in many cars the stock alternator is MARGINAL at best at supplying the ignitions needs, Ive seen some rather remarkable improvements in engine performance at times when upgrading the alternator from a stock 110-120 amp OEM type to the 200 amp aftermarket alternators in several muscle cars and corvettes

http://www.globaldenso.com/en/products/ ... tions.html
densoe1.png

densoe2.png

densoe3.png


if you find you have fuel, you can now verify ignition spark
a simple test is to pull a plug wire and insert a #2 phillips screw driver into the plug boot , you then hold the plastic handle so the steel shaft is about 1/4" from a good electrical ground while a friend hits the starter to spin the engine, you should see a spark jump the gap
READING ALL THE WAY THROUGH these links might be helpful, they cover a wide range of related info


http://www.thirdgen.org/tpimod2

http://www.thirdgen.org/injectorswap

viewtopic.php?f=32&t=33

viewtopic.php?f=52&t=196

viewtopic.php?f=32&t=596

viewtopic.php?f=50&t=6323&p=19860&hilit=aldl#p19860

viewtopic.php?f=36&t=63&p=31920&hilit=shop+manual#p31920

viewtopic.php?f=32&t=168

viewtopic.php?f=32&t=661

viewtopic.php?f=32&t=5926

viewtopic.php?f=32&t=302

viewtopic.php?f=36&t=628&p=15040&hilit=opti#p15040

viewtopic.php?f=80&t=728&p=9217&hilit=vacuum+diagram#p9217

viewtopic.php?f=32&t=1773&p=4506#p4506

viewtopic.php?f=87&t=332&p=14272&hilit=leakdown#p14272.

a great many electrically conductive surfaces are subject to oxidation and corrosion especially things like battery grounds on frames and the newer screw on the side battery cable connections, and battery to starter connections,so coating those higher amp rated connection points with a good anti corrosive, and moisture resistant and electrically conductive paste , grease or anti-seize would seem to be a good idea.
I know I can,t be the only guy that used to occasionally find when I hit the ignition key and got a click but the starter would not work, and found that a loose battery connection on the cable was at fault!

$_35.JPG


http://www.2spi.com/catalog/vac/silver-filled-grease-techdata.html

http://www.cool-amp.com/conducto_lube.html?gclid=CNKs1MD-sMYCFZKBaQodGswC6A

http://www.w8ji.com/dielectric_grease_vs_conductive_grease.htm

http://www.carid.com/loctite/copper...Put_9z-sMYCFQGGaQodOMID_Q#product-details-tab

41VTDWZZPNL.jpg
 
Last edited by a moderator:
"hey grumpy, when I parked my 1985 TPI corvette a couple weeks ago it was running fine, I went to start it, the fuel pump runs while the engines cranking,but it acts like theres no gas getting sprayed from the injectors, the engine spins, I have ignition spark at the plugs, and I can hear the fuel pump run constantly, but the engine won,t fire up, any ideas?"




THINK,

fuel tank...to .fuel filter....to .-fuel pump....to feed into fuel rail& injectors. then out too....fuel pressure regulator...then too..return line to fuel tank

Fueltpsystem.jpg


it might help if you think, fuel pump provides fuel flow volume,
fuel pressure is a measure of resistance to fuel flow,
the fuel pressure regulator acts as a valve that opens if the pressure exceeds about 42 psi (YES some versions like yours are manually adjustable) but the reason its there is to maintain a consistent 39 psi-42 psi to do that you allow the fuel pump to stack or pressurize fuel in the fuel rail and in theory the fuel pressure regulator only allows excess fuel volume to flow back to the fuel tank through the return line if that fuel pressure exceeds the 42 psi, the pump is designed to provide a bit more than the required 42 psi too insure fresh cool fuel is cooling the fuel pump while maintaining that consistent fuel volume at the fuel pressure, when you tromp on the throttle the flow of fuel drastically increases, the regulator momentarily restricts out going fuel to maintain the fuel rail pressure and volume, until the flow demand drops enough, for excess volume and the resulting increased pressure that results to open the regulator again,

just because the fuel pump runs doesn,t guarantee you have fuel pressure at the fuel rails , so the obvious first test is to pour a couple gallons of fresh fuel into the fuel tank and verify theres pressure at the fuel rail shrader valve on the rear of the pass side fuel rail.the fuel pump should only run long enough to build to about 38psi-42psi then shut off and start intermittently if the fuel pressure is reduced, while the engine spins AS LONG AS YOU HAVE 5 psi of oil pressure the fact that the fuel pump continues to run while your cranking the engine seems to indicate you have the required oil pressure so the fuel pumps getting voltage.
so many guys don,t bother,to post both the problems they see and the solutions they eventually find, and that makes it much harder on those looking for answers to similar issues.
and yes defective injectors,bad electrical connections, defective sensors, or fuel system supply issues and vacuum leaks are frequently the cause of " ENGINE SURGING", or "MISSING" yet most guys want to instantly start swapping parts rather than testing to isolate the cause.
some time spent with a shop manual and multi meter , and fuel pressure gauge and knowing a list of sensor voltage/resistance readings, and reading the shop manual, and basic research like checking your fuses are ok and the alternator and battery function correctly and looking for loose grounds, can do a great deal toward isolating a problems source.
tpishrader.jpg


Id first test the injector fuses theres two in a 1985 vette, the injectors will not squirt enough fuel to start the engine in most cases if one of the injector fuses is blown
Fusebox2.jpg

fusex.jpg


if you have at lease 38 psi in the fuel rail, and it holds at or near at least 38 psi for at least a couple minutes after you stop cranking the engine, the fuel pressure regulator is most likely functioning correctly, but you state the injectors are not squirting fuel and the pump keeps running while you crank the engine?
you can test the electrical connectors on the injectors with a noid test light to watch the electric pulse,at each injector location, ID verify timing injector resistance,and check for vacuum leaks while testing, and remember theres a 9th cold start injector on the 1985-88 TPI fuel rail.
remember the fuel pump supply's fuel flow from the tank toi the injector fuel rails, but its the controlled resistance to fuel flow in the fuel pressure regulator that produces the fuel PRESSURE ,you read with the gauge at the shrader valve on the fuel rail, if the fuel pressure diaphragm is ruptured it results in little or no fuel pressure even if the fuel pump works because fuel is just being pumped from the tank thru the fuel rails and back to the tank via the fuel return lines with very little resistance to build pressure.

THIS RETURN STYLES FAR MORE CONSISTENT

because fuel flows strait thru at all times but as soon as resistance to flow exceeds the set pressure level the adjustable spring seat is seat at, the relief valve to the return line is forced open and all excess pressure and flow exits into the return line maintaining the set pressure but preventing any further increase, but never interrupting fuel flow
Regulator-ReturnStyle03d.jpg

a very common problem on older TPI systems is a leaking fuel pressure regulator diaphragm, leak, or rupture, resulting in excessive fuel in the plenum,as it gets sucked past the defective diaphragm , up into the plenum thru the vacuum line, and a very low fuel pressure reading at the shrader valve on the fuel rail, the most likely source of that problem, is a ruptured or leaking fuel pressure regulator diaphragm thats allowing fuel to flow up the vacuum hose into the plenum, as its very unlikely all 8 injectors are leaking, that would account for the fuel pressure drop and all 8 cylinders showing excess fuel contamination
tpifp1.jpg

replacement diaphragm
RETURN STYLE FUEL PRESSURE REGULATOR
2 fuel pressure diaphragm
3 fuel flow chamber and pressure route chamber
4 boost reference connection
5 pressure adjustment
8 return line valve and exit
viewtopic.php?f=55&t=635

IF you can,t locate a 9th injector and yours is defective on an early TPI,you can use an injector delete ,block off kit, it will take a bit longer to fire up on a few cars but generally its not required and upgrading the computer can eliminate its need all together
9th1.JPG

csinp.png

Chevy TPI SBC Cold Start 9th Injector Block Off Delete Kits ARE AVAILABLE
9thp2.jpg

read these threads and sub links, full of related info

viewtopic.php?f=70&t=7309&p=24862&hilit=noid+test+light#p24862

viewtopic.php?f=55&t=606&p=7969&hilit=noid#p7969

viewtopic.php?f=70&t=875&p=31963&hilit=multi+meter#p31963

http://members.shaw.ca/corvette86/Engin ... ontRun.pdf

http://members.shaw.ca/corvette86/FuelS ... gnosis.pdf

viewtopic.php?f=32&t=33&p=41&hilit=9th+injector#p41

viewtopic.php?f=36&t=63&p=76&hilit=9th+injector#p76
 
Last edited by a moderator:
Its become obvious from the questions I get that some guys reading the thread don,t seem to have the basic concepts on either how to test or what to look for while they test and what the results of testing tells you so ill try to break it down into the basics.

http://garage.grumpysperformance.com/index.php?threads/long-start-or-crank-time-on-early-c4.16444/


FIRST , youll want a few basic tools so Is suggest you get a SHOP MANUAL FOR YOUR YEAR CAR,a SCAN TOOL WILL BE USEFUL and ill post links as usual.
A MULTI METER, and yes at times it helps to have both an analog and digital multi meter so if you can get both,
also a TIMING LIGHT,AND a NOID LIGHT KIT,
a fuel pressure gauge , and both an analog and digital
you really need to purchase a multi meter and a SHOP MANUAL and look thru the schematics
without testing there's almost no way to locate the source of your problem,, testing will tell you
ID strongly suggest you look over the links and locate the fuse panel on the pass side of the dash under the panel cover with the door open on that side and the larger fuses in two separate rectangular black plastic covered holder near the rear drivers side fire wall near the battery, and use the multi meter to verify ALL the fuses test good! with a PROBE each side of the fuse should read the same, if one side shows voltage and the other shows none the fuse may be blown.

http://www.helminc.com/helm

1996_Corvette.jpg
image_6238.jpg

http://www.harborfreight.com/5-in-1-dig ... 98674.html
LOTS OF RELATED INFO IN THESE LINKs


http://www.mainstreamtopics.com/forums/ ... iagnostic/



OK, theres SIX main areas to concern yourself with, that youll want to be testing and isolating the problem too!
(1)COMPRESSION OR MECHANICAL ISSUES
(2) FUEL DELIVERY AND PRESSURE
(3)IGNITION RELATED
(4) SENSOR RELATED
(5) CPU control
(6) ELECTRICAL CONNECTIONS




(1)COMPRESSION OR MECHANICAL ISSUES
youll need to verify all your cylinders have near equal compression, a simple compression test will help, all cylinders should read within 10% of each other , if any read less than about 90psi you more than likely have worn rings detonation damage or badly adjusted valves or a leaking valve so obviously those conditions will need to be checked, readings below 70 psi usually indicate mechanical or detonation damage


(2) FUEL DELIVERY AND PRESSURE
First thing we will do is check for Fuel, lets do a quick check list
on a properly operating TPI system you should see near 40-43 PSI on the fuel rail, when you try to start the car, if the fuel pressure falls rapidly when you turn off the key check the vacuum line on the fuel pressure regulator for raw fuel, if you see raw fuel its usually indicating a leaking fuel pressure regulator diaphragm, that needs to be replaced, if you see pressure drop slowly you might have a defective leaking injector dribbling fuel into a cylinder, check all the spark plugs none should be wet / black or fuel fouled.
you could also have a defective fuel pump.

READ THESE LINKS SEVERAL TIMES CAREFULLY


http://members.shaw.ca/corvette86/FuelS ... gnosis.pdf


http://www.corvettebuyers.com/c4vettes/l98.htm

http://garage.grumpysperformance.co...roblem-getting-the-engine-started.63/#post-76

you might be amazed at what a few tests with a fuel pressure gauge can tell you, and you should hear the fuel pump run for about 3 seconds to pressurize the fuel rails when you first turn the key.
your SHOP MANUAL HAS A FUEL PUMP TEST AND FUEL PUMP RELAY TEST PROCEDURE LISTED

with the key on but engine off you should see 12 volts on the orange or pink wire on the fuel pump relay, the black wire goes to frame ground. if you have voltage and the fuel pump runs , fine, if not with the key on and engine off and after verifying all fuses are good check the dark green and white on the fuel pump relay while cranking the car this is the pmc lead that triggers the relay, if its hot the pmc is most likely ok, if not check the wire for corrosion , or breaks in the wire , if its dead the pmc might be defective, if all the leads check replace the relay if it fails to provide voltage to the fuel pump.
get out your shop manual, look at the diagram carefully, your SHOP MANUAL HAS A FUEL PUMP TEST AND FUEL PUMP RELAY TEST PROCEDURE LISTED and shows you how to bye-pass the fuel pump relay with a jumper
feulpres.jpg

#3 in the diagram, its your OEM fuel pressure regulator the vacuum line changes the effective fuel flow and pressure slightly to compensate for the engine loads
manifold vacuum changes under engine load
The spring pressure is what governs your fuel pressure/flow at any condition (pressure and flow are inversely related). Engine vacuum acts on the diaphragm which compresses or relaxes the spring, thereby opening or closing the valve. Under high engine loads (low vacuum) the spring overcomes the vacuum diaphragm, opens the valve and more fuel flows. Under low engine loads (high vacuum) the vacuum overcomes the spring and the valve closes (not all the way, obviously) and fuel flow is reduced.
fuel_rail_assembly_and_parts.gif


Regulator-ReturnStyle03d.jpg

9th2.jpg


afpr2.jpg

http://static.summitracing.com/global/images/instructions/hly-199r10036-1.pdf
swapping to an adjustable versions usually good for a couple extra ft lbs of torque


Install the fuel pressure gauge onto the shrader valve on the fuel rail. you should get about 40 psi when the keys turned on, and it should hold at 40 psi for several minutes after the keys turned off, if that doesn,t hold a injector or the pressure regulator leaks, or the fuel pumps defective
tpishrader.jpg


Fusebox1.jpg

grstrapS.jpg

http://garage.grumpysperformance.co...urrent-flow-grounds-and-more.3504/#post-54625

http://garage.grumpysperformance.co...hooting-tip-for-electronics.11317/#post-51557

Fusebox2.jpg

if you find you have fuel, you can now verify ignition spark
a simple test is to pull a plug wire and insert a #2 phillips screw driver into the plug boot , you then hold the plastic handle so the steel shaft is about 1/4" from a good electrical ground while a friend hits the starter to spin the engine, you should see a spark jump the gap
READING ALL THE WAY THROUGH these links might be helpful, they cover a wide range of related info


http://www.thirdgen.org/tpimod2

http://www.thirdgen.org/injectorswap




(3)IGNITION RELATED
verify the optical sensor in the opti-spark ignition is correctly functioning, disconnect a single injector plug and plug in the noid light crank the cars engine the noid light should flash as the injector pulse signal voltage cycles, if you don,t have a noid light use a ANALOG MULTI METER , connected to the pink injector connector wire with the other analog meter lead to frame ground,as the bouncing indicator needle makes the voltage pulse obvious.
noidlite.jpg

optispq1.jpg


95ignsystemschematic.jpg

he next step is to use a multi meter and verify injector resistance, it should be consistent within an OHM or two between all injectors depending on brand most c4 corvette injectors will read 12-15 OHMS resistance.
Id then check the fuses and use a NOID test kit
viewtopic.php?f=55&t=606&p=7969&hilit=noid#p7969
injpiggy-ev1_med.jpg


(4) SENSOR RELATED



http://www.corvettebuyers.com/c4vettes/l98.htm



Start the engine. It may take a few seconds for the car to catch on to its new settings.

this infos bound to be helpful at times
Sensor Locations

Sensor
Location

Engine Coolant Temperature Sensor. Front of engine, below Throttle Body.
Engine Oil Temperature Sensor. Left rear of engine, just above the oil filter.
Oil Pressure Sender/Switch. Top, left hand rear of engine.
Fuel Quantity Sender. Top of fuel tank, beneath filler pipe escutcheon panel.
MAT (Manifold Absolute Temperature Sensor). Underside of manifold air plenum at rear.
Outside Temperature Sensor. Right side of engine, top right corner of radiator.
In Car Temp Temperature Sensor. Coupe: above left seat near interior courtesy light, Convertible: center of cargo compartment lid.
MAF (Mass Air Flow) Sensor. Front of engine ahead of throttle body.
Oxygen (O2) Sensor. Left side of engine, in exhaust pipe.
TPS (Throttle Position Sensor). Right side of throttle body at the front.


Sensor Outputs:

Sensor
Measured Value

Engine Coolant Temperature Sensor. 185 Ohms @ 210F, 3400 Ohms @ 68F, 7,500 Ohms @ 39 F.
Engine Oil Temperature Sensor. 185 Ohms @ 210 F, 3400 Ohms @ 68 F, 7,500 Ohms @39 F.
Oil Pressure Sender/Switch. 1 Ohms @ 0 PSI, 43 Ohms @ 30 PSI, 86 Ohms @ 60 PSI.
Fuel Quantity Sender. 0 Ohms @ Empty, 45 Ohms @ 1/2 Full, 90 Ohms @ Full.
MAT (Manifold Absolute Temperature Sensor). 185 Ohms @ 210 F, 3400 Ohms @ 70 F, 15,000 Ohms @ 40 F.
Outside Temperature Sensor. 4400 Ohms @ 60 F, 2200 Ohms @ 85 F.
In Car Temp Temperature Sensor. 4400 Ohms @ 60 F, 2200 Ohms @ 85 F.
MAF (Mass Air Flow) Sensor. .4 Volts @ idle, 5 Volts @ Full Throttle.
Oxygen (O2) Sensor. .1 Volt Lean Mixture, .9 Volt Rich Mixture.
TPS (Throttle Position Sensor). .54 Volts Idle, ~ 5 Volts Full Throttle.
grumpyvette is online now Report Post IP Edit/Delete Message



RELATED INFO LINKS


http://www.gmhightechperformance.com/te ... modifying/

HERES A FEW USEFUL, related bit of info and LINKS YOU MIGHT WANT TO LOOK THRU
http://www.diy-efi.org/gmecm/papers/tunetip.html

http://www.diy-efi.org/gmecm/papers/prog_101.html

http://www.eecis.udel.edu/~davis/z28/

http://para.noid.org/~lj/PCM Tutorial/PCMtutorial.htm

http://www.diy-efi.org/gmecm/faq/tbi_fp.html

http://www.diy-efi.org/gmecm/faq/gm_connectors.html

http://www.diy-efi.org/gmecm/
 
Last edited by a moderator:
gas as a liquid fuel ,does not burn well, GAS vapor does ignite easily, the hotter the engine is the more rapidly the liquid gas vaporizes thus making starting the engine more easily, the 9th injector is used to richen the F/A mix, to make starting far easier, later engine versions use a software change that lengthens the injector pulse duration to significantly richen the F/A mix its this longer duration in a cold engine that makes starting easier, so you either require the 9th injector or the more updated software that uses the engine temp software to make starting the cold engine easier.

90-92 Speed Density TPI Systems

Below is a list of all the needed sensors to install a speed density TPI setup, and each of their functions.

Manifold Absolute Pressure (MAP) Sensor: This sensor is responsible for measuring manifold air pressure. In simple terms, it measures engine vacuum inside the intake manifold. The lower the vacuum reading, the greater the load on the engine (i.e. heavy acceleration). The higher the vacuum reading, the lower the load on the engine (i.e. cruising or light throttle). The ecm needs this information to calculate how much fuel the engine needs. An engine under heavy load will require more fuel than an engine under light load. The MAP sensor is usually located on a bracket on the passenger side of the plenum. It may however be mounted on the firewall, or somewhere close by.

The ecm will see a signal from the MAP sensor which will vary from 0.0 to 5.0 volts. Under full throttle (0" of vacuum), it should read close to 5.0 volts. The voltage should drop depending on engine vacuum as described by the chart below:


MAPTable_1aa.gif



Oxygen Sensor: Responsible for determining the amount of oxygen in the exhaust manifold. Depending on how much oxygen is in the exhaust, the ecm can determine whether or not the air/fuel mixture is rich or lean. The signal sent to the ecm by the ecm varies between 0.0 and 1.0 volts. An ideal mixture (also known as a Stoichiometric mixture) of 14.7:1 is represented by .450 volts. If the oxygen sensor voltage is below .450, then the air/fuel mixture is lean. Anything over .450 means the mixture is rich. Since the sensor is essentially just a switching device, it will be fluctuating alot between lean and rich. This is normal, and an indication that the sensor is in working properly.

Keep in mind however that oxygen sensors (except wideband oxygen sensors), are not very accurate below or above .450 volts. Exhaust gas temperature will affect the oxygen sensor reading as well. The sensor will not read properly until exhaust gas temperature reaches approximately 600 degrees Farenheit. If you have headers installed, it is a good idea to use a heated oxygen sensor (3 wire) instead of the usual single wire sensor. Headers usually place the oxygen sensor further down the exhaust stream, where exhaust temperatures are cooler. A heated oxygen sensor will heat itself, allowing a more reliable sensor reading than a single wire sensor. If you have factory exhaust manifolds, then the single wire sensor is adequate.

Oxygen sensors are a regular maintenance item, and should be replaced every 30,000 miles. When an oxygen sensor goes bad, it tends to read lean, and will not fluctuate very much. The ecm will attempt to correct this false lean condition by richening the mixture. This will cause poor driveability, and high gas consumption.

Knock Sensor: Also known as detonation sensor, it is responsible for sensing spark knock. Basically, thats when the fuel mixture ignites before the spark plug fires. The piston is moving upwards as this premature combustion takes place. Since fuel is used to cool down the combustion chamber, a lean condition causes the temperature to rise, and ignites the fuel mixture prematurely. This is very abusive on the engine internals, and reduces the life of any engine. The more powerful the engine, the greater the potential for damage. Detonation can be cause by a variety of things. One of the more common causes on TPI retrofits where prom changes have been made to the fuel or spark tables is a lean condition. It isn't always loud enough to be heard, so just because you don't hear any pinging, doesn't mean its not happening.

Detonation will cause a vibration to travel through the engine block. The sensor listens for this vibration at a certain frequency, and sends a signal to the ecm when the frequency is heard. This frequency is different depending on engine size. To prevent possible engine damage, the spark timing needs to be retarded when detonation is present. The sensor itself does not pull the timing back however. The ecm is in charge of retarding the timing, and will do so according to a series of settings inside the prom. The knock sensor is located on the passenger side of the engine block on factory applications. It can however be relocated to the driver side of the block if needed (header clearance for example). They are different depending not only on the size of the engine, but also the ecm being used. It is important that the correct sensor is used to avoid problems. Although it is possible to run the car without one, I strongly suggest against this. I have had customers come to me looking for a $45 knock sensor after spending several hundred dollars and an extra month of work rebuilding a blown engine due to detonation.
Throttle Position Sensor (TPS): Responsible for reporting to the ecm the position of the throttle blades. The ecm will receive a signal which can vary from 0.0 to 5.0 volts. At idle, the TPS should be read .54 volts (factory specification) unless it has been set to a different value inside the prom. If it does not read .54 volts and the idle TPS voltage setting has not been modified in the prom, then it should be adjusted. Under full throttle, it should output close to 5.0 volts. Throughout its range of motion, the voltage should climb steadily, without any jumps or falls. If it is not steady or has some fluctuations as it is moved through its range of motion, it should be replaced. This sensor is located on the passenger side of the throttle body.

Coolant Temperature Sensor (CTS): This is basically a thermistor (means that it changes resistance with temperature) that supplies the ecm with the temperature of the engine coolant. This temperature reading is used for several important functions. The most notable is that the ecm adds extra fuel to an engine when its cold, and as the engine warms up, the extra fuel is reduced. This sensor mounts at the front of the intake manifold. The chart below shows the approximate resistance for this sensor in relation to temperature.

CTSMAT_1aa.gif


Intake Air Temperature Sensor (IAT): This sensor is also a thermistor (means that it changes resistance with temperature) that supplies the ecm with a temperature reading of the air being drawn into the engine. It is the same as the coolant temperature sensor on 86-92 models. The 1985 intake air temperature sensor used a different connector and cannot be used as a coolant temperature sensor because it had an exposed bulb. This sensor mounts underneath the plenum. The chart above shows the approximate resistance for this sensor in relation to temperature.

Idle Air Control (IAC) Valve: Although this is technically not a sensor at all, people often treat it as one. It is responsible for regulating the amount of airflow being admitted into the engine to adjust engine speed, particularly at idle and deceleration. The ecm controls the IAC at its discretion. The IAC works by moving a cone shaped pintle, which can extend and retract as needed to admit or block off incoming air. The valve moves the pintle in "steps". These steps are numbered and range from 0 to 160. A properly adjust throttle body should be idling when warm between 15-25 steps.

The IAC is used under a variety of conditions, not only at idle speed. The valve mounts on the bottom coolant plate of the throttle body.

Vehicle Speed Sensor (VSS): This is a magnetic speed sensor mounted on the transmission that sends a 4k ppm (pulse per mile) sine wave signal to the ecm. It is responsible for suppling the vehicle speed to the ecm. This is needed for a variety of functions. It is absolutely critical for the ecm's learn mode, timing retard, emissions, torque converter lockup (automatic lockup transmissions only), idle speed control, and to avoid stalling on deceleration. It is possible to run without one. However, your car will NOT be street legal if you are required to retain emissions equipment, the ecm will not control the torque converter lockup, the ecm will not retard timing if you run into detonation, and it is possible to run into stalling /idle speed issues. In addition, the ecm will not adjust the fuel table properly as you drive (known as its "learning ability"). If the ecm does not know the vehicle speed it is assumed to be 0 mph.

If you still insist on not running a vss, I very highly suggest that the minimum vehicle speed for timing retard be brought down to 0 mph in the prom. The factory setting is 2 or 3 mph. If you don't bring this value down, and you do not run a vss, the ecm will NOT retard your timing under detonation.
 
Last edited:
IF YOU HAVE AN LT1 vette?
ecss said:
When you turn the ignition On do you hear the fuel pump run for 2 seconds?

Do you have a fuel pressure gauge?

Short pin A to pin G on the diagnostic connector located above the drivers right knee.
Turn the ignition On.
Look at the digital speedometer LCD.
Look at the numbers that are displayed.

Module 1 is the CCM
Module 4 is the PCM
Module 9 is the EBTCM

Post the Diagnostic trouble codes if any are set.

Below is a picture of the connector pin outs.
images



If no codes are set when you crank the engine does the tach show rpm?

If you have rpm do you have spark at the spark plugs?

If no rpm.
Us a voltmeter set to measure AC volts.
Back probe Pin B White wire on the 4 pin connector at the Ignition coil driver Module. Picture below shows
the location on the passenger side front of engine.
Shown as item 1 in the diagram.

imagesWLinks


While cranking engine you should about 4 volts AC.

If no 4 volts you have a PCM problem or Optispark problem.

The connector has 4 wires.
Pin C Black wire is ground.
Pin A Pink/Black goes to the coil.
Pin D White wire goes to coil.]
Pin B White wire goes to PCM. - See more at: http://www.corvetteactioncenter.com...-but-will-not-start.html#sthash.xkTGL4hN.dpuf

Does the tachometer on the dash cluster show any needle movement while you crank the engine even
though it doesn't start? That will tell you if the computer is controlling the Ignition Coil module and
trying to fire the coil.


If the codes are for module 4 which is the Engine Control Module (ECM).

DTC 13 is the Driver side oxygen sensor is not producing a usable signal when it should be after two minutes of run time when the exhaust temperature should be over 600F. (This would not cause the engine to not start).

DTC 25 is a problem with the Intake Air Temperature Sensor. It indicates the incoming air is over 302F
which could cause the engine not to start but not likely.

The IAT sensor is mounted in the passenger side of the accordion tube that goes from the air filter housing to the throttle body. It's a two wire connector plug with a Tan wire and a Black wire.

Unplug the IAT connector and try to start the car.

If the car doesn't start use an ohm meter and do the tests below.

With the IAT connector disconnected measure the resistance across the two pins of the sensor.
At 70F resistance of the sensor should be around 3.5K ohms
at 60F resistance of the sensor should be around 4.4K ohms
at 50F resistance of the sensor should be around 5.6K ohms
at 40F resistance of the sensor should be around 7.2K ohms.

If the resistance checks out.

With the IAT plug still disconnected.

Turn the ignition On. With the meter set to volts DC measure the voltage on the Tan and Black wire
of the IAT connector plug. Should be around 5 volts DC.

The fuel pump pressure test and voltage test at the Ignition Coil Module I posted earlier can be done by cranking the engine.
The engine does not have to start.
You can rent a gauge from Autozone for free.

Should be in the low 40 psi range. Pressure should hold and bleed off slowly.
If pressure bleeds off fast, pull the vacuum hose off of the fuel pressure regulator and verify
there is no gas in the hose. If there is gas in the hose the fuel pressure regulator is bad.

Have you verified you have spark at the spark plugs? (Remove spark plug from engine.
Reconnect spark plug wire and lay spark plug on metal part of engine like the intake manifold.
Crank the engine and verify if there is spark).

Does the tachometer show any rpm while cranking the engine?

Even if the engine doesn't start you can verify the above tests.
 
Back
Top