I've always been into hunting rifles more than military designs,
so please bare with my partial lack of info,
but keep firmly in mind that the AR 15 is SEMI AUTO only,
unlike the military M16 which looks similar , but has full auto compatibility(unlike the AR-15)
not all internal parts can be interchanged, as the feds regulate and mandate some differences
that make many M16 parts non-compatible.
FULL AUTO VERSIONS ownership,REQUIRE ,
FEDERAL APPROVAL AND A TAX STAMP AND REGISTRATION ETC
yes I think everyone should own a semi auto clone of a military rifle,
personally I think the F.A.L., or M1A in 308 win, are ideal options,
and yes the AR15 is very popular, but it lacks the extended range and punch of the 308.
IF I build an AR15 clone it will most likely be chambered in 6.8 SPC
I'd be very likely to upgrade to a 24' heavy fluted stainless barrel, with a 1:8 twist rate,if its a 223 AR15
as the added rigidity and mass and fast twist helps, maintain top accuracy with the 62-75 grain bullets
under hard use and higher heat.
yes you can buy a barrel shorter than 20" but you lose velocity rather rapidly with shorter barrel lengths
yes you can buy a slower twist rate than 1:8 but you rapidly lose the ability to shoot bullets heavier than 63-70 grains
unrivaledproshop.com
cbcpfa.com
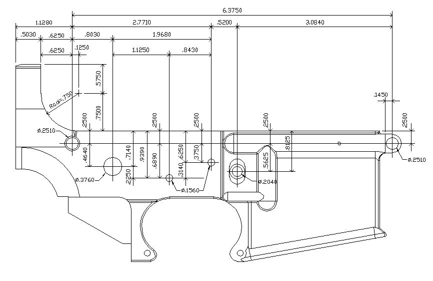
I see lots of guys buying STRIPPED lower AR receivers,
but WHAT I don't see is either complete parts kits to assemble those,
or a place to buy complete lower AR assemblies.
I also don't see many detailed videos showing exactly how to assemble the kits of parts, any tools required ET>
I see bolt carrier assembles listed, and "complete KITS" listed but I'm not sure what included or what's missing, and ,
its rather obvious from the pricing that your not getting all the parts required.
also I see several places listing complete upper assemblies and I'm wondering if by complete does that mean you have a functional rifle if you connect it to a lower assembly or does a "complete upper assemble still require all the internal bolt components?
in short how are these kits and parts purchased and what's needed to have a functional rifle and who sell s quality parts so you could build a FUNCTIONAL: CLONE to a COLT H-BAR or similar rifle?
www.youtube.com
http://garage.grumpysperformance.co...stics-are-so-obvious-absurdly-in-error.14495/
HERES A VERY QUICK LIST OF AR15 PARTS SUPPLIERS
THERES MOST LIKELY A HUNDRED TIMES THIS MANY VENDORS
AND MANUFACTURERS AND IMPORTERS OF PARTS
ar15parts.com
ar15discounts.com
www.ballisticadvantage.com
midstatefirearms.com
faxonfirearms.com
these guys sell a gas piston conversion to update the ar 15 from direct impingement
adamsarms.net
https://gunmagwarehouse.com/all-magazines/rifles
http://www.bravocompanyusa.com/Default.asp
https://www.mentium-usa.com/collections/223-556-free-float-handguard?page=2
http://www.aimsurplus.com/
https://www.classicfirearms.com/arbarrel18stainlessspiralfluted1in8heavybarrel/
https://www.cdnnsports.com/catalogsearch/result/?q=ar-15 parts
https://www.classicfirearms.com/ar-barrel-24-stainless-1in8-223wylde-heavybarrel-straightflutes
http://shop.deztacticalarms.com/DZT...AR-15-1931-SS-Extended-Length-DZT-KM15-19.htm
https://www.walmart.com/ip/AR15-15-...9912&wl11=online&wl12=143798786&wl13=&veh=sem
http://www.tactical-life.com/gear/21-steps-building-your-own-ar/#twfm16-diyar-foundation
http://gunblast.com/AR15_HBARs.htm
http://www.midwayusa.com/general.mvc/index/how-to-build-ar-15-rifle
http://www.ar15-kits.com/
https://www.gunsamerica.com/Search.htm?C=14
http://garage.grumpysperformance.co...-reloading-a-223-cartridge.16625/#post-101846
https://www.stagarms.com/model-6-super-varminter/
https://www.cheaperthandirt.com/pro...-black-free-floating-handguard-2-rraar0550.do
http://www.ar15gunkits.com/contents/en-us/d1_AR15kits.html
http://blackthorneproducts.com/cart/index.php?main_page=product_info&products_id=275
https://www.model1sales.com/
http://garage.grumpysperformance.co...-reloading-a-223-cartridge.16625/#post-101846
http://www.dpmsinc.com/BULL-24_ep_143-1.html
http://mapartsinc.com/shop/?iCat=19&iSubOne=342
http://www.rockriverarms.com/index.cfm? ... N=95654008
http://www.del-ton.com/ar_15_kits_s/1.htm
http://www.thenewrifleman.com/how-to-build-a-lower-receiver/
http://www.dsarms.com/Lowers & Uppers/products/59/
http://model1sales.com/
http://308ar.com/lowers.htm
the 223 wylde chamber is designed to feed and fire both the 5.56 and 223 cartridges with minimal pressure and great reliability as its marginally larger, has more clearance and longer throat,
guns with 223 wylde chamber also require different reloading dies to reload the brass if 5.56 and 223 cartridges fired in the 223 wylde chamber (yeah you could resize and reload with 223 or 5.56 dies but its really over working the brass significantly and it will cause durability issues if done repeatedly) generally youll seat the bullets out farther and use a 1:8 twist rate and use the 62-70 grain bullets in the 223 wylde chamber
223 wylde chamber is designed to maximize function, and reduce issues with factory or reloaded ammo
I own several AR15 223 wylde chamber , no issues, if you use the correct reload dies or any factory ammo
http://www.ar15builder.com/
(I DOUBT THIS IS 5% of the vendors)
www.midsouthshooterssupply.com
www.at3tactical.com
www.wingtactical.com
www.ndzperformance.com
www.cheaperthandirt.com
tactical-expressions.com
redcon1tactical.com
mcsgearup.com
www.opticsplanet.com
www.80-lower.com
blackrifledepot.com
www.pewpewtactical.com
www.righttobear.com
ar15discounts.com
www.americanfirearms.org
If I could only own a single military style semi auto clone,
for personal use, I think it would be hard to pass on a M1A1 clone, in 7.62 caliber
so please bare with my partial lack of info,
but keep firmly in mind that the AR 15 is SEMI AUTO only,
unlike the military M16 which looks similar , but has full auto compatibility(unlike the AR-15)
not all internal parts can be interchanged, as the feds regulate and mandate some differences
that make many M16 parts non-compatible.
FULL AUTO VERSIONS ownership,REQUIRE ,
FEDERAL APPROVAL AND A TAX STAMP AND REGISTRATION ETC
yes I think everyone should own a semi auto clone of a military rifle,
personally I think the F.A.L., or M1A in 308 win, are ideal options,
and yes the AR15 is very popular, but it lacks the extended range and punch of the 308.
IF I build an AR15 clone it will most likely be chambered in 6.8 SPC
I'd be very likely to upgrade to a 24' heavy fluted stainless barrel, with a 1:8 twist rate,if its a 223 AR15
as the added rigidity and mass and fast twist helps, maintain top accuracy with the 62-75 grain bullets
under hard use and higher heat.
liberal heads are exploding over the fact that gun parts can be made, purchased and assembled by civilians
liberal heads are exploding over the fact that gun parts can be made purchased and assembled by civilians, like they have always been since before the revolutionary war, and access to the new much lower cost , desktop CNC machines, makes it far easier...
garage.grumpysperformance.com
yes you can buy a slower twist rate than 1:8 but you rapidly lose the ability to shoot bullets heavier than 63-70 grains
Shop new - Unrivaled Pro Shop
Shop Handguard Weights product categories Buffers Muzzle Brakes Combo Deals Carriers & Parts Barrels Sights Triggers Buffer Rebuild Kits Cleaning/Tuning Handguard Weights Shim Kits Clothing GRIPS
unrivaledproshop.com
AR-15 Barrel - 24" / .223 WYLDE / 1:8 / Spiral Cut Stainless Steel / 110-406 - AR-15 Overstock
The barrel is one of the few components that directly affect the accuracy and weight of your build. Designed for corrosion resistance, this barrel will not let you down. Due to being machined from stainless steel, this barrel contains a better cut, higher-definition rifling, crowns, and...
cbcpfa.com
but WHAT I don't see is either complete parts kits to assemble those,
or a place to buy complete lower AR assemblies.
I also don't see many detailed videos showing exactly how to assemble the kits of parts, any tools required ET>
I see bolt carrier assembles listed, and "complete KITS" listed but I'm not sure what included or what's missing, and ,
its rather obvious from the pricing that your not getting all the parts required.
also I see several places listing complete upper assemblies and I'm wondering if by complete does that mean you have a functional rifle if you connect it to a lower assembly or does a "complete upper assemble still require all the internal bolt components?
in short how are these kits and parts purchased and what's needed to have a functional rifle and who sell s quality parts so you could build a FUNCTIONAL: CLONE to a COLT H-BAR or similar rifle?
THE AR FILES | Barrel Length and why MOST pick WRONG
Watch latest videos, sometimes even early releases! Sign up for the newsletter ️ https://tinyurl.com/9HoleReviews or https://tinyurl.com/SlateBlackVideo br...
HERES A VERY QUICK LIST OF AR15 PARTS SUPPLIERS
THERES MOST LIKELY A HUNDRED TIMES THIS MANY VENDORS
AND MANUFACTURERS AND IMPORTERS OF PARTS
Top 6.8 SPC II Barrels for AR-15s: A 2025 Guide
Discover the best 6.8 SPC II barrels for AR-15s in 2025. Compare picks for hunting, competition, and tactical use to boost your rifle’s performance.
ar15parts.com
Barrels Archives
AR-15 Barrels and AR-10 Barrels in a variety of lengths and twist rates. We'll help find the best barrel at the best price for your AR-15 or AR-10.
Wylde 223 Barrels | AR 15 Barrels | AR Upgrades
Our selection of .223 Wylde AR 15 barrels are made of quality stainless steel. Available in both fluted and mid length, they're the best fit for your firearm needs.
AR-15 & AR-10 Rifle Barrels | Midstate Firearms
Shop AR-15 & AR-10 barrels at Midstate Firearms. Find stainless, fluted, and lightweight options for precision shooting and custom builds.
AR Barrels | Rifle Barrels | Gun Manufacturers in Ohio
Faxon Firearms Rifle Barrels is the pinnacle of quality and performance. We have a variety of options including barrels for your .300 blackout or .233 Wylde.
faxonfirearms.com
Shop - Adams Arms
Discover a wide range of high-quality firearms and accessories at Adams Arms. Shop now for top-notch products and enhance your shooting experience
Superlative Arms Piston Kit System - Set Screw - Mid
www.tacticallink.com
https://gunmagwarehouse.com/all-magazines/rifles
http://www.bravocompanyusa.com/Default.asp
https://www.mentium-usa.com/collections/223-556-free-float-handguard?page=2
http://www.aimsurplus.com/
https://www.classicfirearms.com/arbarrel18stainlessspiralfluted1in8heavybarrel/
https://www.cdnnsports.com/catalogsearch/result/?q=ar-15 parts
https://www.classicfirearms.com/ar-barrel-24-stainless-1in8-223wylde-heavybarrel-straightflutes
http://shop.deztacticalarms.com/DZT...AR-15-1931-SS-Extended-Length-DZT-KM15-19.htm
https://www.walmart.com/ip/AR15-15-...9912&wl11=online&wl12=143798786&wl13=&veh=sem
http://www.tactical-life.com/gear/21-steps-building-your-own-ar/#twfm16-diyar-foundation
http://gunblast.com/AR15_HBARs.htm
http://www.midwayusa.com/general.mvc/index/how-to-build-ar-15-rifle
http://www.ar15-kits.com/
https://www.gunsamerica.com/Search.htm?C=14
http://garage.grumpysperformance.co...-reloading-a-223-cartridge.16625/#post-101846
https://www.stagarms.com/model-6-super-varminter/
https://www.cheaperthandirt.com/pro...-black-free-floating-handguard-2-rraar0550.do
http://www.ar15gunkits.com/contents/en-us/d1_AR15kits.html
http://blackthorneproducts.com/cart/index.php?main_page=product_info&products_id=275
https://www.model1sales.com/
http://garage.grumpysperformance.co...-reloading-a-223-cartridge.16625/#post-101846
http://www.dpmsinc.com/BULL-24_ep_143-1.html
http://mapartsinc.com/shop/?iCat=19&iSubOne=342
http://www.rockriverarms.com/index.cfm? ... N=95654008
http://www.del-ton.com/ar_15_kits_s/1.htm
http://www.thenewrifleman.com/how-to-build-a-lower-receiver/
http://www.dsarms.com/Lowers & Uppers/products/59/
http://model1sales.com/
Short Barrel Pistol Caliber Carbines, And Similar Weapons
you seldom find people who once having used these pistol caliber carbines, would still use one compared to some other options be aware that the pistol caliber carbines (most are available in 9mm para caliber, with 40 S&W and 10mm and 45 acp being popular options) who don't have a strong...
garage.grumpysperformance.com
http://308ar.com/lowers.htm
the 223 wylde chamber is designed to feed and fire both the 5.56 and 223 cartridges with minimal pressure and great reliability as its marginally larger, has more clearance and longer throat,
guns with 223 wylde chamber also require different reloading dies to reload the brass if 5.56 and 223 cartridges fired in the 223 wylde chamber (yeah you could resize and reload with 223 or 5.56 dies but its really over working the brass significantly and it will cause durability issues if done repeatedly) generally youll seat the bullets out farther and use a 1:8 twist rate and use the 62-70 grain bullets in the 223 wylde chamber
223 wylde chamber is designed to maximize function, and reduce issues with factory or reloaded ammo
I own several AR15 223 wylde chamber , no issues, if you use the correct reload dies or any factory ammo
http://www.ar15builder.com/
(I DOUBT THIS IS 5% of the vendors)
Model 1 Sales:
Model 1 Sales is a quality based AR15 / M16 component and accessories provider.
www.model1sales.com
AR 15 Kits, Parts, & Optics | AR 15 Upgrade Parts
Midsouth Shooters offers everything you need to build an MSR at low prices. We keep every AR 15 kits, parts, and optics in stock from top brands like Del-Ton, Anderson, Guntech, and more. Start off with a .223 / 5.56 kit from Del-Ton today! If you'd prefer AR 15 upgrade parts, we can help with...
All AR-15 Parts and Accessories
Get the All AR-15 Parts and Accessories you need from AT3 Tactical. Shop with us and get free shipping on all orders over $139!
www.at3tactical.com
Best AR-15 Upgrades | Common AR-15 Mods | Wing Tactical
AR-15 Parts, Upgrades, & Accessories | NDZ Performance
Whether you're upgrading, replacing, or customizing NDZ has the AR-15 upgrades to make your build a true one of a kind.
AR 15 Accessories | AR15 Parts | Cheaper Than Dirt
Cheaper Than Dirt has a huge selection of AR 15 parts and accessories. We have the best brands at the best prices and offer great customer service.
AR-15 Bundles & Build Sets — Complete Parts Kits
Ready-to-build AR-15 bundles: precision parts, Cerakote finishes, and laser engraving. Shop trusted kits with fast turnaround — secure checkout & FFL compliance.
AR-15
Redcon1 Tactical LLC specializes in custom AR-15 rifles and modifications, Black, Red, Blue, Silver, FDE, Gold, and Purple Anodized AR-15 parts, and AR-15 accessories from high-end manufacturers. Providing you with the best AR-15 parts for your perfect AR build | Redcon1 Tactical LLC
AR15 Upgrade Parts Kit Anodized Color
Add accessories that take your rifle to the next level with the range of rifle parts & accessories products available at MCS Gearup. Shop Now - Free Shipping Free Returns.
AR-15 Parts Accessories Wholesale Prices Discounts Up to 65%
Shop AR-15 parts and accessories for sale at discount prices. At Combat Hunting, we offer a vast selection of aftermarket parts kits for AR-15, M4, M16, SR25, M110, and AR10 rifles at wholesale prices.
www.combathunting.com
AR 15 Parts & Accessories: Kits, Stocks, Triggers, Handles, Barrells From Top Brands like Aero Precision, Geissele — 7,365 products / 17,409 models
Browse over — 7,364 products AR 15 Parts On Sale Up to 80% Off including high-end parts to customize and optimize your AR15 Rifle. Free S&H over $49!
AR Rifle Kits | 5.56/.223, 300 BLK, 6.5 Grendel, .308 | ON SALE
Quality AR-type Rifle Kits in stock. Includes LPK & upper. Available in 5.56/.223, 6.5 Grendel/Creedmoor, .308, and more! Mil-spec fitment. FAST SHIPPING!
AR-15 Parts & AR-15 Parts Kits for Sale
Unbeatable deals on AR-15 Parts and AR-15 Parts Kits at Black Rifle Depot! Customize your rifle with top-quality AR-15 Parts. Best prices and fast shipping!
Best AR-15 Upgrades: Triggers, Brakes, Handguards, BCGs & More
Find out the best AR-15 upgrades across the entire platform and different budgets. Learn why we chose each item and how they perform in our test builds.
www.pewpewtactical.com
AR-15 Parts, Accessories & Upgrades | RightToBear.com
Veteran-owned and operated, we utilize a live inventory system to give you the latest and best in replacement AR-15 parts and accessory upgrades as well as Glocks. Choose from the most reputable brands to build an AR-15 or Glock pistol that's entirely your own. Free shipping available on select...
www.righttobear.com
Welcome to AR15Discounts.com! The builder's choice for deals on AR-15 parts, kits, accessories and more. All competitively priced and backed by outstanding customer service.
AR15Discounts - AR-15 Parts from top brands at wholesale prices. Find the best deals on AR Parts, Kits & Accessories. Known for fast shipping, great service
The Best AR-15 Lower Parts Kits in 2023 | American Firearms
The Russians have a saying – “a man is not a man until he has broken a horse, fathered a child, and built a house.” I’d add “and built an AR-15” to that list. It’s a bit of a right of passage for every firearm enthusiast — one day you’ll decide it’s time to build… Continue reading The Best AR-15...
If I could only own a single military style semi auto clone,
for personal use, I think it would be hard to pass on a M1A1 clone, in 7.62 caliber
m1a1 related
with all the talk about riots and civil unrest and buildings and homes, being burnt to the ground, along with the people inside them, as a result of the news shows promoting violence and , law enforcement ignoring left wing riots ,I and others see these tv programs, about that recent...
garage.grumpysperformance.com
Last edited by a moderator:
