block prep.

grumpyvette

Administrator
Staff member
you really should read these links for a lot more USEFUL info, on block pre prep
use the best block you can afford, the better aftermarket blocks are faR STRONGER THAN THE oem BLOCKS IN ALMOST ALL CASES
one of the least discussed & acknowledged, and yet more common reasons engines fail ,
is related to micro
metallic crud left in the engine while its being assembled,
especially engine's built on newly machined blocks or blocks not extensively cleaned ,
that get used after an engine previously failed, loose casting flash,
crud from worn lifter and bearings, can be hidden in oil feed passages or,
in less obvious areas that must be carefully cleaned before reassembly can be done!
ALL OIL PASSAGE PLUGS MUST BE REMOVED, and all oil passages carefully cleaned before and engine build!
if your thinking of building a 500hp plus SBC based on the stock factory casting (NOT THE BOWTIE BLOCKS) a 350 based engines best limited to about 500 hp. the 400 blocks even weaker as theres less metal, in the 4.125" bore casting or greater bore, blocks , so BUY a DART block, the factory 400 block is far weaker and not designed to handle the stress, 400 sbc blocks were designed as low rpm truck engines
over-boring the stock 400 SBC puts the cylinder wall very close to the head bolt hole. some factory blocks end up cracked at the cylinder wall near the head bolt hole, or the threads in the thin factory casting end up pulling out of the holes. Either way water leaks and distorted cylinders are the result.
Have your machinist sonic check the block before you bore it.
calculate the remaining bore wall thickness, and if its not thick enough for safe use don,t bother
http://garage.grumpysperformance.com/index.php?threads/flex-hone.9538/#post-96145

https://www.dragzine.com/news/engine-machining-101-getting-started-with-your-engine-build/

http://hotrodenginetech.com/how-to-build-racing-engines-cylinder-block-guide/

bbceg1.jpg

bbceg2.jpg
bbceg3.jpg

Id suggest you start any engine build with a trip to a trusted local machine shop
http://garage.grumpysperformance.com/index.php?threads/finding-a-machine-shop.321/#post-59253
and ask them, at a minimum to steam clean too de-
grease the block,
and then pull the oil passage plugs and freeze plugs and carefully clean and inspect the block.
and have a long detailed discussion with your machinist about what needs to be done, the cost and time frame and get a firm due date and price list on a
receipt that both of you sign and agree too.
1. Tap or stainless steel brush all holes
2. inspect and clean Lifter bores
3. Drill cooling holes (if required)
4. De-burr deck, main saddles, bottom of bores, top of bores

inspect bores for taper and concentric bores and cracks
5. Unshroud deck for valve clearance, (deck block with mill, if required)
6. Clean all oil holes with stainless brush on drill, use a drill if required to clean casting flaws,
7. File main cap surfaces, re-thread tap bolt holes
8. Hone cam tunnel
9. Dress,and clean freeze plug holes
10. De-burr oil passages
11. re-clean the block and blow out oil passages
12.install cam bearings and oil passage plugs
13. paint block
14.

keep in mind both the main caps base and the area in the block must be machine precisely parallel , and there is a slight interference fit into a slight recess in the block on most engines to help prevent the caps moving once tightened into place by the main cap bolts or main cap studs. on some performance engines its fairly common for a hollow sleeve,s inserted 1/2 its short length, into the block and 1/2 its length into a shallow recess into the main caps, too fit into matching recesses around the main cap studs , this locates and prevents lateral movement of the main caps

http://garage.grumpysperformance.com/index.php?threads/sealants-and-threads.805/#post-45066

http://garage.grumpysperformance.co...orrect-bolt-length-and-type.13891/#post-71016




dartieagle.jpg

sleevecap1.jpg


0108gmhtp_motown04_zoom.jpg

capfit1.jpg

capfit2.jpg

capfit3.jpg



READ THIS

http://garage.grumpysperformance.com/index.php?threads/engine-block-cylinder-wall-thickness.976/

http://www.chevydiy.com/ultimate-guide-building-chevy-big-blocks-cylinder-blocks-instruction/

For a 4.125 bore or larger SBC based engine , buy a DART BLOCK, by the time all the required machine works done the difference in cost will be less than $600 and the dart blocks easily 2-3 times stronger and less likely to crack an aftermarket block is so far ahead in strength and durability it's not even worth talking about using a stock 400 casting as a basic component in a 500hp plus build.
if you have not yet started assembly and can pressure clean all the machined surfaces and paint all the cast surfaces abrasive pads can be used to remove minor surface crud but remember these ALL leave abrasive dust that MUST be cleaned and removed well before assembly begins, before paint is applied use a pressure cleaner and soapy water ,solvents etc.
to clean the surfaces and a heat gun to completely dry the surfaces before pain is applied
public supermarkets sell

FORMULA 23 grease solvent,
DAWN dish wash liquid,
and white vinegar, a cup of each in a 1/2 full 5 gallon bucket
and an ounce of dawn ,
makes a decent block wash formula to remove grit grease and machine shop dirt



yeah! we all know guys that have built 600hp SBC engines, that they dyno proved and run occasionally at the track, engines that have lasted for years,, but its not constantly run under that stress level like on a circle track engine or the main caps would be moving and the block would have failed long ago, STRESS IS CUMULATIVE, its just a mater of time before something fails, the factory blocks are rated at 350-400hp and are thin wall castings, yes I know, you probably already have a block, but its just some hard learned wisdom, you don,t want to pay for all the machine work twice

any time you use a block on a new engine build you'll be well advised to remove all the oil passage plugs an rod out the oil passages with a rifle bore brush and a high pressure pressure cleaner and replace the gallery plugs, and cam bearings, if your using a distributor with o-ring lower oil seal bands the entry to the distributor pilot hole down in the block MUST be smoothly beveled and de-burred on the upper edges of BOTH levels of the lower oil passage. failure to do so will result in cut/damaged, or O rings that get caught and pulled out of the lower sealing grooves,and if your intending to groove the lower band vertically to spray oil on the distributor gears the groove must be deep enough to compensate for the o-ring expanding slightly OR you can modify the lower distributor housing.
if you use the correct type of paint on a totally degreased block the paint traps and holds micro debris

I usually, have the block high pressure spray and chemically cleaned before I carefully inspect it for cracks, if I see anything suspicious I have the block magnetically checked
AFTER CAREFUL CLEANING, machines surfaces should be sprayed with a protective spray, and cast surfaces painted, Ive never had issues just starting an engine I built and put in storage for a few months,where Ive used it in the block as a rust preventative, it mixes with oil and seems to blend well
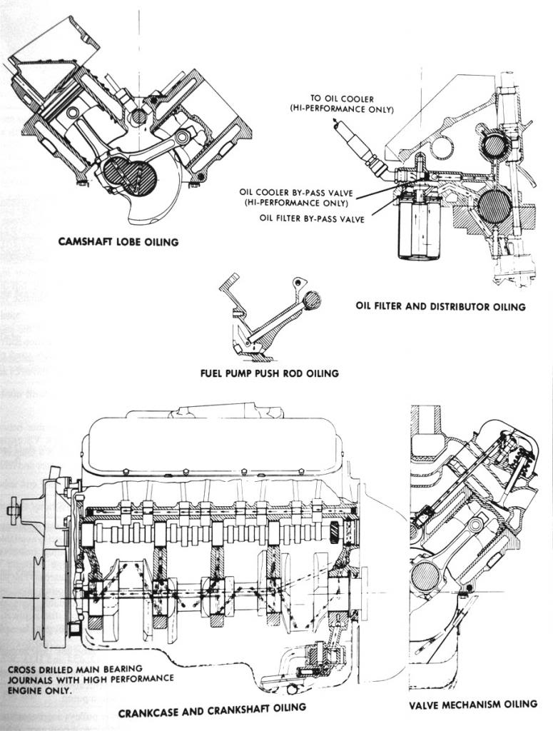
BTW, , on BIG BLOCKS the oil pumps and oil filter adapters are different due to the block oil filter recess and rear seals being different
mark iv blocks
mrkiv.jpg

mark v blocks
markv.jpg

(keep in mind that ALL '91 and later Gen.V and Gen.VI big blocks come with 4-bolt main caps. The two-bolt big blocks are no longer in production
MANY BUT NOT ALL aftermarket head designs have been modified to work on both the early MARK IV 1965-90 and later MARK V & VI blocks 1991-later.)

BTW, , on BIG BLOCKS the oil pumps and oil filter adapters are different due to the block oil filter recess and rear seals being different
GEN 4 or MARK IV
bbcmk4.jpg

markvioilp.png

GEN V and VI
bbcmkv.jpg

ruust2.jpg
the new wd40 rust preventative spray works far better than the older version

stock cast iron main caps will tend to fail long before the ARP main studs, and of course the block bore walls should be honed with a torque plate, torqued to spec in place, and the ARP main STUDS are significantly stronger than the O.E.M main cap bolts,
If your concerned you might consider billet splayed main caps and a block line hone



http://garage.grumpysperformance.co...gine-block-main-cap-movement.6162/#post-19172

http://garage.grumpysperformance.com/index.php?threads/installing-splayed-caps.7267/#post-68837

http://garage.grumpysperformance.com/index.php?threads/splayed-main-caps.1014/#post-1861

http://garage.grumpysperformance.co...block-cylinder-wall-thickness.976/#post-33362

http://garage.grumpysperformance.co...ing-piston-to-bore-ring-seal.3897/#post-11709

http://garage.grumpysperformance.com/index.php?threads/block-prep.125/#post-30125



IT always helps if you have a few precision tools and the knowledge to look at and understand exactly what your looking at, and having the tools to accurately measure anything that requires you to measure it, to be sure you have the machine shop actually performing the work as requested
example
a dial indicator,

https://www.amazon.com/Anytime-Tool...ocphy=9012039&hvtargid=pla-593404776954&psc=1

61uxJZGq5VL._SL1000_.jpg

a pack of plasta gauge
cle-mpg1_em_xl.jpg

12" dial caliper,
61cSaiJAmTL._SL1500_.jpg

bore gauge,

set of mics,

71VDiXHmvzL._SL1500_.jpg

a set of feeler gauges
View attachment 17692
and a torque wrench
can go a long way in finding out if the parts are correctly machined
9040-Honda-Dial-Bore-Gauge2.jpg



related threads
http://garage.grumpysperformance.com/index.php?threads/precision-measuring-tools.1390/#post-68861

http://garage.grumpysperformance.co...ing-parts-and-a-logical-plan.7722/#post-68651

http://garage.grumpysperformance.com/index.php?threads/finding-a-machine-shop.321/#post-59253

http://garage.grumpysperformance.com/index.php?threads/block-prep.125/


https://chevroletperformanceparts.com/catalog/chevrolet-performance-engines
https://video.search.yahoo.com/yhs/...=3ac4910781845346b00f6c350a2e352e&action=view
(1)clean all threaded holes with THREAD CHASER taps, NOT CUTTING TAPS
(2)send block out to be cleaned or I spray clean with high pressure water and high pressure air and solvents
(3) open and smooth out all the oil drain back ports in the block lifter gallery casting then install shrapnel screens & magnets with epoxy
many magnets lose their magnetic pull if heated too 200F
these SPECIAL CERAMIC MAGNETS below won,t
they are available from several vendors
proper magnets trap metallic debris

SmCo Samarium Cobalt Disc Magnets
http://www.magnet4less.com/
enginemagn.jpg

Ive used these for years

http://garage.grumpysperformance.com/index.php?threads/magnets.120/#post-76609
(4) paint block VERY CAREFULLY, after masking off machined surfaces and using rubber corks on lifter bores
(5) rod out all the oil passages, brush them clean, with a rifle bore brush and solvent then install cam bearings
http://garage.grumpysperformance.com/index.php?threads/cam-bearing-install-tools-install-info.1479/


(6)install freeze plugs

oilpassageplugs.gif

pasplugthread.png

70500lisle.jpg



threading the oil passage plugs increases durability and I generally suggest drilling an oil pray jet hole thats .031-.035 in the pass side oil pass plug, THE ONE AS YET UN THREADED IN THE PICTURE ABOVE

passplug.png

blockcrackl.jpg

http://www.chevydiy.com/the-complete-cylinder-block-guide-for-chevy-small-block-engines/#




http://www.precisionenginetech.com/proj ... d-part-1/#

posting.php?mode=edit&f=51&p=1706



http://www.hotrod.com/how-to/engine/hrd ... omparison/

http://www.eastwood.com/paints/hi-temp- ... aints.html

http://circletrack.automotive.com/10913 ... index.html

http://www.circletrack.com/enginetech/c ... index.html

http://www.popularhotrodding.com/tech/1 ... ine_block/

http://www.circletrack.com/ultimateraci ... index.html

http://www.mcmaster.com/#standard-taps/=ke36u2

http://www.mcmaster.com/#thread-forming-taps/=ke38k5

http://www.circletrack.com/tipstricks/1 ... index.html

http://www.dragzine.com/tech-stories/en ... ine-block/

viewtopic.php?f=51&t=2919&p=7625#p7625

http://www.hotrod.com/techarticles/buil ... index.html

https://secure.pawengineparts.com/shopp ... catid=1477

http://www.idavette.net/hib/bbfh1.htm

http://www.clockwheelblog.com/2009/09/e ... ourselfer/

http://www.circletrack.com/enginetech/c ... index.html

http://www.se-r.net/engine/block_prep.html


http://www.rpmmachine.com/dart-blocks.shtml

http://www.sa-motorsports.com/blkdiy.aspx

https://garage.grumpysperformance.c...t1-lt4-1992-96-corvette-engine-related.14574/

viewtopic.php?f=50&t=1249&p=2674#p2674

viewtopic.php?f=50&t=804

http://www.circletrack.com/enginetech/c ... index.html

http://www.project33.com/Categoryarticl ... ory=Engine

http://www.project33.com/Categoryarticl ... ory=Engine

http://www.project33.com/Categoryarticl ... ory=Engine

http://www.project33.com/Categoryarticl ... ory=Engine

http://www.project33.com/Categoryarticl ... ory=Engine

http://www.project33.com/Categoryarticl ... ory=Engine

http://www.circletrack.com/techarticles ... index.html

http://www.circletrack.com/enginetech/c ... index.html

Ive occasionally been asked what you can do too reduce the slack in the timing chain if your blocks been line honed,
to straiten the main bearings and that resulted in a slightly closer crank to cam center-line distance,
that results in a slightly increased slack in the stock timing chain sets.
a negligible amount of metal is generally removed from the main bearing saddles in the block, they usually try very hard to minimize that, metal removal so standard parts still fit, during a line hone , but they do sell slightly tighter timing chain sets to correct excess slack if that's required.




UN-machined SBC blocks have a nominal 9.0" deck height,
its very common to have the deck on a previously undecked block actually measure 9.022"-9.025"

SBCprintCustom2.jpg




UN-machined BBC blocks have a nominal 9.8" deck height,
its very common to have the deck on a previously undecked block actually measure 9.822-9.825

BBCbott.jpg



cloyesunder.jpg


https://www.summitracing.com/parts/clo-9-3100-5
Timing Chain and Gear Set, Original True Roller, Double Roller, -0.005 in., Iron/Steel Sprockets, Chevy, Small Block, Set
for line honed blocks where the crank is .005 closer to the cam


https://www.summitracing.com/parts/clo-9-3100-10
for line honed blocks where the crank is .010 closer to the cam
Timing Chain and Gear Set, Original True Roller, Double Roller, -0.010 in., Iron/Steel Sprockets, Chevy, Small Block, Set

enginerebuild109.JPG

if you just assume that the machine shop must have cleaned the parts they worked on carefully...
giphy.gif

any time you'll want to re-use bolts its generally a good idea,
to clean the bolt threads with a rotary wire brush and a drill,
and run a cleaning tap through the blocks threaded bolt holes

rotarywire.jpg

rotarywire1.jpg

bolthread.png


enginerebuild111.JPG

5o8_009.jpg

HONE WITH HONE PLATES to duplicate the stress the head bolts place on the cylinder walls to get a true round bore wall surface
hone1g.jpg

hone2g.jpg

the few minimum things Id ask for is
when you clean an engine block you'll need to pull all the oil passage plugs and use a rifle bore brush on the oil passages and a pressure washer spray followed immediately with lots of solvents and WD 40 to prevent rust

clean out the oil passages, its mandatory
verify the decks level, smooth, strait
verify the blocks sound (no cracks, in the lifter gallery or anywhere else,)and cylinder walls are a minimum of .200 thick
check, debur , slightly bevel the threaded holes entrance slightly
install new cam bearings
all brass freeze plugs,
A GOOD CYLINDER HONE with a DECK PLATE
tap the oil passage plugs for screw in vs press in oil passage plugs
drill the left front lifter gallery oil passage plug with a .030 hole so oil sprays on the timing gears
use ARP main cap studs
bevel the oil pump passage entrance on the rear main cap
verify the lifter bore locations/diam.
then paint the block and add shrapnel screens with J&B weld after you get the block back

cambearingaline.jpg


viewtopic.php?f=54&t=10388

oil-gallery-groove.jpg



any time you go to install new cam bearings in an engine you first take detailed notes and a few pictures of the OLD cam bearing in the block under good lighting to note the location of the oil feed holes and and grooves, then as they are removed you number them each as its removed and measure them as on many engine they are NOT INTERCHANGEABLE between all main cap locations

the stock OEM components are rated by chevy, to with stand 350-400hp and 5700rpm-6000rpm,obviously we all know guys that have pushed their components to exceed those limits, but stress is cumulative, and the harder you push or the more frequently you push past those limits the more likely you are to experience component failures
look at the rated hp

http://www.sallee-chevrolet.com/ChevyBa ... 05123.html

the DART SHP Chevy Small Blocks are significantly stronger castings in the stressed areas and are rated UP TOO 600hp, the little m blocks are even stronger

http://www.dartheads.com/products/shp-c ... locks.html

http://www.dartheads.com/products/engin ... locks.html

it would make very little sense to build an engine thats intended to produce over about 500-550 hp on a STOCK PRODUCTION Chevy block simply because the main caps will walk or the lifter bores will crack or the cylinder walls will begin to flex ETC. at some point, and that point will be noticeably lower in the power curve than an aftermarket block , thats been properly machined, Ive got splayed 4 bolt main caps and use all ARP hardware in my block and Im still reluctant to push it much past those limits, because I see the results far to often in my shop, when guys insist on spinning the nearly stock engines to 7k plus or dropping a 150-200hp worth of nitrous,or use of stock bolts on an engine without the proper mixture and ignition controls and all forged components.
correct surface prep and degreasing on the metal is critical to long term paint retention, a good pressure cleaner, solvent spray and a stiff brush and a heat gun will prove beneficial during the process.
internal surfaces like the lifter gallery, and lower crank case surrounding the rotating assembly, where paint is used to both trap and hold micro debris and speed oil flow back to the sump, is best done with paint designed to handle a constant bath of hot oil and rapid temp changes.
I paint the inside surfaces of my blocks with

http://www.glyptal.com/1209_black_enamel.htm
or
rustoleum engine paint

http://www.rustoleum.com/CBGProduct.asp?pid=372
to lock in place any micro dust left after the last total cleaning before assembly, to speed the oil flow back to the oil pan and help prevent corrosion

BTW I bought 16 rubber corks to push into the lifter bores to prevent paint entering the lifter bores during the painting, I placed 16 mini-screw eyes in the corks and strung them on a bead chain to keep from loosing them while in storage or in use!
nc0957-6n-sm.jpg

enginepaint.jpg


0275.jpg

0276.jpg

0277.jpg



keychain.gif


cork.jpg


http://www.hometrainingtools.com/rubber ... E-STOP01C/

B00004Z0NK.01.MZZZZZZZ.jpg

you are aware that HOME DEPOT sells rubber corks?
in a fairly wide selection of sizes?


http://www.homedepot.com/webapp/catalog ... Search+All
rubbercork.jpg


AS AN EXAMPLE

I bought 16 of these

http://www.homedepot.com/p/15-16-in-x-1 ... ZLQ8sqtYzY
screweye.jpg


Zoom
15/16 in. x 11/16 in. Black Rubber Stopper
Model # 16058
Internet # 202209570
Store SKU # 755424
Write a review
Write the first review

$1.20 /EA-Each

a pack of theses screw eyes, so I could screw one into the top center of each rubber cork, and string the 16 corks
http://www.homedepot.com/p/4-Zinc-Plate ... ZLNE8qtYzY

so I had lifter bore protecting plugs, that I connected on a 36" bead chain, so they don,t get misplaced or lost, in my tool box, for use when painting engine blocks
Ive used BOTH RUSTOLEUM and Glyptal but lately just several coats of BRIGHT CHEVY ORANGE RUSTOLEUM ON OVER THE glyptal EPOXY BASE COAT,COVERED BY BRITE YELLOW OR ORANGE RUSTOLEUM APPLIED ON THE TOTALLY CLEANED AND DECREASED AND DRIED BLOCK, (BTW A TOTAL DEGREASE OF THE BLOCK WITH ACETONE,and LINT FREE CLOTH, AND A heat gun or hair drier to totally dry the block just before cleaning helps the paint get a firm grip on the block surface) and don't forget you should remember the option to J&B EPOXY a MAGNET in the lifter gallery BEFORE painting the surfaces if you want to permanently a fix it on the block. (which do a great job at picking up micro metallic dust)
http://www.wondermagnet.com/dev/magnet1.html
magnet1.jpg


I buy and use the 1 quart size cans of bright yellow or orange engine paint at the local hardware store keep in mind that YOU MUST ALLOW THE PAINT TO TOTALLY DRY BEFORE ASSEMBLING THE ENGINE, AND THAT NORMALLY TAKES A FULL DAY IN THE HOT FLA HEAT (85 degrees (F)is a fairly average temp here
6666192020066777654.pre-resized200.jpg

#7747 Sunburst Yellow
http://www.rustoleum.com/product.asp?fr ... d=18&SBL=1
I use bright chevy orange or Pontiac blue on both the interior and exterior of the engine blocks I build because it makes finding oil leaks very easy once the engines in use in the corvettes where space is cramped and finding small leaks can sometimes be a problem
Actually the idea is to grind away all casting flash (the rough sandy looking surface) from the inside of the block, and then wash thoroughly, dry thoroughly, then apply the paint. This takes a long time and must be done carefully which is why most engine builders don't do it, but engine builders on racing teams do it.

It's not only to assist in oil drain back but also keeps the oil from clinging to the block and coking. In racing engines the benefits are slight but apparently noteworthy, check out any GTP type race car engine and you'll see this done as standard block prep.here read. it will help,

http://www.sa-motorsports.com/do-it-yourself.aspx

http://www.hardblok.com/

viewtopic.php?f=51&t=10464&p=43788#p43788

is popular, for filling blocks up to the lower edge of the freeze plugs

Ive used a slurry of steel bird shot and liquid EPOXY for my blocks

http://www.precisionreloading.com/mm5/m ... STEEL_SHOT


http://www.se-r.net/engine/block_prep.html]http://www.se-r.net/engine/block_prep.html
now in addition to that info , heres what I do
(1) get the block totally cleaned, DECREASED and CHECKED by a GOOD MACHINE SHOP BEFORE INVESTING MONEY IN IT!
(2) have new cam bearings and freeze plugs , oil plugs,installed only after all other machine work is done and after a extensive re-cleaning of all the oil passages just prior to starting assembly
(3) screens over the oil drain back holes are a good idea ONLY if your willing to change oil and filters very frequently
(4) several powerful magnets in the oil pan and one in the rear of each cylinder head to trap small metal parts is EXCELLENT INSURANCE
(5) polishing and smoothing the valve edges and combustion chambers helps prevent detonation
(6)never fill the water passages higher than the bottom of the freeze plug holes on a street engine
(7) 7 or more qt oil pans with BAFFLES AND A WINDAGE SCREEN like MILODON MAKES are a GREAT IDEA

shrapnel screens epoxied into the block to prevent valve train failure shrapnel from inducing bearing failure if crap gets sucked into the oil pump is a good idea IF you do frequent oil changes so the screens won,t get sledged up
011.jpg

THE SCREEN ABOVE IS CLOSE TO BEING IDEAL
screenreturns1.jpg

THE SCREEN ABOVE IS TOO SMALL TO BE IDEAL
008X008S0280W36T.jpg

while I generally use stainless 6 or 8 mesh screens theres lots of options that will work just fine, just remember to keep the oil changed regularly or theres some potential for sludge to clog ANY size shrapnel screens
engine016.jpg

http://www.twpinc.com/twpinc/products/T ... 6T0350W36T
http://www.twpinc.com/twpinc/products/T ... 8S0280W36T
viewtopic.php?f=51&t=1014&p=26395&hilit=splayed#p26395
freezeplugc1.jpg

freezeplugc2.jpg

freezeplugc3.jpg


IVE typically used these magnets in an engine, one in the rear oil drain on each cylinder head, one near each lifter gallery drain and 4 in the oil pan sump
D82SHL.jpg

many magnets lose their magnetic pull if heated too 200F
these SPECIAL CERAMIC MAGNETS below won,t
they are available from several vendors
proper magnets trap metallic debris

SmCo Samarium Cobalt Disc Magnets
http://www.magnet4less.com/
enginemagn.jpg

Ive used these for years
IF youve got the time you could get a bit excessive and polish the block surfaces
blockp1.jpg

blockp2.jpg
 
Last edited by a moderator:
for a private shop, that can,t afford the professional equipment or the space,(not a commercial one obviously that does block cleaning far more frequently, that uses the bake and steel shot tumble route to clean a block )
a 3000psi pressure washer and some steel rifle bore brushes and spray solvent,
BTW
SUPERIOR FORMULA 23 HEAVY DUTY INDUSTRIAL CLEANER & DEGREASER
"BLACK BOTTLE/JUG, & YELLOW LETTERING"
"PUBLIX super market sells it"
theres at least a few hours of very worth while , and quite useful reading in this thread and links that will prevent you wasting time and money, keep in mind the sub links contain a huge wealth of additional info youll need

what seems to be over-looked in many engine builds is simply the fact you'll almost always DEEPLY regret jumping into the engine build with both feet and waving your check book as you sink ever deeper into piles of parts receipts and machine shop bills, rather than stepping back with a legal pad, and a calculator and listing in minute detail exactly what you want to accomplish, and taking the time and effort too list and check out in detail what each machine shop procedure costs, why its required and how much each components costs, what your options are and how each component will add too or benefit the completed combo (or in some cases cause you time and grief)
stepping back and thinking things through in detail and listing the cost and potential problems and finding the solutions BEFORE you dive into the process may be a lot less fun, but in the long term its sure to cost less and result in a far better finished project!
be careful, with the use of solvents, and abrasives when cleaning major components,
many are helpful , some can cause catastrophic damage, if improperly used,
or parts are left in contact with them over extended time,
detergents like a 1/4 cup of dawn, in a 5 gallon bucket of warm water,
used with a brush , to break down surface crud work well,
071798102269.jpg


followed by a higher pressure washer can do wonders are removing dirt and grease then dry the parts immediately with high pressure air and coat machined surfaces with WD40, other wise many will form surface rust in only minutes


696471065657.jpg



related threads

http://garage.grumpysperformance.co...an-aluminum-intake-manifold.14410/#post-74196

http://garage.grumpysperformance.co...k-after-a-cam-lobe-rod-or-bearings-fail.2919/

http://garage.grumpysperformance.com/index.php?threads/block-prep.125/


https://www.chevrolet.com/performance/engine-components/small-block/production-based-blocks


http://garage.grumpysperformance.com/index.php?threads/decking-or-truing-up-the-block-deck.16152/

http://garage.grumpysperformance.com/index.php?threads/parts-prep-cleaning.6255/#post-76350

you might be amazed at what a couple hours research into the subject will do to help you build a much more durable engine, and actually reading thru links and sub-links and asking questions helps a great deal

454-502-BBC-4-Bolt-Main-Caps.jpg
if you ever want to clean your cars engine while its in the car, a spray bottle filled with a 50%/50% mix of that cleaner/solvent sprayed onto the outer surfaces and left to soak for 5 minutes and a pressure washer does an amazing job if used several times in repeated succession

in several repeat cycles will do a remarkable job, of getting the crud out of a block, once you remove all the oil passage plugs and run the bore brushes thru the passages, you then use the pressure washer and after your done a quick coat of WD40 or you'll see the block start rusting in minutes, then use a HEAT GUN and WD 40 and high pressure air from the compressor to dry the block for SHORT TERM transport or SHORT TERM storage with the block in several garbage bags taped shut, just remember to take a good deal of time with the heat gun and use a couple large cans of WD40 ,because any moisture that remains will cause rust,
once you get the block on the engine stand you can degrease with acetone or toluene and the heat gun and paint the block, with the correct paint like GYPTAL and HIGH TEMP ENGINE PAINT
and don,t forget to use a tap to clean the threads and blow out the chips with the high pressure air.
your potential rear cam bearing oil flow issue is found on the 1965- too a few very early 1967 engines ,if you install the older design BBC cam with a grooved rear main in EITHER config with EITHER rear bearing your covered, and since thats just not expensive and any decent machine shop can modify any cam like that cheaply is the smart route to take if your in doubt

camjournal.jpg


yeah Im well aware most newer engine assemblers , just don't understand why most machine work is required, well the block casting , will over time once its repeatedly heated and cooled , deform, and REQUIRE careful machine work to bring the clearances and part alignments back into speck, and yeah even a couple thousands MATTERS to engine durability/longevity
that's why most engine builders vastly prefer the thicker aftermarket block castings (DART/WORLD/BRODIX) as thicker castings tend to move less, in heat cycles) and vastly prefer starting with a block thats been driven for a few thousand miles or a year or so before they build a serious engine, as the casting settles down and stabilizes over several months use.
and repeated heating and cooling cycles
1965396CamOilGroovea.jpg

http://garage.grumpysperformance.com/index.php?threads/cam-bearing-install-tools-install-info.1479/
read
http://www.se-r.net/engine/block_prep.html
have suspect parts mag checked
magcheckl.png

http://www.harborfreight.com/cpi/ctaf/d ... mber=42939
42939.gif

the better machine shops pin or sleeve the main caps to prevent movement
sleevecap1.jpg

sleevecap2.JPG


splayed 4 bolt
SPLAYEDCAPS-1.jpg


http://www.harborfreight.com/cpi/ctaf/d ... mber=95159
RENTING OR BUYING A PRESSURE WASHER CAN BE VERY HELPFUL
pressurewash.jpg

SBC--BLOCK PREP & MACHINING

HOW TO VIDEO LINKS:How to Gap Piston Rings -
to Check PTV Clearance -
to Measure Bearing Clea...
www.youtube.com
www.youtube.com

engine building is about 75% technology and science and 10% art, and 15% skill gained through experience,over time.
doing it successfully mandates the person involved, in the process, can accurately observe, think, and recognize problems,
and if required, stop and think up solutions.

yes it involves knowing how components are intended to function and accurate precision measurement and access to some specific tools and a skilled well equiped machine shop you can trust, is a mandatory factor and skill set.
so many guys seem to be under the absurd impression that any and all solutions,
to any and all problems,
invariably involve, throwing away some component,
and installing some new out of the box part,
instead of acting logically and actually measuring,
thinking and potentially custom clearancing or at least reading the instructions,
and as most experienced engine builders will tell you ,
almost nothing you can buy fits and functions correctly in out-of-the-box, condition
,too near its true potential.after its ,
carefully, inspected, and correctly clearanced, and fitted.




http://garage.grumpysperformance.co...piston-to-bore-clearance-on-your-block.14251/



nozzle.gif

painted1.jpg

painted2.jpg

painted3.jpg

painted4.jpg


you'll find this comes in handy, along with the mix of carb cleaner and diesel fuel and the rifle bore brushes after you've removed all the passage plugs
http://www.homedepot.com/webapp/wcs/sto ... yID=502376

4ccf3b47-6ac9-40e5-873e-c86caa742bae_300.jpg


http://www.homedepot.com/webapp/wcs/sto ... =100661423

616388b5-fcae-44dc-9b19-f9abd1f7a3ce_300.jpg


http://www.se-r.net/engine/block_prep.html

http://www.sa-motorsports.com/blkdiy.aspx

http://www.circletrack.com/tipstricks/1 ... index.html

http://www.automedia.com/Engine_Rebuild ... 010501er/1

http://www.harborfreight.com/cpi/ctaf/d ... mber=95947
95947.gif


don,t forget to clean the internal oil passages, your going to be amazed at the amount of crud trapped in the blocks internal oil passages the first time you remove all the plugs and use a rifle bore brush and solvent like carb cleaner to flush out those passages.
a couple cans of throttle body or carb cleaner the brushes and the compressor with the high pressure spray gun will do a decent job cleaning those oil passages, a pressure washer, and a stiff bristle brush and a 5 gallon pail of hot water and grease solvent will do a good job on the blocks external surfaces.
but keep several cans of WD 40 handy because as soon as the blocks sparkle clean it will start to rust almost instantly if not painted, or sprayed
machine surfaces need to be sprayed, the blocks outer surface should be painted with high temp engine paint, the lifter gallery can be painted also, gyptal is the common surface sealant used

http://garage.grumpysperformance.co...-heads-up-on-buying-used-engine-blocks.14305/

keep in mind the painted cast surfaces locks in micro crud and speeds oil flow over the surfaces but paint won,t stick unless the surface is totally dry and degreased before its applied, never paint machined surfaces, like the block deck where gaskets under high pressure are used
its not to hard to do with a small 1/2" wide brush on an engine, block thats clean and degreased, once the engine blocks on an engine stand thats easy to rotate, a heat gun to speed up the time required in drying the paint helps prevent runs. just take your time, it should take under 20-25 minutes to do it correctly, if you can,t reach an area don,t get crazy, its not critical to cover every last bit of surface area, just do what you can reach
enginepaint.jpg


http://www.por15.com/ENGINE-ENAMEL/productinfo/EEPA/

http://www.eastwood.com/glyptal-red-bru ... e=mn130060

http://www.engine-paint.com/

http://www.usplastic.com/catalog/item.a ... &catid=859

http://www.tcpglobal.com/spraypaintdepot/DC-engine.aspx

one time use disposable brushes are fine

870.jpg


http://www.harborfreight.com/36-piece-1 ... 41338.html
before paint is applied use a pressure cleaner and soapy water ,solvents etc.
to clean the surfaces and a heat gun to completely dry the surfaces before pain is applied

http://garage.grumpysperformance.com/index.php?threads/chevy-big-block-vi.9857/#post-37553

1683.jpg


http://www.harborfreight.com/1600-watt- ... 66098.html

790.JPG


129.JPG


surface.jpg




http://www.arengineering.com/articles/articleframe.html

http://www.arengineering.com/articles/sonicbig.html



well worth reading thru

have the block sonic tested, if you've got any doubts and have it honed with a deck plate, as a general rule cylinder wall thickness should ideally be a minimum of .200-.250 thick, in an ideal world getting much thinner,due to boring it larger, allows too much distortion for proper ring seal, and yes we all know guys who get away with .150-.180 occasionally,and that's a reasonable range if your not stressing the engine hard,that should last for years on a street car, but remember just because something, sometimes doesn't fail the first few dozen or even the first few hundred times, its used, doesn,t mean its operating correctly, Id suggest getting an aftermarket block if you want a larger bore, and your pushing those limits on a stock production block, simply because the decks and cylinder walls are significantly thicker and the basic casting design is stronger, and if the stock casting fails at high rpms you might loose all your components, machine work, etc, certainly making the up front higher cost of the aftermarket block looking far more reasonable if looked at in that light.

just remember, correct surface prep and degreasing on the metal is critical to long term paint retention, a good pressure cleaner, solvent spray and a stiff brush and a heat gun will prove beneficial during the process.
internal surfaces like the lifter gallery, and lower crank case surrounding the rotating assembly, where paint is used to both trap and hold micro debris and speed oil flow back to the sump, is best done with paint designed to handle a constant bath of hot oil and rapid temp changes.
the rustoleum engine paint can be applied to a totally dry, degreased block and allowed to dry over night to provide a decent smooth surface that locks in surface debris and speeds oil flow,GLYPTAL paint can and has also be used, as its designed to shed the effects of heat and oil, don,t forget to use the rubber corks in the lifter bores , lots of tape cover on areas you don't want to paint,and using a cheap throw away one time use, brush that has nylon or poly bristles, rather than organic , that won't come off is advised

AU_EE_Aluminum_L.jpg



http://www.harborfreight.com/1-inch-pro ... 39685.html
image_715.jpg


glyptal.jpg

http://www.eastwood.com/glyptal-red-brush-on-1-qt.html
gyptalk1.jpg

gyptalk2.jpg


http://www.amazon.com/Glyptal-Enamel-In ... B0034D1ZCM

http://www.rustoleum.com/CBGProduct.asp?pid=372

http://garage.grumpysperformance.com/index.php?threads/installing-splayed-caps.7267/#post-68837

http://garage.grumpysperformance.co...needed-for-383-sbc-assembly.16041/#post-96747

http://forum.grumpysperformance.com/viewtopic.php?f=51&t=125&p=155#p155

http://forum.grumpysperformance.com/viewtopic.php?f=51&t=3774&p=10002&hilit=bottoming+taps#p10002
 
Last edited by a moderator:
WATCH VIDEO
once the blocks ready you might want to read thru these threads, and thier sub linked info

http://forum.grumpysperformance.com/viewtopic.php?f=54&t=1800
FrontViiewLowResA022.jpg



before you dump a $1000 dollars or more into machine work on any block have the bore walls thickness checked and the block MAG TESTED for FLAWS & CRACKS , failure to spend the time and money required to do so can cost you a great deal of wasted time and money!
preparation+mag-check.jpg

mag check for cracks in the block
DART BIG M BBC BLOCK
Features:




    • Siamesed Extra-Thick Cylinder Walls: Resists cracking and improves ring seal (minimum .300'' thick with 4.625'' bore).



    • Scalloped Outer Water Jacket Walls: Improves coolant flow around the cylinder barrels to equalize temperatures.



    • Four-Bolt Main Bearing Caps: In steel or ductile iron have splayed outer bolts for extra strength.



    • Crankshaft Tunnel: Has clearance for a 4.500'' stroke crank with steel rods without grinding.



    • True ''Priority Main'' Oil System: Lubricates the main bearings before the lifters.



    • Oil Filter Pad: Drilled and tapped for an external oil pump.



    • Rear Four-Bolt Cap: Uses standard oil pump and two-piece seal - no adapter required!



    • Lifter Valley Head Stud Bosses: Prevent blown head gaskets between head bolts.



    • External Block Machining: Reduces weight without sacrificing strength.



    • Simplified Install : Fuel pump boss, clutch linkage mounts and side & front motor mounts simplfy installation on any chassis.



    • Dual Oil Pan Bolt Patterns: Fits standard and notched oil pans.



    • Bellhousing Flange and Rear Main Bearing: Reinforced with ribs to resist cracks.



    • Note: Does not include cam bearings, freeze plugs, or dowels

NOT A TA said:
For those who never witnessed Magnafluxing this is how its done. Electromagnet is located so the area you want to test is located between the posts. Then some "magic dust" (in my best Cheech impersonation) is puffed ofer the area to be checked and the dust jumps right to the crack. Even if the crack is very small (like the one on my head) it will show right up. The crack in this pic was easily seen by the naked eye but it made for a nice easy pic to display the process. The lightweight head in the pic had been sleeved for the bolt hole previously so thats why theres a circle of magic dust around it. The dust knows it as a crack. This head will be pinned to repair the crack. If the opportunity arises to get pics of "pinning" sometime I'll get some.
DSCN0004-2.jpg

READ THRU THIS LINK
http://www.chevyhiperformance.com/tech/ ... index.html
bpp1.jpg

bpp2.jpg

bpp3.jpg

bpp4.jpg

bpp5.jpg

bpp6.jpg


bpp7.jpg

bpp8.jpg

bpp9.jpg

readblockplugs.jpg

bpp10.jpg


campass1.jpg

campass2.jpg

bpp11.jpg

bpp12.jpg

http://www.chevyhiperformance.com/tech/ ... index.html


http://buydrillbits.com/products/hss/gp2.php?c=AIR

blockdrill.png


egbits.png


http://www.victornet.com/subdepartments/HS-Long-Drills/1180.html

now as to storing the engine, once its on the stand, drain the oil, then turn it over several times to drain all the coolant, and refill it with about 7 qts of oil to insure the crank and bearings are covered,cover it with a couple plastic trash bags but don,t seal it until your 100% sure no moisture remains in the block, remove the spark plugs and squirt oil in each cylinder then turn the engine over several times to lube the rings and upper cylinders, back off the rockers to reduce the valve spring strain on the valve train, then loosely replace the plugs finger tight, once its been sitting for a month or so you can re-oil the valve train and re-oil the upper cylinders and use duct tape to seal the trash bags



posting.php?mode=edit&f=51&p=1706


notice he states the use of a high volume oil pump, and 8 quart baffled oil pan, helps with the oil flow mods

http://buydrillbits.com/products/hss/gp2.php?c=AIR


http://www.victornet.com/subdepartments/HS-Long-Drills/1180.html

http://www.victornet.com/subdepartments/HS-Long-Drills/1180.html

http://garage.grumpysperformance.com/index.php?threads/chevy-big-block-vi.9857/#post-37553

on a typical 9:1-10.5:1 cpr sbc performance build I think youll find this chart helpful
30228b.gif


theres a great deal more than just selecting a cam, alone involved in building a good street combo.
factors like rear gearing,transmission, gearing, transmission type, cylinder head flow and cross section, intake design,carb size, your ability to tune a carb, exhaust design and car weight ETC.can make or ruin a combos street manors.
I can,t tell you how many guys read a magazine article that reportedly gets 500 plus hp from a 355-396 sbc and the guy reading it thinks WOW I CAN DO THAT!
I can,t afford those expensive cylinderheads and that roller cam, and IVE got only 9:1 compression,and IM running a 3.08 rear gear, not a 4.56:1 rear gear..and my car weights 1200 more lbs,......... but... I can sure buy a flat tappet hydralic cam with similar duration, add that intake and carb, and it should be close enought to kick my buddies cars butt!
..............



If you think IM kidding.... youve had alot less experiance dealing with whats running around on the street than I have.

you would be surprised at the combos I see, and in many of them theres not that much wrong, but matching the drive train and gearing to the combo is critical, and in most cases the cam selection could be better, it it was selected for the 98% of the time the cars used as daily transportation rather than the 2% of the time they spend at the track!

ideally when they clean the block they remove ALL freeze plugs and oil passage plugs and verify the bore diameters are consistent, verify the bore wall thickness and pressure wash the block, verify the deck is square and line hone the crank journals if its required this SHOULD be done AFTER the cam bearings are removed, so those cam bearings must be removed to carefully clean all the oil passages.
http://garage.grumpysperformance.com/index.php?threads/oil-system-mods-that-help.2187/
http://garage.grumpysperformance.com/index.php?threads/block-prep.125/
http://garage.grumpysperformance.co...k-after-a-cam-lobe-rod-or-bearings-fail.2919/

http://www.competitionproducts.com/Short-Blocks-Chev-SB/departments/1224/

http://garage.grumpysperformance.com/index.php?threads/engine-block-cylinder-wall-thickness.976/
http://garage.grumpysperformance.com/index.php?threads/sbc-cylinder-wall-thickness.7646/
http://garage.grumpysperformance.co...eventing-engine-block-main-cap-movement.6162/
http://garage.grumpysperformance.com/index.php?threads/checking-blocks-heads-for-cracks.3363/
http://garage.grumpysperformance.com/index.php?threads/grinding-block-for-stroker-assembly.2855/
http://garage.grumpysperformance.com/index.php?threads/installing-freeze-plugs.281/

CNC BLOCKS N/E
Machine work that is done to all Dart and Bowtie blocks, machined as follows –
CNC Blocks Northeast

Carl Hinkson
18 Mitchell Hill Road
Gorham, ME 04038

E-mail: chinkson@juno.com

Phone: 207-892-7215

– Main housing bores chamfered
– Freeze plug holes and rear cam hole are chamfered
– Line honed to at least the middle of the spec or high side if needed
– Decked to your dimension
– Bore to your spec
– Plate honed using the same gasket and hardware that will be used in the end build
– Lifter bores checked and honed to the lifters that will be used in the end build
– Top of lifter bores chamfered
– Bottom of the cylinders chamfered
– Tap oil galley holes deeper
– Stroker clearance pan rail only
– Chamfer Distributor hole for O rings
– Cleaned ready to go
 
Last edited by a moderator:
have you taken the intake manifold off after running the engine with that paint on the block, almost any paint works on the blocks exterior, but under constant hot oil flow internal block surfaces tend to be harder on paint adheasion, I wonder if it held up?

eastwood.com sells glyptal

blastcab.jpg

chicagoelectric20gallon.jpg
chicagoelectric20gallona.jpg

chicagoelectric20gallonb.jpg

http://www.eastwood.com/glyptal-red-enamel-set.html
nozzle.gif

14653.jpg

first PULL ALL THE OLD CAM bearings and INSTALL new ones so you can remove crud trapped behind them
and rod out all the oil passages.
instructions in links below as to oil hole clocking
theres a GROOVE under the cam bearing so oil will enter at any location PROVIDED you get it installed correctly front to back so the oil feed holes line up with the groove under the bearing BUT look at this, you will want to support the cam with maximum oil wedge under the cam bearings, remember the bearings are NOT interchangeable in all locations

1996.jpg

viewtopic.php?f=32&t=939&p=1582#p1582

If your installing your own cam bearings you want to clean the oil passages out first carefully,look for the blocks oil feed holes, read the instructions, and pay attention during the process and if if the cam bearing your using seams to be loose spend the $20 for a new set , of cam bearings rather than chance it coming loose.
one more reason to buy a cam bearing install tool.


http://garage.grumpysperformance.com/index.php?threads/cam-bearing-install-tools-install-info.1479/
AAF-ALL96470.jpg
usual cost of about $32
http://www.summitracing.com/parts/AAF-A ... /?rtype=10

the cheaper tool pictured above works fine, but I never saw one for sale decades ago
http://www.summitracing.com/parts/AAF-ALL96470/?rtype=10
camtooll.png

I bought a used tool,
( ONLY USED ONCE IF YOU BELIEVE THE SELLER) at a swap meet 40 years ago that looked similar to this for $70

http://www.cpooutlets.com/lisle-180...ap=lisn18000&gclid=CIum95iqhcsCFQUIaQodk3YDfw

http://www.lislecorp.com/uploads/instructions/18000_WebInstr_CC56DD9726DB5.pdf

acetone.jpg

toluene.jpg

many guys fail to realize the huge amount of grease,dirt sediments, and metallic trash, sealants and gasket fragments that can and frequently are trapped in the blocks oil passages oil coolers connecting lines, push rods, oil pumps oil pans etch that will REQUIRE a MANDATORY high pressure cleaning with a pressure washer, solvent soak, brush and high pressure air with a long reach air nozzle.
ehe10.jpg

its amazing the amount of metallic debris, that can be generated during the manufacturing and shipping processes,
and you might not believe the quantity thats all too frequently left behind on many common engine components.
a couple gallons of solvent ,and an air compressor, hose and nozzle , a few brushes and some idea of the places where fine metallic trash, bits of micro gasket and sealant and burnt oil sludge and similar crap can accumulate inside an engine sure helps, you'll ALWAYS need to clean any component you get back from most machine shops and your almost sure to find micro-metallic trash embedded in your bearings
if you just assume that the machine shop must have cleaned the parts they worked on carefully...

giphy.gif

Ive seen cylinder heads returned still coated with valve grinding compound in the ports, and blocks with easily a teaspoon worth of mill chips in the crank case area.
yes almost all the time everyones damn reluctant to spend the cash on a DART block, (the first time they build a serious engine)
but after you get done with the machine work costs, at your local machine shop, and realize what you spent on a stock SBC OEM block,
and get a detailed report showing the exact meassurements on the stock blocks bore wall thickness and total the bills ,
you had to pay out, youll have a far different perspective on the cost of that dart block

http://garage.grumpysperformance.com/index.php?threads/cleaning-disassembled-heads.16050/

blockpas.jpg


be sure to verify the bore wall thickness is sufficiently thick
100_6020.JPG

8811.jpg


plas5va.jpg


SmCo Samarium Cobalt Disc Magnets
http://www.magnet4less.com/

High Temp Samarium SmCo Cobalt Magnet Discs
572°F Maximum Operating Temperature

MAJOR CAUSES OF PREMATURE BEARING FAILURE
Dirt ......................................... 45.4%
Misassembly .......................... 12.8%
Misalignment .......................... 12.6%
Insufficient Lubrication.............11.4%
Overloading .............................. 8.1%
Corrosion ................................ .3.7%
Improper Journal Finish ............ 3.2%
Other ....................................... .2.8%
http://garage.grumpysperformance.com/index.php?threads/parts-prep-cleaning.6255/#post-41064

http://garage.grumpysperformance.com/index.php?threads/magnets.120/#post-49772

http://garage.grumpysperformance.co...k-after-a-cam-lobe-rod-or-bearings-fail.2919/

http://garage.grumpysperformance.com/index.php?threads/block-prep.125/

http://garage.grumpysperformance.com/index.php?threads/oil-system-mods-that-help.2187/

http://garage.grumpysperformance.co...g-up-oil-feed-holes-in-bearings-shells.10750/

http://garage.grumpysperformance.co...oil-passages-and-improved-oil-flow-mods.3834/

http://garage.grumpysperformance.co...h-the-oil-when-a-cam-failed.11542/#post-53323
 
Last edited by a moderator:
HEY! I have a few questions for you, Grumpy...
I have heard a few things about chevy main bearing caps. Maybe you can help me separate the BS from the facts.

I've been told that factory 4-bolt mains are only marginally stronger (~7-8%) than two bolts and that aftermarket splayed-bolt caps on a two bolt block are ~25-30% stronger. Is this true?


that depends on the block and use of bolts and main cap studs etc, but generally Id say that the 4 bolt mains are slightly stronger, than an additional(~7-8%) and you don,t gain a full ~25-30% additional strength from simply adding splayed main caps,to a stock production block, either, you gain an easy 5%-7% plus swaping to ARP main cap studs on a two bolt block or 4 bolt block over the factory bolts, and Id say an additional 10% more with splayed main caps but the more I race the less faith I have in those mods on stock blocks and the more IM inclined to suggest an aftermarker BRODIX,DART, OR WP block with thier far thicker main cap webs and decks and cylinder walls, once you think youll regularly exceed about 450-500 ft lbs of tq or 6000rpm

Also there is alot of conflicting info on the 400 sbc. Some claim the webbing is too weak for the extra holes on a 4-bolt and therefore, 2-bolt 400s are stronger. Is this true? And if it is, does it apply to adding splayed bolt caps to a 400? Should I abandon the 400 for a 350? I was told this engine is a '73 and it is a 2-bolter.
most guys add ARP main studs to 400 2 bolt blocks or add splayed main caps I don,t see many guys add or use standard 4 bolt main caps on stock 400 castings

I have the motor out of my car (400/t56/3.90) and have been contemplating aftermarket rods and forged pistons, in anticipation of turbocharging it in the future. (I am blaming my insanity on PaulR and Turbomeister.)

I have no specific horsepower goals. I was thinking (hoping?) for 500ish hp and 600ish lb/ft. Basically, I do want to be able to bust 'em loose at 60mph.

Also any thoughts on factory steel 400 cranks? (trash? keep? test?)



Id suggest a scat 4340 forged steel crank and a ballanced rotating assembly with 5.7" rods with 7/16" arp rod bolts and forged pistons, anything less on a 600hp plus turbo combo and your pushing the limits, yes IM very aware the stock 350-400 sbc can and frequently iss pushed and survives at that hp level, that doesn,t make it smart long term

Or on power expectations for a N/A 400 with only 8-8.5 compression? (smog heads and TPI. My plans are megasquirt, then better heads, then turbos. (Oh yea, insert; Buy winning lotto ticket between heads and turbos...hence my curiosity about the low CR. It is 9.8:1 now.)

theres thousands of two bolt blocks with arp main studs running peak hp numbers near 500hp, so your unlikely to have major issues on a street/strip combo simply because the stress is maximized at high rpms, and you spend most of your time at lower rpms and stress levels and main caps don,t tend to walk around on the block much below 450 ft lbs and 6000 rpm levels, since you've already put significant time and money in the current block and your not intending to put consistently high stress like a dirt track circle track engine sees Id just use the current block with few worries UNTIL you upgrade the components to regularly exceed the 500hp level, where it will become advisable to upgrade, I would not be really overly concerned , occasional peak power runs on a street strip cars engine do far less total stress to the rotating assembly and block than constant stress like a circle track engine sees
read thru this link

http://forum.grumpysperformance.com/viewtopic.php?f=69&t=636&p=850#p850

dust rust that appears almost in seconds on a completely clean engines easily wiped off with a lint free rag soaked, dripping wet in a mix of 75% diesel and 25% marvel mystery oil, and a cup of this stuff (BELOW) per gallon, as the mix absorbs water but prevents rust from forming, you can use a wet rag soaked in just the cutting oil concentrate to prevent rust but it cleans better with the diesel/MMO


http://www.grizzly.com/products/Primros ... -Oil/H8256

just do it where theres no ignition sources and over a large drain pan


RELATED THREADS THAT SHOULD BE READ
http://garage.grumpysperformance.co...bearing-studs-torque-stretch.9409/#post-34238

http://garage.grumpysperformance.co...4-bolts-or-stds-good-enough.10632/#post-45801

http://garage.grumpysperformance.com/index.php?threads/installing-splayed-caps.7267/#post-24723

http://garage.grumpysperformance.com/index.php?threads/427-tall-deck.15267/

http://garage.grumpysperformance.com/index.php?threads/splayed-main-caps.1014/#post-16462

http://www.jegs.com/i/Dart/301/3277...7&cadevice=c&gclid=CMfnmqaG2tMCFUm1wAodg-4J8A

http://garage.grumpysperformance.co...eventing-leaky-head-bolts-studs.50/#post-1253

http://garage.grumpysperformance.co...block-cylinder-wall-thickness.976/#post-22976

http://garage.grumpysperformance.co...gine-block-main-cap-movement.6162/#post-19172

http://garage.grumpysperformance.com/index.php?threads/main-cap-fit-in-block.5945/#post-18302

http://garage.grumpysperformance.co...-help-with-main-bolt-question.2851/#post-7377
 
Last edited by a moderator:
comp cams sells a lifter bore groove tool linked to here

IF YOU DON,T READ THE SUB LINKS YOULL MISS MOST OF THE INFO

chevy has a .842 factory lifter bore diam.
use of quality oil and roller lifters and a billet can core helps, keeping the spring load rates as low as you can for the application helps and an oil cooler and baffled oil pan with a minimum of 6 qts sure won,t hurt
http://www.iskycams.com/durathon.php

http://www.crower.com/lifters.html?cat=412

http://www.compcams.com/Products/335-353.PDF


Developed by one of the top NASCAR Winston Cup Engine Builders, this innovative new tool precisely grooves the lifter bore to ensure that pressure fed oil is directly injected into the contact area between lifter and camshaft. This increased oiling significantly reduces wear on the camshaft and lifters and decreases the risk of premature failure during break in. This machining operation to the block is quick, easy, inexpensive and is the best insurance for a new camshaft. The replaceable carbide cutters are also available separately. Comes complete with grooving tool, cutter and handle.

Note: The engine must be disassembled to use this tool. cuts groove from .009" to .012".


you can also do these mods to increase oil flow mist in the lower engine

http://www.off-road.com/trucks4x4/artic ... ?id=200746
grind.jpg

tube2.jpg


https://www.uempistons.com/index.php?ma ... 4bf6a607db

rearfreezepluginstallation.jpg



BTW if your building a big block chevy engine, Big blocks have a tendency to trap air in the front of the oil passages feeding the lifters, which causes a rocker tap on start up. Because of this, there is a recessed Allen head oil galley plug behind the timing gear on the drivers side that has a hole drilled into it. This hole bleeds off air trapped in the front of the oil galley, and it also lubricates the back of the timing gear. This was a stock-from-the-factory modification to the oil galley, on some bbc engines.
removal of the drilled oil passage plug with a solid galley plug (a BAD idea) or if a piece of trash or silicone in the oil passage that managed to block this galley plug,will usually result in lifter noise and lack of oil flow for a few minutes that can cause wear on the cam and lifters. its suggested one or two of the plugs get drilled ,drill the lifter gallery plug with a 1/32" drill to prevent this
 
Last edited by a moderator:
Re: block prep. jeff posted this info

As far as head gaskets for the BBC (MarkIV) there are two different styles for cooling, series and parallel. Parallel is better but uses a different gasket. If you have a series block it can be easily converted to parallel by drilling three holes in each side of the block. This is not a machine shop operation and is not difficult. Below are the pics of the two different gaskets.



This is series FelPro for series (no Holes) is 8180pt

fel8180pt2xi2.jpg


This is FelPro 8523 parallel

fel8523pt1yb6.jpg




Notice the absence of the three holes that I mentioned above. If your block does not have the three holes as in the first pic it needs to be drilled for the parallel gasket if you chose to run it.

Don't know the years for which are which if I remember there was no real way to tell for sure other than looking.

Regards, Jeff

NATURALLY BOTH THE CYLINDER HEADS AND BLOCK MUST HAVE MATCHING COOLANT HOLE LOCATIONS, MATCHING THE HEAD GASKETS USED FOR COOLANT TO FLOW BETWEEN THEM, BEFORE YOU GO DRILLING MORE HOLES, OR RANDOMLY SWAPPING HEAD Gaskets IN AN ATTEMPT TO INCREASE COOLANT FLOW RATES, and A LARGE ALUMINUM RADIATOR, OIL COOLER AND TRANSMISSION FLUID COOLER AND LARGE BAFFLED OIL PAN,INSTALLED CORRECTLY,is HELP COOLING A GREAT DEAL
mark iv blocks
mrkiv.jpg

mark v blocks
markv.jpg

(keep in mind that ALL '91 and later Gen.V and Gen.VI big blocks come with 4-bolt main caps. The two-bolt big blocks are no longer in production
MANY BUT NOT ALL aftermarket head designs have been modified to work on both the early MARK IV 1965-90 and later MARK V & VI blocks 1991-later.)

http://sdparts.com/details/gm-performan ... s/19170540

OEM SBC BLOCKS , are NOT as strong as the THICKER AFTERMARKET BLOCKS, and should NOT be used if your goal exceeds about 550 HP
main%20web%20crack.jpg

crackedbore.jpg

bblock.jpg

chevblockparts003.jpg
 
GRUMPYVETTE?
I've got an engine to assemble for one of my cars. The problem is the outside of the block has some light surface rust starting, but there are also a couple areas that look like they didn't get stripped properly(rust removed) to start with. The cylinders and main bearing seats are bored and honed and still fine as they were oiled. Same problem with the cast heads. They've been sitting around too long and started forming some rust. I want to make sure these are clean before assembly, and painting, because this is for a show quality car. Should I put the block and bare heads in my glass bead cabinet and just clean and pressure wash it really well before assembly?? I'll have to be careful not to hit the cylinders with the glass bead nozzle, but I should be able to do that. What do you think? (yes its a Pontiac)

381159718.jpg

381159716.jpg

381159712.jpg

naval.png

gallon.jpg

enginecrop.jpg

http://www.orisonmarketing.com/corrosio ... -rust.html

http://www.loctiteproducts.com/p/s_trmt ... solver.htm

theres also this product,designed for rust removal, for things like headers and inside exhaust manifolds engine blocks etc.

"http://www.northerntool.com/shop/tools/product_200409363_200409363?cm_mmc=Google-pla&utm_source=Google_PLA&utm_medium=Automotive > Parts Washers&utm_campaign=Evapo-Rust&utm_content=334501&ci_src=17588969&ci_sku=334501&gclid=COH58qyLz8oCFQokHwoddb8HCA

http://bcove.me/booa7qmd

if its only the light dust rust that forms almost in minutes after a blocks totally cleaned and degreased, and it wipes off with wd40, its not even a slight problem to just paint over it,once the wd40 is degreased,(thats what it appears to be in the photos )

http://www.eastwood.com/ew-rust-dissolver-gallon.html

http://www.rustbullet.com/Products/Auto ... motive.asp

http://www.g2usa.com/Merchant2/merchant ... ct_Code=G2

http://www.hightempenginepaint.com/Links.asp


paint the cast surfaces
glyptal.jpg

Ive used it and seen several other people use it , it works fine.
glyptal is used to seal in, micro surfaces and prevent fine metallic dust,
that might be present ,
even after a blocks been cleaned,
from getting into the oil flow circulating back to the oil pump,
if the blocks clean, grease free and dry when its applied ,
and if its left to dry over night it will not come off.


but if its been rusting for some time, then you might want to bead blast it and very carefully pressure wash and dry the block, but be aware that bead blasting tends to get fine abrasive crud all over the place and a degrease and pressure wash,

http://www.homedepot.com/Outdoors-Outdo ... ogId=10053
4ccf3b47-6ac9-40e5-873e-c86caa742bae_300.jpg



LOCAL SELF SERVICE CAR WASHES WITH THOSE WANDS COULD BE USED

followed immediately by a high pressure air dry and brushes thru oil passages, is a good idea, just be aware it will start rusting in minutes.
a heat gun used to dry it quickly is a big help


as I'm sure your aware, after careful dis-assembly,an older engine that looks rather well used and un-loved and homely ,can look much different after a careful cleaning those parts will come out of a cleaning,wither you do it or have a local machine shop do it in far better condition and once cleaned and painted look like a totally different engine. personally Ive found the price of a 3200psi pressure cleaner, and particle blast cabinet, pays for itself very rapidly in what you save in cleaning costs you would have other wise spent at the machine shop.
(don,t forget to clean out the internal oil passages and replace the cam bearings and use brass freeze plugs)

sealedpower1220m.jpg

sealedpower3818021.jpg

20770.jpg

http://www.harborfreight.com/40-lb-capa ... 68893.html

presw.png

http://www.homedepot.com/p/Simpson-Hond ... 177499-_-N
[/color]
 
Last edited by a moderator:
Grumpy, Did you ever get any feed back about the red insulating varnish for painting the lifter gallery? I was able to get some and was wondering if it was ok to use? I got it from grainger its for insulating anything electrical.
 
links to more info on block cleaning
http://www.hotrodpitstop.com/engine-block-prep.php


Cleaning Your Engine Block

Engine builders usually charge around $120 to clean a block, and most racers consider it money well spent to avoid the hassle. The engine builders usually use a mild acid or caustic wash, either in a hot tank or a jet sprayer. Whether you choose to do it yourself or have your engine shop handle the duties, make sure the freeze and gallery plugs are removed beforehand so that anything hidden behind them can get out. After all the machining processes are complete, the block needs to be cleaned again to get rid of any accumulated machining oils and metal slivers left over from cutting.


Cleaning is a necessary step even if you are using a brand-new block. New blocks can often have casting slag hanging around in the cracks and crevices, and it becomes a big, gritty problem if not removed before assembly. This is a step you can definitely do yourself. If the block is new, all you need is a water hose and a variety of brushes to make sure you scrub everything. If you are cleaning a rebuild, however, the work gets tougher. You need to use hot water and a cleaner capable of cutting through the grease and grime that builds up just about everywhere. When you are finished, make sure to hit all the surfaces with a light coat of WD-40 or some other type of light oil as soon as the surface has been dried to prevent rust.


Replace The Freeze Plugs
brassfreezeplugblock.jpg

If you have your freeze plugs in place, it's also a good idea to pressure test the block before beginning the big projects. Pressure testing is done by filling the water jackets and then adding air pressure to see if there are any cracks or leaks. Both of these processes should be repeated after all the machine work is done to make sure you didn't cut too much away. Many machinists say they have seen situations in which a chunk of casting slag that was knocked away during one of the cutting procedures opens a pinhole through to a water jacket. The only way to catch this is with a final pressure check before engine assembly begins.

Sonic and Pressure Testing Your Race Engine Block

It doesn't make sense to do machine work on a block that may not even be usable. That's why it's wise to sonic test the block before much effort is put into it. Sonic testing can tell you the thickness of the cylinder walls quickly and easily. Even on a new block, this is important because core shift can cause one side of a cylinder wall to be too thin. Engine builder Peter Guild of PME Engines says he likes to see the cylinder wall thickness at least 0.275 inch. A sonic tester is also capable of catching a block that's just too far gone to be rebuilt again.


http://www.ehow.com/how_5347903_clean-engine-block.html

http://www.se-r.net/engine/block_prep.html
QUOTE
"Search SE-R.net Logo


Engine Block Preparation Guidelines

By Mike Kojima

Before assembling you engine it is important to prep it first. A good prep job can make the difference between an engine that runs hard and one that wears quickly and dies young.

When you get your block back from the machine shop it will be very dirty even though it was tanked at the shop. Generally most machine shops leave the honing oils on the block to keep the freshly machined bores from rusting. All of this must be cleaned off before assembly.

First place your block on an engines stand so you can rotate it around. Then get a de-burring knife (available at and any industrial supply store) and deburr every sharp-machined edge. This insures that you will not cut yourself when handling the block or complete engine later. Deburring can also eliminate potential stress risers, which can possibly form cracks. Be careful not to nick any gasket or seal surfaces while you are doing this.

Next you want to remove the Allen oil galley plugs that are positioned around the outside of the block. Remove all traces of the old sealer from the plugs and blocks threads before proceeding further.

After you have thoroughly de-burred the block, it is time to start washing. Get some strong detergent like Oil-Eater or Simple Green and douse the inside and outside of the block. Do not use a strong acid or alkaline cleaner like lime-a-way or liquid plumber or your block will dissolve. Don’t laugh because my Mom once washed her car with that stuff and ruined it! Be a little careful of the cylinder bores because these will rust in seconds! You can actually see the rust form with your eyes! I prefer Motul Moto Wash because it has rust inhibitors in it which retard bore rusting even though it is a powerful cleaner. Get some nylon bristle brushes and bust up the inside and outside of the block with lots of elbow grease. It is probably a good idea not to use wire brushes on your soft aluminum block but if you run into some tough crap you can carefully use a brass brush. Remove all traces of grease , grime and deposits. Brush, rinse and repeat until the block is as clean as new inside and out. Avoid the bores at this time.

Next get an engine brush kit or a gun cleaning kit and brush out all the oil galleys with detergent through the plug holes of the plugs that you removed a few steps ago. If this seems anal , it is very important and you MUST do it. Hot tanks now days are not as good a in the old days when pollution was not an issue. Modern eco-safe hot tank chemicals are crappy and blocks are not nearly as clean from the hot tank as they used to be. You will not believe the crap that comes out of these passages! Flush with water, brush and flush several times until you can see absolutely no traces of any kind of gunk, slime or crap.

Finally you have to clean the bores. The bores will be contaminated with honing slurry and if you want your new rings to seat right and last, you must get rid of it all. Get a clean soft 100% cotton white cloth or a lintfree paper wipe and saturate it with carb cleaner, the petroleum based spray type, NOT THE ACID DIP TYPE! Wipe the bores in the direction of the cross-hatching and repeat until the white cloth remains white after a wipe. Immediately spray some WD-40 or other rust inhibitor type oil on the bores as even the air’s humidity will rust them in seconds. If the bores get a little brown stain don’t sweat it but be careful about letting any kind of rust form. It forms so fast that you have to keep an eye on it during the whole cleaning process. I like to use Motul Protect on the bores as this is a powerful rust inhibitor.

Now get some more detergent with lots of water and brushing. Go over everything once again. Then rotate the block around on the engine stand to drain all the water out of all the nooks and crannys and if you have it, blow the block off with some compressed air. Blow out all the oil passages with compressed air also. Immediately oil the well-dried bores with some regular motor oil.

Let the block air dry in the sun all day, periodically checking the bores to make sure they are not rusting. After the block is 100% dry, reinstall the oil galley plugs using some locktite blue to seal them. If you are not going to immediately reassemble your motor, put the block in a clean plastic garbage bag so it will stay perfectly clean. Be absolutely certain that the block is 100% dry inside and out before you do this or you will be creating a rusting chamber!

On American motors it is a common race prep trick to paint the insides of the block with Glyptal or Rustolieum paint to seal in casting sand, rust particles and help oil return. Since the SR20’s block is smooth, clean aluminum, this is not necessary.

The crank, rods and pistons should be cleaned with clean solvent and blown off with compressed air. Be sure not to nick the pistons or journals of the crank. Clean the oil passages of the crank with solvent, bore brushes and pipe cleaners. Make sure that the cylinder wall squirter hole on the big end of the connecting rod is clear as this get plugged sometimes. Blow the passages out with compressed air. Repeat several times until everything is clean enough to eat off of. The same goes for the timing chain and gears. The upper and lower oil pans can be cleaned just like the block.

Here are a couple of warning things. Do not forget to reinstall any of the oil plugs! If you forget any of these and you engine will blow up faster than Clinton’s balls, as soon as it is run due to lack of oil pressure! There is a oil squirter at the front of the block that sprays oil on the timing chain. This pup gets easily knocked off by the machine shop or during handling of the block. If you forget about this you will have semi-low oil pressure, as the hole is a pretty big unmetered internal oil leak and you engine might die prematurely. Also your timing chain wont be lubed right. Check for this little bastard before you put things back together! If yours got lost or knocked out don’t sweat it. You can get it through Nissan. Put a sparing amount of locktite red or green on the bottom and tap it gently back in.

If you dipstick got knocked loose by some machine shop or UPS gorilla, you can fix it in place with locktite green or red. It is better to wait until the engine is back in the car so you can position the tube where it will not hit the header or accessory drive stuff. Once you locktite that baby in it will be a stone bitch to get it back out so you want to place it correctly.

Well those are my suggestions for block prep. Hope you liked them."
 
Re: block prep./flex hone

Any type or size of cylinder can benefit from the Flex-Hone®. These abrasive bead style brushes are produced in standard diameters from 4mm to 36cm Eight abrasive types are offered including silicon carbide, aluminum oxide, boron carbide and diamond allowing the tool to be tailored to finish any base material. A choice of 11 different grit selections are available for precise control of finish parameters. The elimination of peaks results in rapid ring seating, better oil control, reduced seepage in hydraulic and pneumatic applications and provides better seal performance and longer seal life. Successful applications include firearm chambers, shotgun barrels, musical instruments, combustion chambers, air compressors, pumps, valve bodies, valve guides, brake cylinders, wheel cylinders and the list goes on and on.

Flex-Hone® tools are also very effective for cross hole deburring, port radiusing and edge blending. Because of its unique construction, the Flex-Hone® is self-centering, self-aligning, and self-compensating for wear so it does not require an elaborate set-up or special training. Deburring with ball hones can be effectively automated and combined in the machining process to allow a complete cylinder finish in one operation or it can be employed as a secondary operation with equal results.
BRM continues to apply our years of experience and patented Flex-Hone® technology to solve difficult deburring and surface finishing problems. Our Flex-Hone® for Rotors now brings the same benefit to create the ideal surface finish on brake rotors, fly wheels and clutch plates. The tool reduces friction induced braking noises by producing a surface that lowers harmonic vibrations and creates a non-directional cross-hatch pattern. The Flex-Hone® for Rotors is more cost effective than abrasive pads and it is ideal for both new and re-turned rotors and flywheels.
http://www.dartheadstv.com/video_detail.php?mId=13335

http://www.brushresearch.com/brushes.php?c1=2

they will last for dozens of engines if used correctly but they are not real in-expensive,or cheap, most good quality ball hones cost close to $100 each
ballhone1.jpg

a ball hone with 320 grit used sparingly produces a very good surface finish for moly rings to seal with but a ball hone follows the cylinder wall surface irregularities even if its a bit egg shaped or hourglass or cone shaped so its NOT going to be ideal in a well worn cylinder because the rings will not be able to fully contact a non-cylindrical cylinder wall, equally at all points during the piston movement ,especially at higher rpms.

http://garage.grumpysperformance.co...bearing-studs-torque-stretch.9409/#post-34238

http://garage.grumpysperformance.co...4-bolts-or-stds-good-enough.10632/#post-45801

http://garage.grumpysperformance.com/index.php?threads/installing-splayed-caps.7267/#post-24723

http://garage.grumpysperformance.com/index.php?threads/splayed-main-caps.1014/#post-16462

http://garage.grumpysperformance.co...eventing-leaky-head-bolts-studs.50/#post-1253

http://garage.grumpysperformance.co...block-cylinder-wall-thickness.976/#post-22976

http://garage.grumpysperformance.co...gine-block-main-cap-movement.6162/#post-19172

http://garage.grumpysperformance.com/index.php?threads/main-cap-fit-in-block.5945/#post-18302

http://garage.grumpysperformance.co...-help-with-main-bolt-question.2851/#post-7377

3770.jpg

cylinder hones that use use 3-0r-4 parallel stones will tend to only remove the higher surfaces peaks , and itsuse is more likely to maintain a true cylindrical surface, as the stones can,t drop into minor surface irregularities
hone12.jpg

hone1.jpg

tp1aa.jpg

bs1e.jpg


bs1d.jpg


bs1c.jpg



bs1a.jpg



bs1b.jpg


dartcylinder.jpg

AFTERMARKET BLOCKS LIKE DART PRODUCES HAVE FAR THICKER CYLINDER WALL CASTINGS
[/size][/b]
 
Last edited by a moderator:
grumpy uses a pressure washer and dawn dish wash liquid and a set of rifle bore brushes and a stiff brush to degrease and clean BARE blocks many times after removing the oil passage plugs and freeze plugs , quickly followed by rubbing down the machined surfaces with a clean rag soaked in MARVEL MYSTERY OIL to prevent surface rust from forming on the bore and deck surfaces before painting
3416.jpg

http://www.harborfreight.com/10-piece-t ... 95947.html
8024.jpg


http://www.harborfreight.com/20-piece-e ... 67071.html

789.jpg


http://www.harborfreight.com/1-3-8-eigh ... 40441.html

6420.jpg


obviously checking your clearances is mandatory

rodclearance04.jpg


rodclearance05.jpg


rodclearance06.jpg


removing the rod caps during clearance checks while building your 383 ,does seem to allow you to see the clearance issues a bit easier

rodcaptocamclearance.JPG

rodcaptoblockclearance.JPG

If your getting a little too enthusiastic in rod to block clearance and get a pin hole in the coolant passages, Id use a 1/2 cup of J&B epoxy weld (basically both full tubes mixed and poured into the coolant passage )
poured into the blocks previously carefully steam cleaned and heat gun dried coolant passage area
blfill1b.jpg

Ive seen it done several times in the last couple years without issues
jbblock.jpg

clay6.jpg
https://www.amazon.com/Claytoon-Set...d=1466872286&sr=8-17&keywords=plastilina+clay
if the grove youve cut for stroker rod clearance in the lower bore skirt is in error so large it starts to drip out coolant or if its cleaned and inspected you need to make repairs in that area the proper J&B epoxy will permanently seal the coolant passages, you can prevent epoxy from dripping out before it sets up and bonds with a temp plug with plastic clay, every decent machinist I know has a package to measure some clearance like oil pump pick-up to oil pan floor and valve too piston clearances
 
Last edited by a moderator:
thats true!
Ive had BOB help a few times, owning a pressure washer saves a great deal of time and cost at machine shops
It helps remove hone grit and dirt that always seems to get into blocks if they are not freshly cleaned painted ,oiled and immediately placed in a large plastic bag for storage
just remember to lube the lifter and cam bores carefully and install rubber plugs after carefully drying and degreasing the block before painting the lifter gallery and inner and outer block surfaces.
you might be amazed at the quantity of metalic crud thats trapped in oil passages after a cam lobe or bearing fails if the passages are nor cleaned out, crud that can cause a new set of bearings or lifters to be damaged if not removed prior to restarting a newly rebuilt engine.
the paint helps lock in micro crud that can damage bearings, lifters or cam lobes and it tends to help speed oil return drainage

RELATED THREADS, you should read CAREFULLY

reading through these threads should be helpful, skipping them WILL COST YOU MONEY AND TIME

http://garage.grumpysperformance.co...bearing-studs-torque-stretch.9409/#post-34241

http://garage.grumpysperformance.co...gine-block-main-cap-movement.6162/#post-19172

http://garage.grumpysperformance.com/index.php?threads/block-choice.10472/#post-43984

http://garage.grumpysperformance.com/index.php?threads/splayed-main-caps.1014/#post-16462

http://garage.grumpysperformance.com/index.php?threads/sbc-cylinder-wall-thickness.7646/#post-26892

http://garage.grumpysperformance.com/index.php?threads/installing-splayed-caps.7267/#post-24723

http://garage.grumpysperformance.co...am-lobe-rod-or-bearings-fail.2919/#post-26455


g1009.jpg


http://www.summitracing.com/parts/SUM-G1009/?rtype=10

When your cleaning up casting flash/flaws and opening up oil drain holes, etc., take it slow, apply minimal pressure,to the die grinder and burr, don,t rush the cut and keep dipping the burr in a lubricating coolant like a small container of marvel mystery oil and diesel mixed 50%/50%, it helps to have a shop vac, suck chips out of the area.
ITS A GOOD IDEA as is using solvent and a high pressure air nozzle[/color][/b]
viewtopic.php?f=51&t=2919
95159.gif

http://www.harborfreight.com/cpi/ctaf/d ... mber=99698

99698.gif


this model die grinder is surprisingly good quality for a disposable throw away die grinder,and usually last for more than two cylinder heads, its a true bargain, if it lasts only for two! don,t even think about use of the hard stone grinding bits they shatter and are cheap crap, get real carbide burrs
Speeds & Feeds for Carbide Burrs
Carbide burrs should typically be run at
1,500 - 3,000 Surface Feet Per Minute (SFPM)

SFPM = (RPM) (3.14) (DIAMETER) divided by 12

RPM = (SFPM) (12) divided by (3.14) (DIAMETER)

The following are general speed recommendations and may need to be adjusted to your specific application.

Carbide burrs and carbide rotary files, like high speed steel burrs and rotary files, are safest when used with the shank all the way into the collet and only the head is exposed.

Extreme care should be exercised when the head of the burr extends farther out. Too much pressure or too much speed might cause the shank to vibrate or bend while the burr is spinning, or teeth to break.

Carbide burrs up to 1/8" (3mm) diameter may be run at speeds up to 75,000 RPM, depending on the material being cut and amount of shank exposed. Go slower if the shank is exposed.

Extra long carbide burrs should be run 25% slower than a standard burr

Carbide burrs ranging in size from 3/16" (4.75mm) diameter to 3/8" (9.5mm) diameter, a 30,000 RPM die grinder is recommended.

Carbide burrs ranging in size from 1/4" (6.3mm) diameter to 1/2" (12.5mm) diameter can usually be run effectively with a 22,000 RPM die grinder.

1/8" (3mm) diameter: 45,000 - 90,000 RPM
1/4" (6mm) diameter: 23,000 - 45,000 RPM
1/4” (6mm) x 6” long: 17,000 – 33,000 RPM
3/8" (10mm) diameter: 15,000 - 30,000 RPM
1/2" (12mm) diameter: 11,000 - 22,000 RPM
3/4" (20mm) diameter: 7,500 - 15,000 RPM
1" (25mm) diameter: 5,500 - 10,000 RPM

If the shank is exposed, slow it down

Carbide burrs, like all cutting tools, are dangerous. Use caution when using any cutting tool, and always wear appropriate eye protection and safety equipment. Never exceed the manufacturer's recommended speeds and feeds for any cutting tools.

Never, ever, grab a spinning burr. Let the burr come to a complete stop before touching it. The fingers you save may be your own.

btw it helps a great deal to dip the burr in a shot glass of WD.40 about every 20-30 seconds as it helps keep it from picking up crud sticking to the burrs cutting edges,the little bars of soap from the hotel bathrooms or beeswax, can be used as those melt, because the burrs heat up and as a result the melted bits get thrown over the surfaces
ALWAYS WEAR EYE PROTECTION WHEN USING A CARBIDE BURR
8_pc_carbide_burr_set.jpg


http://www.mcsdepot.com/browseproducts/ ... REACH.HTML

be sure you order the correct matched shank diam. burrs

http://www.homedepot.com/Tools-Hardware ... SpDwFc3210



http://garage.grumpysperformance.com/index.php?threads/storing-an-engine-block.12262/#post-60147
 
Last edited by a moderator:
when you want to clean out the oil passages in a block after a cam or bearing fails to make sure theres no residual crud, you either take it to a local machine shop to have it cleaned out, new oil passage and freeze plugs installed etc. or you do the work yourself. you'll want a rifle cleaning rod and several bore brushes and some solvent ,remove all the oil passage plugs, cam bearings and lifters and bearings, you'll want a bare block as a start point. its also a good idea to use a high pressure spray , and a compressor with a long air nozzle to blow out passages, you'll want to remove the cam bearings before you begin.
just remember that cleaning and degreasing the block removes the semi protective oil film that slows and reduces rust forming so you'll need to paint the non machined surfaces, and run an oiled non-lint rag over the machined surfaces to prevent rust, don,t forget the lifter bores, main bearing saddles and to correctly re install the cam bearings and oil passage plugs



SBCOilingnew.png

oilpassb.JPG

rearmainoilplug3.gif

Don’t forget the “forgotten†plug. If you don’t remove it before the block is cleaned, debris can hide in the main oil passages. And if you forget to reinstall it before the rear main cap is bolted on, oil will not be directed through the oil filter!


heres a helpful diagnostic tool,
http://www.summitracing.com/parts/SUM-9 ... toview=sku
sum-900510.jpg


its basically a heavy duty can opener , or an oil filter cutter designed to make it easy to internally inspect oil filters, by allowing you to remove the filter element , from inside the surrounding (CAN) for close visual inspection. if you've got more than a tiny bit of metallic crud in the filter theres a good chance some is embedded in bearings or partly clogging oil passages
If you don,t have one, and have not used one, your unlikely to see, or appreciate the benefits,close inspection can and does frequently give you prior evidence of impending or at least gradually occurring wear and with practice you can make an excellent guess as to the parts and condition of those components.
IT also helps to trap crud if you install a couple high temp magnets on the filter and in the oil pan.

116_0109_big_17_z.jpg

3171.jpg

http://www.harborfreight.com/4-piece-ai ... 95159.html

3416.jpg


rearfreezepluginstallation.jpg


rear plugs
stakeplug.jpg

front plugs


upperoil%20pass.jpg


lowerplug.jpg





gve1.jpg
gve1.jpg
gve1.jpg
gve2.jpg

gve3.jpg

gve4.jpg

gve5.jpg

gve6.jpg

gve7.jpg



related threads
 
Last edited by a moderator:
Keeping Chevy 4-Bolt Mains From Walking

http://www.enginebuildermag.com/Article ... _2011.aspx

http://www.jegs.com/p/ARP/ARP-Main-Stud ... 8/10002/-1

http://www.popularhotrodding.com/tech/1 ... ine_block/

viewtopic.php?f=51&t=6162&p=19172&hilit=splayed#p19172

All four-bolt small block Chevy main caps walk  when used with either studs or bolts. The factory cap or a splayed cap relies on the register to locate itself because bolts and studs donâ fit well enough to keep the cap from walking. What I have decided to do when working with a stock block is to eliminate cap walk altogether. Here is how I do it.
I place 7/16˝ x 1/2˝ dowels as used in aftermarket connecting rods in the outer bolt holes. Since the O.D. of the dowel is 1/2˝ it is easy to locate the proper reamer. No drilling is necessary.

Set the block up and indicate hole locations. The bolt holes are already recessed. Ream to one half the distance of the dowel, and then do the same with the caps. Be sure to sink the holes at least .015˝ to keep from bottoming the dowels into the cap. This also leaves room for line honing.
86522imagejpg_00000041566.jpg


Done correctly, the line hone should not change. The block we used (pictured) required line honing anyway for the proper tolerance.

Anthony Milano
Paul Milano's Service

related threads that may contain useful info you or someone else reading the thread might need
BTW love the splayed main caps, added to the three center main cap locations


http://garage.grumpysperformance.com/index.php?threads/block-prep.125/

http://garage.grumpysperformance.com/index.php?threads/painting-your-engine-color-selection.7703/

http://garage.grumpysperformance.com/index.php?threads/engine-stand-bolt-sizes.8443/#post-29605

http://garage.grumpysperformance.com/index.php?threads/number-stamp-sets.1738/

http://garage.grumpysperformance.co...k-after-a-cam-lobe-rod-or-bearings-fail.2919/

http://garage.grumpysperformance.com/index.php?threads/storing-an-engine-block.12262/

http://garage.grumpysperformance.com/index.php?threads/blueprinting-a-block.49/

http://garage.grumpysperformance.com/index.php?threads/torque-plate-honing-makes-a-differance.588/

http://garage.grumpysperformance.com/index.php?threads/grinding-block-for-stroker-assembly.2855/

http://garage.grumpysperformance.com/index.php?threads/installing-engine-bearings.831/

http://garage.grumpysperformance.co...g-and-installing-connecting-rods-pistons.247/

http://garage.grumpysperformance.co...tion-of-crank-durring-short-blk-assembly.852/

http://garage.grumpysperformance.com/index.php?threads/main-cap-fit-in-block.5945/

http://garage.grumpysperformance.com/index.php?threads/freeze-plugs-and-silicone.4632/

http://garage.grumpysperformance.com/index.php?threads/machine-shop-sequencing.4460/

http://garage.grumpysperformance.com/index.php?threads/thread-chaser-for-new-block.3774/

http://garage.grumpysperformance.co...etween-two-and-4-bolt-main-caps.686/#post-950

http://garage.grumpysperformance.com/index.php?threads/types-of-crankshaft-steel.204/#post-239

http://garage.grumpysperformance.com/index.php?threads/splayed-main-caps.1014/#post-3831
 
Last edited by a moderator:
lineh1.jpg

most blocks benefit from a LINE HONE to verify the crank center lines strait, a few might require a line bore where the caps and block are re-machined
lineh2.JPG

lineh6.jpg

honing with a deck plate simulating the pressures the torqued in place head bolts exert on the block cylinder walls,tends to get a better ring seal
lineh3.jpg

check.jpg

DECKING THE BLOCK MIGHT BE REQUIRED
lineh4.jpg

ACCURATE MEASUREMENTS ARE CRITICAL
lineh5.jpg


lineh7s.jpg



if your asking can you spray it on a bare block to prevent rust from forming, in honed bore walls the answer is yeah! Ive done that on most of the spare bare blocks in storage on the shelves in the shop then I've wrapped the blocks in trash bags and placed them in large plastic storage for longer term storage,
I generally paint NON-machined surfaces, and use the rust preventative spray oil on machined surfaces during storage.
any machined surface that gets a gasket added later will need to be carefully degreased with acetone and alcohol and lint free shop rags, then dried before a sealant or gaskets applied Ive never had issues just starting an engine I built and put in storage for a few months,where Ive used it in the block as a rust preventative, it mixes with oil and seems to blend well, I generally just start an engine and break it in then change the oil after about 3 hours of run in time, and the rust preventative spray oil in areas I used it on gets blended and washes off.

an engine block and heads fit
http://www.homedepot.com/p/HDX-27-gal-Storage-Tote-in-Black-207585/205628022
3d4d2b_300.jpg


ruust2.jpg
the new wd40 rust preventative spray works far better than the older version
http://www.summitracing.com/parts/MOR-99400/

MOR-99400.jpg

placing a block in a large trash bag when not working on it reduces trash and moisture,from the air getting in the block
lineh8s.jpg
 
its almost mandatory, when your prepping a block for a build to send it off to have it cleaned, but you can do a decent job with a pressure cleaner and a stiff brush, solvent and high pressure air, if all the critical machine works been completed, and you take the time to quickly coat all machines surfaces with a good rust preventative immediately after cleaning, if you remove all the oil passage plugs and cam bearings, and use a rifle bore cleaning brush to clean out the oil passages Its mandatory to remove ALL the oil passage plugs from any engine block and rod out the oil passages with a rifle bore cleaning rod with a bore brush to remove crud like machining chips ,if you want to be sure you get all the metallic trash removed after a cam, lifter or bearing fails, followed by a solvent spray wash and a long tip high pressure air nozzle blowing the passages dry and clear, of solvent and clear of debris before installing new oil passage plugs, after threading the ends for the plugs, and coating the threads with a locking thread sealant to hold them in place
nozzle.gif

ruust2.jpg



borebrush.png

borerod.png

CHEVY FRONT OIL PASSAGE PLUGS
CHEVY REAR BLOCK OIL PASSAGE PLUGS
readblockplugs.jpg

freezeplugc1.jpg

DART BLOCK REAR
painted3.jpg

DART BLOCK FRONT
topplug.png

http://www.chevyhiperformance.com/tech/ ... ug_basics/

paint the cast surfaces
glyptal.jpg

Ive used it and seen several other people use it , it works fine.
glyptal is used to seal in, micro surfaces and prevent fine metallic dust,
that might be present ,
even after a blocks been cleaned,
from getting into the oil flow circulating back to the oil pump,
if the blocks clean, grease free and dry when its applied ,
and if its left to dry over night it will not come off.


https://www.ryderfleetproducts.com/...MI_NPtzoHs1AIVWrjACh2A6wFBEAQYASABEgK02fD_BwE

sbcoilh1.jpg

sbcoilh2.jpg

sbcoilh3.jpg

sbcoilh4.jpg

sbcoilh5a.jpg

Oiling_350.jpg

camplugoilpassage.jpg

camplugoilpassage1.jpg

sbcoilh6a.jpg

OilGalleyPlug.JPG

rearfreezepluginstallation.jpg

oilpasse4.jpg

BBC_Oiling_zps83f2d446.jpg

verify bore wall thickness is ok


100_6020.JPG
8811.jpg

RELATED INFO

http://garage.grumpysperformance.com/index.php?threads/precision-measuring-tools.1390/#post-68850
 
Last edited by a moderator:
what do you think about using isopropyl alcohol as a water displacing agent grumpy? then following up with lube or oil of some sort?
 
Back
Top